KAWASAKI

Spare Parts Catalogue KAWASAKI KLF220-A5 1992,KLF220-A6 1993,KLF220-A7 1994,KLF220-A8 1995,KLF220-A8A 1995

ÖLEINFÜLLDECKEL
161151009
ÖLDICHTRING
920491287
ZÜNDSPULE
590261088
ZSNDBOX
211191446
ZYLINDERKOPFDICHTUNG
110041167
ZYLINDERKOPF
110081197
ZYLINDERFUSSDICHTUNG
110091670
ZYLINDER
110051669
ZUGVERSTELLERMUTTER
16003006
ZUG.F.RUECKWAERTSGANG
540101073
ZUENDSPULE
211211160
ZUENDSCHLOSS
270051131
ZUENDSCHLOSS
270051189
ZUENDKERZENSTECKER
211601085
ZUENDKERZE NGK DR8ES
920701019
ZUENDKERZE NGK D8EA
920701011
ZUENDBOX
211191226
ZANGE 150MM
92112003
WERKZEUGTASCHE
560081007
WERKZEUGSATZ
560071306
WELLE DEKOMPRESSOR
131071209
WELLE
131071129
WELLE
131071210
WELLE
391141065
WASHER-SPRING,10MM
461F1000
WASHER-SPRING
461F0500
WASHER,PUMP GEAR
922001203
WASHER,PLAIN,4MM
920221947
WASHER,NYLON,3.45X6.5X1.0
920221912
WASHER,28.1X34X1.0
920221731
VERGASERHALTER
160651157
VERGASERANSAUGSTUTZEN
140731312
VERGASER,KPL
150031080
VERBINDUNGSSTANGE
391111076
VERBINDUNG
590711124
VENTILKEIL
120111003
VENTILFUEHRUNG
490021079
VENTILFEDER INNEN
120071001
VENTILFEDER AUSSEN
120071002
VENTIL
161264001
VENTIL
92136002
VALVE-ASSY
491161126
UNTERLEGSCHEIBE T=2.0
920221458
UNTERLEGSCHEIBE 9,1X18X0,2
21025011
UNTERLEGSCHEIBE 9,1X1
920221132
UNTERLEGSCHEIBE 7X18X
920221545
UNTERLEGSCHEIBE 6MM
411E0600
UNTERLEGSCHEIBE 6.5X2
920221557
UNTERLEGSCHEIBE 6,1X1 (VE10)
92022077
UNTERLEGSCHEIBE 5MM
920221838
UNTERLEGSCHEIBE 5.5X2
920221405
UNTERLEGSCHEIBE 5 MM
920221837
UNTERLEGSCHEIBE 4MM
920221647
UNTERLEGSCHEIBE 22X12
920221714
UNTERLEGSCHEIBE 22MM
92026092
UNTERLEGSCHEIBE 21X31
920221624
UNTERLEGSCHEIBE 15MM
92022279
UNTERLEGSCHEIBE 14MM
410B1400
UNTERLEGSCHEIBE 12,3X
920221293
UNTERLEGSCHEIBE 10.2X20X0.5
920221649
UNTERLEGSCHEIBE 10,5X
92022239
UNTERLEGSCHEIBE
461L0600
UNTERLEGSCHEIBE
920221024
UNTERLEGSCHEIBE
920221130
UNTERLEGSCHEIBE
920221187
UNTERLEGSCHEIBE
920221882
UNTERLEGSCHEIBE
920221885
UNTERLEGSCHEIBE
920221886
UNTERLEGSCHEIBE
92022198
UNTERLEGSCHEIBE
920224017
UNTERLEGSCHEIBE
922001213
UEBERDRUCKVENTIL
161301001
U-SCHEIBE 6MM
410B0600
U-SCHEIBE 5MM
410B0500
U-SCHEIBE 18.3X34X4.5
920221658
TUELLE
92071101
TUBE,9X12X600
920591849
TUBE,9X12X148
920591848
TUBE,7X10X100
920591736
TUBE,6X8X650
920591937
TUBE,5X8X350
920591843
TUBE,4.5X9.5X225
920591889
TUBE, 5X9X250
920591967
TUBE, 5X9X1240
920591968
TUBE
920591900
TUBE
920591901
TRZGER,VO
530291113
TRZGER,HI
530291114
TOOL-WRENCH,OPEN END,
921101153
TOOL DRIVER#2PHILLIPS
921071053
TASSENSTOESSEL
120091001
TACHOWELLE
540011139
TACHOWELLE
540011165
TACHOWELLE
560501662
TACHOMTERRITZEL
410601117
TACHOMETER KPL (MPH)
250011723
TACHOMETER KPL (KMH)
250011824
SIMMERRINGE SCHALTWELLE
92050082
STUD,8X25
172G0825
STREBE SPRITZLAPPEN
350111474
STREBE SCHUTZBL. VO R
350111362
STREBE SCHUTZBL. VO
350111361
STREBE SCHUTZBL. HI
350111363
STREBE
461021210
STREBE
461021211
STREBE
461021213
STREBE
461021330
STOPPER-ASSY,REVERSE
132441055
STOPFEN LIMADECKEL
920661163
STOPFEN
920661171
STOPFEN
920661220
STOPFEN
92067001
STIFT 6.2X8X14
920431263
STIFT 3X16
920431268
STIFT 10X8.7X14
920431037
STIFT 10.1X12X14
920434009
STIFT
16032003
STIFT
920431230
STIFT
92043125
STIFT
920431259
STIFT
92043132
STIFT
92122006
STEUERKETTENSPANNER
120491055
STEUERKETTENRITZEL
120461059
STEUERKETTENFUEHRUNG
130701176
STEUERKETTE
920571380
STEP,FOOT BOARD,RH
340281309
STEP,FOOT BOARD,LH
340281308
STEHBOLZEN 6X 30
920041128
STECKSCHLUESSEL 18MM
921101111
STATOR
210031262
STATOR
210031287
STARTERKOLBEN
160161074
STARTER-ELECTRIC
211631253
STAHLLAMELLE
130891076
SPURSTANGENKOPF RE.GE
391121064
SPROCKET,CAM CHAIN,19T
120461152
SPRITZSCHUTZ VO RE
350191196
SPRITZSCHUTZ VO LI
350191195
SPRITZSCHUTZ
350191197
SPRITZSCHUTZ
350191198
SPRITZSCHUTZ
350191240
SPRITZLAPPEN HI
350191238
SPRITZLAPPEN HI
350191239
SPRING,THROTTLE VALVE
920811691
SPRING,THROTTLE STOP
921441183
SPRING,SEAT HOOK
921441174
SPRING,HEAD LAMP
921441223
SPRING,DECOMPRESSOR
921441154
SPRING,CHANGE SHAFT R
921441359
SPRING,BRAKE SHOE
921441225
SPRING,BRAKE PEDAL RE
921441266
SPRING,BRAKE LEVER RE
921441165
SPRING
921441160
SPRING
921441161
SPRING
921441162
SPRING
921441163
SPRING
921441176
SPRING
921441235
SPRENGRING
16008010
SPLINT 4.0X35
920411053
SPLINT 4.0X30
550D4030
SPLINT 2.KX18
550D2518
SPLINT 2.5X25
550D2525
SPACER
920261292
SITZBANKHAKEN
270121381
SITZBANK SCHWARZ
530011516MA
SIMMERRING RVC2-5.5X8
920491062
SIMMERRING
920491231
SIMMERRING
920491236
SIMMERRING
920491242
SIMMERRING
920491317
SICHERUNGSRING,52MM
481J5200
SICHERUNGSRING 6 M/M
482J6000
SICHERUNGSRING 20X25,5X1,2
92033025
SICHERUNGSRING 18MM
92033029
SICHERUNGSRING
92036018
SICHERUNG 20A
260061051
SHOCKABSORBER,FR
450141455
SHIM,T=1.20
920251863
SHIM,T=1.00
920251858
SHIM,T=1.00
920251864
SHIM,T=0.80
920251862
SHIM,T=0.80
920251868
SHIM,T=0.50
920251861
SHIM,T=0.50
920251867
SHIM,T=0.15
920251860
SHIM,T=0.15
920251866
SHIM,T=0.10
920251859
SHIM,T=0.10
920251865
SHIM,46X35.3X1.00
920251849
SHIM,46X35.3X0.50
920251856
SHIM,46X35.3X0.15
920251851
SHIM,46X35.3X0.10
920251850
SHIM,46.3X35.3X0.80
920251857
SHIM
920251587
SET-CONNECTING ROD
130445086
SECHSKANTSCHRAUBE
112B0608
SEALANT,TB1211 'BOND#10'
56019120
SEAL-OIL,SR7 25 34 7.
920491278
SEAL-OIL,SD10205-1HS
920491286
SEAL-OIL
920491285
SEAL-OIL
920491288
SEAL-OIL
920491293
SEAL-OIL
920491318
SEAL,EQUALIZER CASE
920931246
SCREW-PAN HEAD,6X30
220B0630
SCREW-CABLE ADJUST
920091435
SCREW,TAPPING,4X12
920091533
SCREW
920091475
SCHWIMMERVENTIL
160301066
SCHWIMMERKAMMERDICHTU
110091676
SCHWIMMER
160311055
SCHUTZBLECHABDECKUNG
1402414756D
SCHUTZBLECHABDECKUNG
1402414766D
SCHUTZBLECHABDECKUNG
140241477RC
SCHUTZBLECH VORN
350041207RC
SCHUTZBLE. VO
350111368
SCHUTZ KUPPLUNGSZUG
490061017
SCHUTZ
130701123
SCHRAUBENZIEHER
92107005
SCHRAUBE,EINSTELLUNG
920091032
SCHRAUBE,8X50
920011614
SCHRAUBE,8X18
920021957
SCHRAUBE,6X113
920021961
SCHRAUBE,4X30
920091506
SCHRAUBE,12X58
921501022
SCHRAUBE,10X52
921501070
SCHRAUBE,10X49
921501048
SCHRAUBE,10X40
920021296
SCHRAUBE,10X228
920021960
SCHRAUBE,10X142
920021956
SCHRAUBE WINKELTRIEB
920091474
SCHRAUBE SCHWARZ 6X18
920091181
SCHRAUBE SCHWARZ 6X10
130C0610
SCHRAUBE SCHWARZ 6
130S0620
SCHRAUBE SCHWARZ 6
920091256
SCHRAUBE RUECKHOLFEDE
920021408
SCHRAUBE 8X90
920021401
SCHRAUBE 8X30
130J0830
SCHRAUBE 8X25
920021987
SCHRAUBE 8X20
921501557
SCHRAUBE 8X15
920021601
SCHRAUBE 8X
120P0814
SCHRAUBE 8
920021591
SCHRAUBE 6X8
130B0608
SCHRAUBE 6X22
120P0622
SCHRAUBE 6X18
920011342
SCHRAUBE 6X14
920021351
SCHRAUBE 6X14
920091288
SCHRAUBE 6X14
920091349
SCHRAUBE 6X12
130G0612
SCHRAUBE 6X10
920091402
SCHRAUBE 6
130C0616
SCHRAUBE 6
130G0635
SCHRAUBE 6
130H0635
SCHRAUBE 6
130P0620
SCHRAUBE 6
180D0625
SCHRAUBE 5X10
920091332
SCHRAUBE 5X
920091367
SCHRAUBE 5
920021447
SCHRAUBE 3X3
920091123
SCHRAUBE 16X
920021238
SCHRAUBE 10X85
920011619
SCHRAUBE 10X23
920011859
SCHRAUBE 10X140
920021965
SCHRAUBE 10
130B1016
SCHRAUBE 10
920021529
SCHRAUBE 10
920021562
SCHRAUBE 10
920021459
SCHRAUBE
112D0614
SCHRAUBE
112D0622
SCHRAUBE
112H0640
SCHRAUBE
130D0616
SCHRAUBE
130G0512
SCHRAUBE
130G0855
SCHRAUBE
130J0812
SCHRAUBE
130P0825
SCHRAUBE
130Y0610
SCHRAUBE
130Y0625
SCHRAUBE
132J0610
SCHRAUBE
132J0614
SCHRAUBE
132J0625
SCHRAUBE
132J0630
SCHRAUBE
132J0635
SCHRAUBE
132J0670
SCHRAUBE
132J0680
SCHRAUBE
132J0820
SCHRAUBE
132J0870
SCHRAUBE
132Y0616
SCHRAUBE
132Y0625
SCHRAUBE
132Y0640
SCHRAUBE
132Y0660
SCHRAUBE
132Y0675
SCHRAUBE
16033013
SCHRAUBE
180D0616
SCHRAUBE
183C0840
SCHRAUBE
183J0818
SCHRAUBE
185J0820
SCHRAUBE
187B0612
SCHRAUBE
187B0614
SCHRAUBE
187D0614
SCHRAUBE
223B0308
SCHRAUBE
920011155
SCHRAUBE
920011715
SCHRAUBE
920021545
SCHRAUBE
920021819
SCHRAUBE
920021918
SCHRAUBE
920021962
SCHRAUBE
920091303
SCHRAUBE
920091341
SCHRAUBE
921501058
SCHRAUBE
921501102
SCHRAUBE
921501107
SCHRAUBE
921501108
SCHRAUBE
921501110
SCHRAUBE
921501289
SCHRAUBE
921501817
SCHMIERNIPPEL
490011051
SCHLUESSELROHLING
270081041
SCHLUESSELROHLING
270081043
SCHLUESSELROHLING
270081044
SCHLUESSELROHLING
270081132
SCHLUESSELROHLING
270081133
SCHLUESSELROHLING
270081134
SCHLUESSELROHLING
270081135
SCHLUESSELABDECKUNG
140241551
SCHLUESSEL
920381051
SCHLUESSEL
921101152
SCHIEBERANSCHLAGSCHRA
160211126
SCHELLE
920371523
SCHEINWERFEREINSATZ
230071172
SCHEIBE
922001139
SCHEIB,7X20X1.6
920221804
SCHEIB,4.5X14X0.6
920221681
SCHEIB,20.2X36X2
920221880
SCHEIB,20.2X35X4
920221881
SCHEIB,12X24X2.3
920221890
SCHALTWLAZENSCHEIBE
131451064
SCHALTWALZE
132391145
SCHALTSTIFT
490471073
SCHALTPEDAL
132421234
SCHALTHEBEL
132361157
SCHALTHEBEL
132361164
SCHALTERGEHAEUSE
460911450
SCHALTER RUECKWAERTSG
131681352
SCHALTER HUPE
270101285
SCHALTER
270101243
ROTOR,GENERATOR
210071286
ROTOR
210071161
ROPE,RECOIL
591061102
ROHR ZYLINDERKOPF
321021594
ROHR UEBERSETZUNG
321021595
RODEND-TIE
391121063
RIVET,POP
920394006
RING-SNAP,14X17.5X1.2
920331234
RING-O
920551418
RING-O
920551433
REVERSIERSTARTER
490881054
RELAIS
270021051
REIFEN VO AT21X8-9
410021650
REIFEN HI AT22X10-10
410021651
REIBLAMELLE
130881059
REIBLAMELLE
130881068
REGLER
210661038
REGLER
210661052
RAHMENROHR
310641087
RAHMENROHR
310641088
RAHMENROHR
310641089
RAHMEN
320021957
RAHMEN
321601139
PULLEY-STARTING
490801051
PLUG,HANDLE
920661191
PLUG
920661284
PLEUELLAGER
130341098
PLATTE KABELSTANG
131691788
PLATTE
131831134
PLATTE
131831139
PLATTE
131831148
PLATTE
131831273
PLATE,LOCK
131831076
PIN-SNAP,SIDESTAND
554A0600
PIN-COTTER,2.0X15
550D2015
PIN,6X77
920431367
PAWL,RECOIL
131651110
PATTERN,FR FENDER,RH,FOR
560491989
PATTERN,FR FENDER,LH,FOR
560491988
PATTERN,FR FENDER,LH
560601289
PATTER,FR FENDER,RH
560601290
PASSTIFT 4X6
610A0406
PASSSTIFT
610A0412
PANEL-ASSY-BRAKE,RR,R
410351239
OELSIEB
490651058
OELSCHAUGLAS
520051009
OELPUMPENDICHTUNG
140201093
OELPUMPE
160821090
OELFILTER
16099004
OELABLASSSCHRAUBE 12X
920661174
O-RING 17.5 X 1.5 (VE5)
92055022
O-RING 10MM
670B1510
O-RING 95MM
671B2595
O-RING 21MM
670B2021
O-RING,ID=24.5
920551459
O-RING, 59.6MM
920553018
O-RING VENTILFUEHRUNG
920551177
O-RING VENTILDECKEL 5
92055112
O-RING STARTERKOLBEN
920551242
O-RING 68.6MM
920551178
O-RING 66.5MM
920551287
O-RING 4.5X2.0
920551370
O-RING 32MM
920551256
O-RING 31,5X2,6
92055049
O-RING 30MM
671B2530
O-RING 20X2
920551146
O-RING 16.8MM
920551235
O-RING 154MM
920551165
O-RING 15MM
670B2015
O-RING 8MM
670B1508
O-RING ID=13.8
920551141
O-RING 63
920551294
O-RING 27
920551119
O-RING
920551078
O-RING
920551111
O-RING
920551276
O-RING
920551348
O-RING
920551376
O RING
16038016
NUT-LOCK
920151596
NUT,LOCK,10MM
920151808
NUT,6MM
92016061
NOZZLE
920621068
NOCKENWELLE
120441211
NOCKE,AUSRSCKHEBEL
131191074
NOCKE,AUSRSCKHEBEL
131191077
NOCKE AUSRUECKHEBEL
131191059
NOCKE AUSRUECKHEBEL
131191060
NADELLAGER,K15X21
920461173
NADELLAGER
92046060
NADELDUESE
160171346
MUTTER 6MM
920151365
MUTTER,PLATTE
920151667
MUTTER,8MM
920151402
MUTTER,8MM
920151691
MUTTER,6MM
920151094
MUTTER,6MM
920151193
MUTTER,6MM
920151233
MUTTER,6MM
920151410
MUTTER,6MM
920151464
MUTTER,6MM
920151476
MUTTER,5MM
920151221
MUTTER,4MM
920151550
MUTTER,30MM
920151511
MUTTER,18MM
920151512
MUTTER,16MM
920151465
MUTTER,12MM,SCHWARZ
920151190
MUTTER,12MM
920151182
MUTTER,10MM
920151460
MUTTER,10MM
920151494
MUTTER,10MM
920151597
MUTTER,10MM
920151717
MUTTER SCHWARZ
920151183
MUTTER 8MM
318B0800
MUTTER 6MM SCHWARZ
312C0600
MUTTER 6MM SCHWARZ
322C0600
MUTTER 18MM
42045018
MUTTER 16MM
920151581
MUTTER
311B0500
MUTTER
320H1000
MUTTER
41072007
MUTTER
920151675
MUTTER
920151695
MUTTER
920151719
MUTTER
920151727
MUTTER
920151732
MUTTER
920151947
MUTTER
92019014
MOTORHALTERUNG
320291548
MOTORHALTERUNG
320291549
MANSCHETTE L=5.2
920271891
MANSCHETTE L=16.1
920271847
MANSCHETTE KUPPLUNGSH
490061057
MANSCHETTE 20X25X21
920271798
MANSCHETTE 10X21.3X7
920271817
MANSCHETTE
490061199
MANSCHETTE
490061230
MANSCHETTE
490061235
MANSCHETTE
490061240
MANSCHETTE
920271273
MANSCHETTE
920271336
MANSCHETTE
920271908
MANSCHETTE
920271981
LUFTSCHRAUBE
160141056
LUFTFILTERGEHAEUSE
110111260
LUFTFILTERELEMENT
110131158
LUFTDRUCKPRUEFER
520051082
LIMITER,STARTER IDLE
390761060
LIMADECKELDICHTUNG
110601649
LEVER-THROTTLE
390751056
LEVER-THROTTLE
390751060
LEVER-COMP-CHANGE SHA
131611152
LEVER-ASSY-THROTTLE
390741053
LEVER-ASSY-THROTTLE
390741057
LEVER-ASSY-GRIP,RH
460761157
LEVER-ASSY-GRIP,LH
460761143
LEVER,LOCK
131681346
LENS,TAIL LAMP
230264003
LENKERHALTER
460121168
LENKER
460031291
LEERLAUFSCHALTER
131511067
LEERLAUFDSSE,#30
920641157
LAMPENVERKLEID.,BLACK
5502210606D
LAMP-ASSY-TAIL
230241120
LAGERGEHAEUSE
410461082
LAGERGEHAEUSE
410461083
LAGERGEHAEUSE
410461084
LABEL-WARNING,GENERAL
560701109
LABEL-WARNING,AGE REC E
560701110
LABEL,REVERSE
560301102
LABEL,IGNITION SWITCH
560301086
KURBELWELLE,RH
130371478
KURBELWELLE,LH
130375085
KURBELWELLE KOMPL.
130311373
KURBELGEHAEUSE
140015323
KUPPLUNGSRITZEL
132161120
KUPPLUNGSNABE
130871089
KUPPLUNGSNABE
410331713
KUPPLUNGSKORB
130951163
KUPPLUNGSHEBEL
460921107
KUPPLUNGSGEHAEUSEDICH
110601648
KUPPLUNGSDRUCKPLATTE
131871061
KUPPLUNGSDRUCKBOLZEN
131141057
KUPPLUNGSDECKEL
140321337
KUPPLUNG DIFFERENTIAL
420341078
KUGELLAGER,6006CM
920451201
KUGELLAGER,60042RD
920451198
KUGELLAGER TMB304CC
920451142
KUGELLAGER KETTENSPAN
140201054
KUGELLAGER 6204C3
601B6204
KUGELLAGER
601A6002
KUGELLAGER
601A6004ZZ
KUGELLAGER
601A6005
KUGELLAGER
601A6202Z
KUGELLAGER
920451056
KUGELLAGER
920451110
KUGELLAGER
920451112
KUGELLAGER
920451172
KUGELLAGER
920451200
KUGELLAGER
920451202
KUGELLAGER
920451228
KUGELLAGER
920451229
KUGELLAGER
920451266
KUGELGELENK
592661069
KRUEMMERHALTER
180691078
KRUEMMER
180491415
KREUZSCHLITZSCHRAUBE
220B0425
KREUZSCHLITZSCHRAUBE
220B0516
KREUZSCHLITZSCHRAUBE
220B0608
KREUZSCHLITZSCHRAUBE
220B0612
KREUZSCHLITZSCHRAUBE
220B0614
KREUZSCHLITZSCHRAUBE
220B0620
KREUZSCHLITZSCHRAUBE
220B0625
KREUZSCHLITZSCHRAUBE
220C0525
KREUZSCHLITZSCHRAUBE
220C0535
KREUZSCHLITZSCHRAUBE
220C0630
KREUZSCHLITZSCHRAUBE
222C0512
KREUZSCHLITZSCHRAUBE
223B0516
KREUZSCHLITZSCHRAUBE
223B0530
KREUZSCHLITZSCHRAUBE
223C0512
KREUZSCHLITZSCHRAUBE
223D0420
KREUZSCHLITZSCHRAUBE
225C0620
KONTROLLARMATUREN KPL
230161083
KOLBENSICHERUNGSRING
920331161
KOLBENRINGSATZ STD
130081090
KOLBENRINGSATZ 2.UEB
130241075
KOLBENRINGSATZ 1.UEB
130251085
KOLBENBOLZEN
130021004
KOLBENBOLZEN
130351063
KOLBEN, 2. UEBERM.
130271154
KOLBEN STD
130011282
KOLBEN OELFILTER
16156002
KOLBEN 1.UEB
130291177
KOHLEBUERSTENFEDER
210401053
KOHLEBUERSTE
210391001
KLAMMER,57MM
920371452
KLAMMER, BENZINSCHLAU
920371271
KLAMMER
920371181
KLAMMER
920371460
KLAMMER
92037147
KLAMMER
920371621
KLAMMER
920371700
KLAMMER
920371712
KLAMMER
920371780
KLAMMER
920371783
KLAMMER
920371836
KLAMMER
920371939
KLAMMER
920371956
KLAMMER
920371962
KLAMMER
920371975
KLAMMER
921701004
KLAMMER
921701006
KLAMMER
921701075
KLAMMER
921701082
KLAMMER
921701149
KLAMMER
921701176
KLAMMER
921701177
KLAMMER
921701438
KLAMMER
921701471
KIT.,METER,MPH
999951003
KIPPHEBELWELLE
120201053
KIPPHEBEL
120161099
KEY-LOCK,BLANK AR80-A1
270081042
KETTENFUEHRUNG VO
120531224
KETTENFUEHRUNG
120531225
KEIL
510A5100
KEIL
92038001
KEGELRAD,15Z
490221095
KAPPE STARTERKOLBEN
160121056
KAPPE BENZINUHR
110121627
KAPPE
110121354
KAPPE
110121420
KAPPE
110121425
KAPPE
110121486
KAPPE
110121519
KAPPE
110121593
KAPPE
110121615
KAPPE
110121659
KAPPE
21017017
KAPPE
390311008
KABELSTRANG
260301047
KABELFUEHRUNG
920371539
KABEL SCHEINWERFER
211501051
KABEL SCHEINWERFER
211501054
KABEL SCHEINWERFER
211501055
KABEL
260111417
KABEL
540101074
ISOLIERUNG
160731053
HSLSE,L=6.5
921431025
HSLSE,L=18
921431115
HSLSE,8.8X12X22.5
921431163
HSLSE,6X8X10.2
921431253
HSLSE,66X70X11
921431120
HSLSE,20X25.4X25
921431118
HSLSE,16X22X10.5
921431117
HSLSE
921431069
HSLSE
921431121
HSLSE
921431138
HSLSE
921431216
HSLSE
921431235
HUPE
270031276
HUELSE,KRUEMMER
920271142
HUELSE L=99.6
420361141
HUB,RR,LH
490301086
HOUSING-ASSY-CONTROL,
460911624
HITZESCHUTZ
180181075
HITZESCHUTZ
180181077
HITZESCHUTZ
180181079
HEBELSCHUTZ,BLACK
5944110766D
HEBELSCHUTZ,BLACK
5944110916D
HEBEL
131681353
HEBEL
131681354
HEBEL
131681357
HEBEL
210831068
HAUPTKABELSTRANG
260011858
HAUPTDUESE #120R
92063078
HAUPTDUESE #117.5R
92063077
HAUPTDUESE #115R
92063076
HAUPTDUESE #112.5R
92063075
HARNESS,MAIN
260301387
HAOPTDUESE #110R
92063074
HANDBREMSSEIL
540051155
HALTTEPLATTE
140141054
HALTER,TACHOMETER
250081168
HALTER,TACHOMETER
250081169
HALTER,TACHOMETER
350231240RC
HALTER WERKZEUG
110461451
HALTER SPRITZLAPPEN R
110451732
HALTER SPRITZLAPPEN L
110451731
HALTER SCHALTGEHAEUSE
130911487
HALTER REGULATOR
110451786
HALTER DUESENNADEL
130911551
HALTER
110451828
HALTER
130911341
HALTER
130911349
HALTER
130911488
HALTER
130911510
HALTER
130911511
HALTER
130911541
HALTEPLATTE
140141072
HALTEPLATTE
140141086
HALTEPLATTE
140141087
HALTEPLATTE
140141088
GUMMISTOPFEN 11X3.2
92074038
GUMMIMANSCHETTE
920921064
GUMMIDAEMPFER SCHALTPEDAL
920751585
GUMMIDAEMPFER OELKUEH
92075208
GUMMIDAEMPFER MAGNETS
920751863
GUMMIDAEMPFER BENZINT
920751787
GUMMIDAEMPFER
92075099
GUMMIDAEMPFER
920751409
GUMMIDAEMPFER
920751896
GUMMIDAEMPFER
92075281
GUARD,RR
550201273
GUARD,FR
550201272
GUARD,ENGINE
550201271
GUARD
550201276
GRIP
460754003
GETRIEBEDECKELDICHTUN
110601651
GENERATORDECKEL
140311277
GELENK RE
391861078
GELENK LI
391861077
GEHZUSE
110211109
GEHAEUSE
110211069
GEHAEUSE
320991101
GEAR-SPUR,39T
590511188
GEAR-COMP,FINAL
132161134
GEAR-BEVEL,18T
490221096
GEAR-BEVEL,10T
490221097
GEAR,REVERSE,33T
131291869
GEAR,REVERSE,22T&27T
131291870
GEAR,OIL PUMP,30T
590511187
GASZUG
540121361
GASSCHIEBER
160251150
GASGRIFF
460751073
FUSSRASTE
340281227
FUEHRUNGSLAGER LENKUNG
592661066
FUEHRUNG
591011105
FREILAUFKUPPLUNGSRITZ
160851198
FREILAUFKUPPLUNG
131931002
FREILAUFKUPPLUNG
131941055
FR FENDER RR. GREEN
140241476VA
FORK-SHIFT
131401161
FORK-SHIFT
131401162
FLUESSIGDICHTMITTEL S
92104002
FLAMMSCHUTZ LUFTFILTE
590061052
FITTING,BREATHER PIPE
920051161
FESTSTELLMUTTER
46056005
FENDER-FRONT M.B.GRAY
350041207RF
FELGE,VO,9X6.0,SILBER
4102512115A
FELGE,VO,10X8.5,SILBE
4102512105A
FELGE, VO 9X6 WEISS
4102512118C
FELGE HI 10X8.5 WEISS
4102512108C
FEDERSTIFT 2,2X13,5
92043123
FEDERSTELLER
160071106
FEDERSTELLER
160071111
FEDERSCHEIBE
461K0600
FEDERBEIN
450141456
FEDER STARTERKOLBEN
16013003
FEDER SCHALTHEBEL
920811753
FEDER BREMSKLOTZ
42020004
FEDER
92081043
FEDER
920811105
FEDER
920811358
FEDER
92081159
FEDER
920811681
FEDER
920811690
FEDER
920811772
FEDER
920811773
EMBLEM,KAWASAKI,FOR GRAY
560141267
EMBLEM,FRONT FENDER COVER
560141196
EINSTELLSCHRAUBE GASZ
16002011
EINSTELLSCHRAUBE
46055003
EINLASSVENTIL
120041082
EINGANGSWELLE
131271152
EINGANG 4.GANG 28Z
131291862
EINGANG 4.GANG 26Z
131291861
EINGANG 2.+3.GANG 23Z
131291860
DÄMPFER, AUSPUFF
920751898
DICHTRING ÖLLEITUNG (VE10)
110091344
DZMPFER
920751829
DZMPFER
920751830
DZMPFER
921601112
DUESENNADEL 5GN46-2
160091388
DRUCKSTANGE
131161129
DICHTUNG,OELABLASSSCH (VE5)
92065097
DICHTUNG,LUFTFILTERGE
920931241
DICHTUNG, 6,2 X 11,5 X 1,5
110601109
DICHTUNG HANDSTARTER
110601650
DICHTUNG BENZINHAHN
430491017
DICHTUNG 10,5X16X1
92065058
DICHTUNG
110094004
DECKEL
160041055
DECKEL
510481090
DAMPER,TOOL KIT
921601076
DAMPER,SHOCKABSORBER
920751825
DAMPER,SHOCKABSORBER
920751897
DAMPER,SHOCKABSORBER
921601173
DAMPER,BATTERY
920751997
DAMPER,42.5X70X8.5
920751988
DAMPER,4.5X11X20
921601074
DAMPER,19X23X25
921601002
DAEMPFER,NOCKEN
130481070
DAEMPFER, AUSPUFF
920751809
DAEMPFER BENZINTANK V
920751369
COLLAR,L=9.6
921431016
CIRCLIP-TYPE-E,10MM
482L0100
CIRCLIP-TYPE-E
482L7000
CHOKEZUG
540171137
CHOKEHEBEL
460921149
BUERSTE
210391056
BUCHSE ,14X16X15
920281505
BUCHSE
920281347
BUCHSE
920281370
BUCHSE
920281386
BUCHSE
920281501
BUCHSE
920281506
BUCHSE
920871054
BUCHSE
92092005
BREMSZUG
540051153
BREMSZUG
540051154
BREMSZUG
540051156
BREMSTROMMEL VO
410381189
BREMSTROMMEL HI
410381201
BREMSSTANGE
430111138
BREMSPEDAL RE
430011229
BREMSPEDAL LI
430011228
BREMSPEDAL
430011230
BREMSPEDAL
430011288
BREMSNOCKENHEBEL
410531064
BREMSNOCKE
410501074
BREMSNOCKE
410501081
BREMSHEBEL
460921133
BREMSBACKE
410481068
BREMSBACKE
410481069
BREMSANKERPLATTE VO.R
410351303
BREMSANKERPLATTE VO.L
410351302
BOLZEN
180B0622
BOLZEN
180D0614
BOLZEN
180D0618
BOLZEN
180J0640
BOLZEN
183G0822
BOLZEN
183H0814
BOLZEN
183H0818
BOLZEN
183J0814
BOLZEN
185C0825
BOLZEN
186G0625
BOLT-SOCKET,6X20
120S0620
BIRNE 12V3W T-7
920691020
BIRNE 12V 8W 4CP
920691012
BIRNE 12V 3,4W
920691007
BIRNE
920691010
BENZINTANK
510011272
BENZINSTANDSMESSER
520051086
BENZINHAHN
510231141
BEFESTIGUNGSKLAMMER
920371531
BEFESTIGUNGSBAND L=18
92072056
BEFESTIGUNGSBAND L=14
92072031
BEFESTIGUNGSBAND L=12
92072030
BEFESTIGUNGSBAND
920721085
BEFESTIGUNGSBAND
920721222
BEFESTIGUNGSBAND
920721227
BEFESTIGUNGSB.,L=188
920721239
BATTERIEKABEL (-)
260111558
BATTERIEKABEL (+)
260111398
BATTERIE YB14A-A2
260121271
BATTERIE
260121229
BAND
920721292
AUSPUFFEINSATZ B
490991249
AUSPUFFDICHTUNG
110091718
AUSPUFFDICHTUNG
110091866
AUSPUFF
180011667
AUSLASSVENTIL
120051093
AUSGLEICHSWELLE
130411080
AUSGLEICHSRITZEL
132161112
AUSGL.SCHEIBE 30.3X40
920251006
AUSGL.SCHEIBE 20.3X28
920251533
AUSGL.SCHEIBE 20.3X28
920251534
AUSGL.SCHEIBE 20.3X28
920251535
AUSGL.SCHEIBE 20.3X28
920251536
AUSGL.SCHEIBE 20.3X28
920251537
AUSGL.SCHEIBE 20.3X28
920251538
AUSGL.SCHEIBE 20.3X28
920251573
AUSGL.SCHEIBE 20.3X28
920251574
AUSGL.SCHEIBE 20.3X28
920251575
AUSGANGSWELLE
131281146
AUSGANG 5.GANG 22Z
131291868
AUSGANG 4.GANG 24Z
131291867
AUSGANG 3.GANG 27Z
131291866
AUSGANG 2.GANG 32Z
131291865
AUSGANG 1.GANG 38Z
131291864
AUFKLEBER,WARNUNG
560401261
AUFKLEBER,WARNUNG
560401262
AUFKLEBER,WARNUNG
560401264
AUFKLEBER,WARNUNG
560401265
AUFKLEBER,WARNUNG
560401272
AUFKLEBER,WARNUNG
560401273
AUFKLEBER,WARNUNG
560401277
AUFKLEBER,WARNUNG
560401323
AUFKLEBER,WARNUNG
560701099
AUFKLEBER,WARNUNG
560701100
AUFKLEBER,WARNUNG
560701105
AUFKLEBER,WARNUNG
560701108
AUFKLEBER,WARNUNG
560701115
AUFKLEBER,BATTERIE
560311533
AUFKLEBER AUSL.X
560401157
AUFHZNGUNG
211871065
AUFHZNGUNG
211871066
ARMATURENHALTER
250081149
ANZEIGER
410851053
ANZEIGER
410851059
ANSAUGSTUTZEN
140731313
ACHSE RE
410681245
ACHSE LI
410681244
ABDECKUNG STECKVERBIN
140901611
ABDECKUNG OELFILTER
140241488
ABDECKUNG NOCKENWELLE
140241485
ABDECKUNG LUFTFILTER
140241489
ABDECKUNG AUSPUFF
491071074
ABDECKUNG
140241486
ABDECKUNG
140241624
ABDECKUNG
140251966
92022304
92022304
KAWASAKI, KLF220-A5 1992,KLF220-A6 1993,KLF220-A7 1994,KLF220-A8 1995,KLF220-A8A 1995, CYLINDER HEAD
KAWASAKI, KLF220-A5 1992,KLF220-A6 1993,KLF220-A7 1994,KLF220-A8 1995,KLF220-A8A 1995, CYLINDER/PISTON(S)
KAWASAKI, KLF220-A5 1992,KLF220-A6 1993,KLF220-A7 1994,KLF220-A8 1995,KLF220-A8A 1995, AIR CLEANER
KAWASAKI, KLF220-A5 1992,KLF220-A6 1993,KLF220-A7 1994,KLF220-A8 1995,KLF220-A8A 1995, MUFFLER(S)
KAWASAKI, KLF220-A5 1992,KLF220-A6 1993,KLF220-A7 1994,KLF220-A8 1995,KLF220-A8A 1995, VALVE(S)
KAWASAKI, KLF220-A5 1992,KLF220-A6 1993,KLF220-A7 1994,KLF220-A8 1995,KLF220-A8A 1995, CAMSHAFT(S)/TENSIONER
KAWASAKI, KLF220-A5 1992,KLF220-A6 1993,KLF220-A7 1994,KLF220-A8 1995,KLF220-A8A 1995, CRANKSHAFT
KAWASAKI, KLF220-A5 1992,KLF220-A6 1993,KLF220-A7 1994,KLF220-A8 1995,KLF220-A8A 1995, CLUTCH
KAWASAKI, KLF220-A5 1992,KLF220-A6 1993,KLF220-A7 1994,KLF220-A8 1995,KLF220-A8A 1995, TRANSMISSION
KAWASAKI, KLF220-A5 1992,KLF220-A6 1993,KLF220-A7 1994,KLF220-A8 1995,KLF220-A8A 1995, GEAR CHANGE DRUM/SHIFT FORK(S)
KAWASAKI, KLF220-A5 1992,KLF220-A6 1993,KLF220-A7 1994,KLF220-A8 1995,KLF220-A8A 1995, GEAR CHANGE MECHANISM
KAWASAKI, KLF220-A5 1992,KLF220-A6 1993,KLF220-A7 1994,KLF220-A8 1995,KLF220-A8A 1995, CRANKCASE
KAWASAKI, KLF220-A5 1992,KLF220-A6 1993,KLF220-A7 1994,KLF220-A8 1995,KLF220-A8A 1995, ENGINE COVER(S)
KAWASAKI, KLF220-A5 1992,KLF220-A6 1993,KLF220-A7 1994,KLF220-A8 1995,KLF220-A8A 1995, CARBURETOR
KAWASAKI, KLF220-A5 1992,KLF220-A6 1993,KLF220-A7 1994,KLF220-A8 1995,KLF220-A8A 1995, OIL PUMP
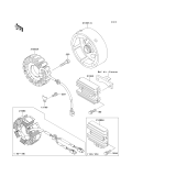
KAWASAKI, KLF220-A5 1992,KLF220-A6 1993,KLF220-A7 1994,KLF220-A8 1995,KLF220-A8A 1995, GENERATOR
KAWASAKI, KLF220-A5 1992,KLF220-A6 1993,KLF220-A7 1994,KLF220-A8 1995,KLF220-A8A 1995, IGNITION SYSTEM
KAWASAKI, KLF220-A5 1992,KLF220-A6 1993,KLF220-A7 1994,KLF220-A8 1995,KLF220-A8A 1995, STARTER MOTOR
KAWASAKI, KLF220-A5 1992,KLF220-A6 1993,KLF220-A7 1994,KLF220-A8 1995,KLF220-A8A 1995, RECOIL STARTER
KAWASAKI, KLF220-A5 1992,KLF220-A6 1993,KLF220-A7 1994,KLF220-A8 1995,KLF220-A8A 1995, FRONT BEVEL GEAR
KAWASAKI, KLF220-A5 1992,KLF220-A6 1993,KLF220-A7 1994,KLF220-A8 1995,KLF220-A8A 1995, DRIVE SHAFT/FINAL GEAR
KAWASAKI, KLF220-A5 1992,KLF220-A6 1993,KLF220-A7 1994,KLF220-A8 1995,KLF220-A8A 1995, REAR AXLE
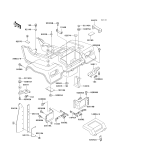
KAWASAKI, KLF220-A5 1992,KLF220-A6 1993,KLF220-A7 1994,KLF220-A8 1995,KLF220-A8A 1995, FRAME
KAWASAKI, KLF220-A5 1992,KLF220-A6 1993,KLF220-A7 1994,KLF220-A8 1995,KLF220-A8A 1995, FRAME FITTINGS
KAWASAKI, KLF220-A5 1992,KLF220-A6 1993,KLF220-A7 1994,KLF220-A8 1995,KLF220-A8A 1995, BATTERY CASE
KAWASAKI, KLF220-A5 1992,KLF220-A6 1993,KLF220-A7 1994,KLF220-A8 1995,KLF220-A8A 1995, FRONT SUSPENSION
KAWASAKI, KLF220-A5 1992,KLF220-A6 1993,KLF220-A7 1994,KLF220-A8 1995,KLF220-A8A 1995, REAR SUSPENSION
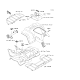
KAWASAKI, KLF220-A5 1992,KLF220-A6 1993,KLF220-A7 1994,KLF220-A8 1995,KLF220-A8A 1995, FOOTRESTS
KAWASAKI, KLF220-A5 1992,KLF220-A6 1993,KLF220-A7 1994,KLF220-A8 1995,KLF220-A8A 1995, FRONT FENDER(S)
KAWASAKI, KLF220-A5 1992,KLF220-A6 1993,KLF220-A7 1994,KLF220-A8 1995,KLF220-A8A 1995, REAR FENDER(S)
KAWASAKI, KLF220-A5 1992,KLF220-A6 1993,KLF220-A7 1994,KLF220-A8 1995,KLF220-A8A 1995, TIRES
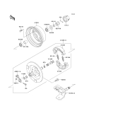
KAWASAKI, KLF220-A5 1992,KLF220-A6 1993,KLF220-A7 1994,KLF220-A8 1995,KLF220-A8A 1995, FRONT HUB
KAWASAKI, KLF220-A5 1992,KLF220-A6 1993,KLF220-A7 1994,KLF220-A8 1995,KLF220-A8A 1995, REAR HUB
KAWASAKI, KLF220-A5 1992,KLF220-A6 1993,KLF220-A7 1994,KLF220-A8 1995,KLF220-A8A 1995, BRAKE PEDAL
KAWASAKI, KLF220-A5 1992,KLF220-A6 1993,KLF220-A7 1994,KLF220-A8 1995,KLF220-A8A 1995, SHOCK ABSORBER(S)
KAWASAKI, KLF220-A5 1992,KLF220-A6 1993,KLF220-A7 1994,KLF220-A8 1995,KLF220-A8A 1995, HANDLEBAR
KAWASAKI, KLF220-A5 1992,KLF220-A6 1993,KLF220-A7 1994,KLF220-A8 1995,KLF220-A8A 1995, FUEL TANK
KAWASAKI, KLF220-A5 1992,KLF220-A6 1993,KLF220-A7 1994,KLF220-A8 1995,KLF220-A8A 1995, SEAT
KAWASAKI, KLF220-A5 1992,KLF220-A6 1993,KLF220-A7 1994,KLF220-A8 1995,KLF220-A8A 1995, CARRIER(S)
KAWASAKI, KLF220-A5 1992,KLF220-A6 1993,KLF220-A7 1994,KLF220-A8 1995,KLF220-A8A 1995, METER(S)
KAWASAKI, KLF220-A5 1992,KLF220-A6 1993,KLF220-A7 1994,KLF220-A8 1995,KLF220-A8A 1995, CABLES
KAWASAKI, KLF220-A5 1992,KLF220-A6 1993,KLF220-A7 1994,KLF220-A8 1995,KLF220-A8A 1995, GUARD(S)
KAWASAKI, KLF220-A5 1992,KLF220-A6 1993,KLF220-A7 1994,KLF220-A8 1995,KLF220-A8A 1995, HEADLIGHT(S)
KAWASAKI, KLF220-A5 1992,KLF220-A6 1993,KLF220-A7 1994,KLF220-A8 1995,KLF220-A8A 1995, TAILLIGHT(S)
KAWASAKI, KLF220-A5 1992,KLF220-A6 1993,KLF220-A7 1994,KLF220-A8 1995,KLF220-A8A 1995, CHASSIS ELECTRICAL EQUIPMENT
KAWASAKI, KLF220-A5 1992,KLF220-A6 1993,KLF220-A7 1994,KLF220-A8 1995,KLF220-A8A 1995, IGNITION SWITCH
KAWASAKI, KLF220-A5 1992,KLF220-A6 1993,KLF220-A7 1994,KLF220-A8 1995,KLF220-A8A 1995, OWNER'S TOOLS
KAWASAKI, KLF220-A5 1992,KLF220-A6 1993,KLF220-A7 1994,KLF220-A8 1995,KLF220-A8A 1995, LABELS
KAWASAKI, KLF220-A5 1992,KLF220-A6 1993,KLF220-A7 1994,KLF220-A8 1995,KLF220-A8A 1995, LABELS
KAWASAKI, KLF220-A5 1992,KLF220-A6 1993,KLF220-A7 1994,KLF220-A8 1995,KLF220-A8A 1995, DECALS
KAWASAKI, KLF220-A5 1992,KLF220-A6 1993,KLF220-A7 1994,KLF220-A8 1995,KLF220-A8A 1995, DECALS(AS)
KAWASAKI, KLF220-A5 1992,KLF220-A6 1993,KLF220-A7 1994,KLF220-A8 1995,KLF220-A8A 1995, DECALS
KAWASAKI, KLF220-A5 1992,KLF220-A6 1993,KLF220-A7 1994,KLF220-A8 1995,KLF220-A8A 1995, OPTIONAL PARTS

https://kawasakistore.de/