KAWASAKI

Spare Parts Catalogue KAWASAKI KVF650-A1 2002

92022304
92022304
ABDECK.TANK,H.GRE
1409114236A
ABDECK.TANK,UPP,H
1409114246A
ABDECKUNG
140911422
ABDECKUNG STECKVERBIN
140901331
ACHSE,RR,ANTRIEB
410681449
AKTUATOR
161721057
AKTUATOR
161721053
ANSCHLAG
430221010
AUFKLEBER AUSL.X
560401157
AUFKLEBER,WARNUNG
560701269
AUFKLEBER,WARNUNG
560701266
AUFKLEBER,WARNUNG
560701254
AUFKLEBER,WARNUNG
560701253
AUFKLEBER,WARNUNG
560701191
AUFKLEBER,WARNUNG
560701170
AUFKLEBER,WARNUNG
560701162
AUFKLEBER,WARNUNG
560701108
AUFKLEBER,WARNUNG
560701103
AUFKLEBER,WARNUNG
560401261
AUSGANGSWELLE
131071436
AUSLASSVENTIL
120051298
AUSPUFFABDECKUNG
491061269
AUSPUFFDICHTUNG
110091865
AUSPUFFHALT.DICHT. ER
110091894
AUSPUFFROHR
180881140
AUSPUFFTOPF
180871148
BEARING-NEEDLE
920461143
BEFESTIGUNGSB.,L=188
920721239
BEFESTIGUNGSBAND
920721406
BEFESTIGUNGSBAND
391831065
BEFESTIGUNGSBAND
391831059
BEFESTIGUNGSBAND L=12
92072030
BEFESTIGUNGSBAND L=14
92072031
BEFESTIGUNGSBAND L=18
92072056
BEFESTIGUNGSKLAMMER
920371163
BIRNE 12V21/5W
92069063
BIRNE,12V 10W
92069085
BIRNE,H3 12V 45/45W,T
920691114
BLINKERDICHTUNG
110091373
BOLZEN
180D0614
BORDWERKZEUG
560071472
BREMS-ENTLUEFTUNG
430561054
BREMSBELAG,VO,LINKS
430821255
BREMSBELAG,VO.RECHTS
430821273
BREMSHEBEL
460921208
BREMSHEBEL MIT FESTST
460761238
BREMSKOLBEN VO
430201056
BREMSLICHTSCHALTER
270101301
BREMSLICHTSCHALTER
270101170
BREMSLTG.,VORNE
430951187
BREMSPEDAL
430011441
BREMSSCHEIBE VORN
410801485
BREMSZANGE,VO,LI,BL
430411807DJ
BREMSZANGE,VO,RE,BL
430411806DJ
BUCHSE
920281986
BUCHSE
920281975
BSGEL
321901204
BSGEL
321901203
BSGEL
250081226
BSGEL
110521481
BSGEL
110521441
BSGEL
110521361
BSGEL
110521360
BSGEL
110521349
BSGEL
110521348
BSGEL
110521181
BSGEL
110511870
CABLE-BRAKE,REAR
540051203
CHOKEHEBEL
460921217
CHOKEZUG
540171219
CLAMP,AIR FILTER CASE
921711394
COLLAR,12X21.3X7
921521351
COUPLING,PROPELLER SH
420341162
COVER,DIFF LOCK LEVER
140911403
COVER,SIDE,FR,LH
140911428
COVER,SIDE,FR,RH
140911429
COVER,THROTTLE CABLE
140911196
COVER-ASSY,FUEL TANK
161461226
COVER-ASSY,RH
161461211
COVER-COMP
140411150
COVER-COMP,BELT CONVE
140411152
COVER-COMP,BLUE
140411149
COVER-COMP,CHANGE LEV
140411136
COVER-COMP,RED
140411148
COVER-SIDE
360011647
CR7E NGK
920701209
DAEMPFER
921601460
DAEMPFER
920751947
DAEMPFER
920751690
DAMPER,30X70X5
921611127
DAMPER,BATTERY
921601897
DAMPER,FUEL PUMP
921611272
DAMPER,FUEL TANK COVE
921611202
DAMPER,FUEL TANK,RR
921611111
DAMPER,FUSE
921611136
DAMPER,L=25.5
921611166
DAMPER,L=58.5
921611165
DAMPER,METER,UPP
921611114
DAMPER,MUFFLER
921601990
DAMPER,SHOCKABSORBER
921601777
DAMPER,SIDE COVER
921611201
DAMPER,TAIL LAMP
921601053
DAMPER,VALVE
921601451
DECKEL
510491128
DECKEL
161151072
DECKEL
140911425
DECKEL
140911421
DECKEL
140911365
DECKEL
140911347
DECKEL
140911197
DECKEL
140911194
DECKEL
140901984
DECKEL
140751105
DECKEL
140411090
DECKEL
1106512046A
DECKEL
110651154
DECKEL
110651153
DECKEL
110651152
DECKEL
110651151
DECKEL AUSGLEICHSBEHA
110121084
DECKEL, WASSERKUEHLER
490851067
DECKEL,PUMPE
161421162
DECKEL,WASSERPUMPE
161421163
DECKELDICHTUNG
490161213
DIAPHRAGM,AIR CUT VAL
430281085
DICHTG,WASSERPUMPE
110601964
DICHTG.,6.2X12X0.3
110601994
DICHTUNG
92065023
DICHTUNG
110601982
DICHTUNG
110601966
DICHTUNG
110601963
DICHTUNG
110601956
DICHTUNG
110601287
DICHTUNG 10,5X16X1
92065058
DICHTUNG AUSGLEICHSBE
110091145
DICHTUNG LUFTFILTERGE
920931522
DICHTUNG REVERSIERSTA
110601717
DICHTUNG SCHWINGE
110611065
DICHTUNG,OELABLASSSCH (VE5)
92065097
DIODE
490181052
DISC,FRICTION
410801482
DISC-ASSY
410801512
DISTANZSCHEIBE, T=0.60
920261569
DISTANZSCHEIBE, T=1.00
920261565
DRUCKSCHEIBE
410801483
DUCT,AIR FILTER JOINT
140731775
DUCT,EXHAUST
140731792
DUCT,FR
140731736
DUCT,INTAKE
140731778
DUCT-ASSY,SNORKEL,EX
390451063
DUCT-ASSY,SNORKEL,IN
390451062
DUESE
160351055
DZMPFER
921601594
DZMPFER
921601017
DZMPFER,NOCKENWELLE
130481088
EINGANGSWELLE
131271282
EINLASSVENTIL
120041146
ELEKTR.KONTROLLEINHEIT
211751084
ENTLSFTER
140691069
FAN-ASSY
595021140
FEDER
920811622
FEDER
920811621
FEDER
920811620
FEDER
92081112
FEDERSCHEIBE 5MM
461K0500
FEDERSTELLER
160071120
FELGE,HI,12X7.5AT,S.G
410251426UF
FELGE,VO,12X6.0,S.GOL
410251375UF
FILTER-OIL
490651086
FILTER-WASSER
490191068
FITTING
920051387
FITTING
920051385
FITTING
920051376
FITTING
920051375
FITTING
920051369
FITTING
920051337
FLANSCHSCHRAUBE
130P1055
FLANSCHSCHRAUBE,6X14
130J0614
FLAP,FR,RR,LH,F.BLACK
3501913916Z
FLAP,FR,RR,RH,F.BLACK
3501913926Z
FLAP,FR,SIDE,LH,F.BLA
3501913656Z
FLAP,FR,SIDE,RH,F.BLA
3501913666Z
FLAP,RR,FR,LH,F.BLACK
3501913936Z
FLAP,RR,FR,RH,F.BLACK
3501913946Z
FLAP,RR,RR,LH,F.BLACK
3501913716Z
FLAP,RR,RR,RH,F.BLACK
3501913726Z
FLAP,RR,SIDE,LH,F.BLA
3501913736Z
FLAP,RR,SIDE,RH,F.BLA
3501913746Z
FLOAT
160311097
FLUESSIGDICHTMITTEL S
92104002
FREILAUFKUPPLUNG
131941094
FUSE,5A
260061082
FUSE-ASSY
260041125
GASGRIFF
460751073
GASKET,TAIL LAMP LENS
110610055
GASSCHIEBER
161261226
GASZUG
540121646
GEAR,DRIVEN HI,30T
132601870
GEAR,DRIVEN LOW,36T
132601869
GEAR,DRIVEN REVERSE,1
132601873
GEAR,INPUT HI,26T
132601867
GEAR,INPUT LOW,20T
132601935
GEAR,INPUT REVERSE,12
132601868
GEAR,OUTPUT 29T
132601922
GEAR,OUTPUT DRIVE,18T
132601871
GEAR,OUTPUT REVERSE,1
132601872
GEAR,STARTER
160851238
GEAR-BEVEL,16T
490221178
GEAR-BEVEL,35T
490221190
GEAR-BEVEL,DIFF,8T
490221189
GEAR-BEVEL,DRIVE,12T
490221192
GEAR-BEVEL,DRIVNE,20T
490221193
GEAR-BEVEL,RR,35T
490221191
GEAR-COMP,RR,8T
132161188
GEHAEUSE WASSERFILTER
161601151
GEHZUSE
140551156
GELENK,VO-LI
391860041
GELENK,VO-RE
391860042
GENERATORDECKEL
140311374
GETRIEBE-HEBEL,10T
490221177
GETRIEBEGEHZUSE
140571005
GETRIEBEGEHZUSE
140571004
GETRIEBEGEHZUSE
140551155
GETRIEBEGEHZUSE
140551149
GEWICHT
391521088
GEWICHT WANDLER
391521081
GLEITROLLE
921221209
GRIFF
460751056
GRIP,SHIFT
460751185
GROMMET
920711266
GROMMET
920711264
GROMMET,AIR SUCTION V
920711249
GUARD,ENGINE,UNDER
550201712
GUARD,FR,LWR,S.GOLD
550201760UF
GUARD,FR,UPP,S.GOLD
550201741UF
GUARD,FRONT AXLE,LH
550201768
GUARD,FRONT AXLE,RH
550201769
GUARD,FRONT SKID,S.GO
550201748UF
GUARD,RR,CASE
550201708
GUARD,SWING ARM
550201756
GUIDE
130701352
GUIDE,CONTROL SHAFT
130701382
GUIDE,STRUT
130701383
GUIDE-CHAIN
120531440
GUMMIDAEMPFER
92075209
GUMMIDAEMPFER
92075157
GUMMIDAEMPFER
920751002
GUMMIDAEMPFER
92075051
GUMMIDAEMPFER BENZINT
920751787
HALTER
14067006
HALTER FILTEREL.,OBEN
132801171
HALTER, BREMSZYLINDER
430341163
HALTER,FILTEREL.,UNTE
132801170
HANDBREMSSEIL
540051211
HARNESS,MAIN
260301958
HARNESS,SUB
260301932
HAUPTDUESE #132
920631076
HAUPTDUESE #135
920631014
HAUPTDUESE #138 (KLR600-KIT)
920631015
HAUPTDUESE #140
920631013
HAUPTDUESE #142
920631016
HAUPTDUESE #145
920631017
HAUPTDUESE #148
920631324
HAUPTDUESE 2ND #125
920631069
HAUPTDUESE 2ND #128(Z
920631074
HAUPTDUESE 2ND #130
920631075
HAUPTKABELBAUM
260301899
HAUPTZYLINDER,KPL
430151666
HEBEL
131681715
HEBELSCHUTZ,FR,H.GRE
5944111596A
HEBELSCHUTZ,RR,H.GRE
5944111506A
HINGE,FUEL TANK COVER
530091110
HINWEISLABEL
560701251
HOLDER
132801169
HOLDER
130911992
HOLDER,BULB SETTING
132801198
HOLDER,DIFF LOCK LEVE
132801226
HOLDER,JET
132801096
HOLDER,LEVER,LH
132801227
HOLDER-CARBURETOR
160651370
HOLDER-CARBURETOR,RR
160651371
HOLDER-COMP-CALIPER,F
430441131
HOLDER-COMP-CALIPER,F
430441130
HOOK
270121577
HOOK-ASSY,FUEL TANK COVER
530451070
HORN
270031413
HOSE-COOLING,5.5X10.5
390621872
HOSE-COOLING,CARB-VAL
390621817
HOSE-COOLING,FILTER-C
390621858
HOSE-COOLING,HEAD,FR-
390621820
HOSE-COOLING,HEAD,RR-
390621874
HOSE-COOLING,HEAD-FIL
390621816
HOSE-COOLING,THERMO-R
390621875
HOSE-COOLING,VALVE-WA
390621818
HOUSING-ASSY-CONTROL,
460911847
HOUSING-BEARING
410461102
HOUSING-BEARING
410461101
HOUSING-CLUTCH,DISC
130961163
HUELSE
921431057
HUELSE 6,8X10X12
92027162
HUELSE SCHUTZBL.
920271936
HSLSE
921521358
HSLSE
921521332
HSLSE
921521293
HSLSE
921521222
HSLSE
921521176
HSLSE
921431857
HSLSE
921431216
HSLSE,L=33.7
921521227
HSLSE,L=65
921521226
HÜLSE
921521356
HÜLSE
921521349
HÜLSE
921521296
HÜLSE
921521295
HÜLSE
921521240
HÜLSE
921521152
HÜLSE
921431353
IMPELLER,WATER PUMP
592561069
INBUSSCHRAUBE
120S0510
KABELBSGEL
110511762
KABELFUEHRUNG
920371539
KABELHALTER
921711326
KAPPE
21017017
KAPPE
110121420
KAPPE BLINKERHALTER
110121367
KAPPE GABEL
110121283
KAPPE HAUPTBREMSZYLIN
430261074
KEIL
510A4200
KETTE
920571486
KETTE,SEKUNDÄR ANTRIEB
920571488
KETTENFUEHRUNG FEST Z
120531443
KETTENSPANNER ZWISCHE
120481177
KETTENSPANNSCHIENE
120531442
KETTENSPANNSCHIENE
120531441
KETTENSPANNSCHIENE ZW
120531444
KEY-LOCK,BLANK AR80-A1
270081042
KIPPHEBEL,AUSLASS
120161128
KIPPHEBEL,EINLASS
120161129
KLAMMER
921711449
KLAMMER
921711383
KLAMMER
921711357
KLAMMER
921711344
KLAMMER
921711336
KLAMMER
921711330
KLAMMER
921711329
KLAMMER
921711095
KLAMMER
921702042
KLAMMER
921701925
KLAMMER
921701833
KLAMMER
921701764
KLAMMER
921701763
KLAMMER
921701722
KLAMMER
921701514
KLAMMER
921701497
KLAMMER
921701493
KLAMMER
921701492
KLAMMER
921701491
KLAMMER
920371730
KLAMMER
920371603
KLAMMER
920371552
KLAMMER
92037147
KLAMMER
920371460
KLAMMER
920371201
KLAMMER KABELSTRANG
920371878
KLAMMER,SCHLAUCH
920371104
KOHLEBUERSTE
210391063
KOHLEBUERSTENFEDER
210401057
KOLBEN
130011574
KOLBENBOLZEN
130021060
KOLBENDICHTUNG
430491059
KOLBENRINGSATZ
130081198
KOTFL,HINTEN,H.GREEN
3502315656A
KOTFL,VORNE,H.GREEN
3500414526A
KRAFTSTOFFPUMPE
490401076
KREUZGELENK
490501078
KREUZSCHLITZSCHRAUBE
224C0612
KREUZSCHLITZSCHRAUBE
223C0512
KREUZSCHLITZSCHRAUBE
220D0408
KREUZSCHLITZSCHRAUBE
220C0625
KREUZSCHLITZSCHRAUBE
220C0535
KREUZSCHLITZSCHRAUBE
220C0525
KREUZSCHLITZSCHRAUBE
220B0440
KREUZSCHLITZSCHRAUBE
220B0308
KRONENMUTTER 12MM
321H1200
KRONENMUTTER,20MM
922101335
KRSMMERABDECKUNG
491071210
KUEHLER
390601177
KUEHLWASSERRELAIS
270021055
KUGEL
921401064
KUGELGELENK
592661125
KUGELGELENK
592661123
KUGELGELENK
592661122
KUGELGELENK
592661118
KUGELGELENK
592661117
KUGELLAGER
920451415
KUGELLAGER
920451403
KUGELLAGER
920451389
KUGELLAGER
601A6305
KUGELLAGER
601A6304
KUGELLAGER
601A6004
KUGELLAGER
601A6000
KUGELLAGER 6206C3
601B6206
KUGELLAGER 6306 SH2
920451190
KUGELLAGER,30BWD08A
920451448
KUGELLAGER,60/32
920451393
KUGELLAGER,62/28
920451207
KUGELLAGER,6901
920451246
KUGELLAGER,6910
920451394
KUGELLAGER,BX30-1C3
920451391
KUGELLAGER,TMBO/28C
920451427
KUPPLUNGSHEBEL
420341187
KURBELGEHAUSE
140011294
KURBELWELLE,KPL
130311473
KAPPE ENTLÜFTERNIPPEL
43057003
KLAMMER (VE5)
16044007
KSHLUNGSSCHLAUCH
390621893
KSHLUNGSSCHLAUCH
390621823
LABEL,IGNITION SWITCH
560301086
LABEL-MANUAL,MANUAL
560331263
LABEL-WARNING,AGE REC E
560701110
LAGERSCHALE PLEUEL,GR
920281961
LAGERSCHALE,PLEUEL
920281963
LAGERSCHALE,PLEUEL
920281962
LAMPENGEH,KPL,LINKS
230051180
LAMPENGEH,KPL,RECHTS
230051181
LEERLAUFDÜSE,#40
920641232
LEERLAUFEINSTELLSCHRAUBE
920011998
LENKER
460031566
LENKERHALTER
460121168
LENS,REVERSE LAMP
230261227
LEVER,BRAKE
131681687
LEVER,DIFF
131681724
LEVER,DIFFERENTIAL
131681725
LEVER,LH
131681736
LEVER-ASSY,DIFF LOCK
133201018
LEVER-ASSY-THROTTLE
390741062
LEVER-BRAKE CAM
410531094
LEVER-COMP,BLUE
132361386
LEVER-COMP,CHANGE
132361377
LEVER-COMP,CHANGE LEV
132361343
LEVER-COMP,ENGINE BRA
132361387
LEVER-COMP,RED
132361385
LEVER-COMP,SHIFT
132361384
LEVER-THROTTLE
390751062
LIMITER,STARTER
390761076
LUFTDRUCKPRUEFER
520051082
LUFTFILTER
110131287
LUFTFILTERGEHAEUSE UN
110111643
LUFTFILTERGEHAEUSE,OB
110111641
MANSCHETTE
920271908
MANSCHETTE
490061358
MANSCHETTE
490061353
MANSCHETTE
490061352
MANSCHETTE
490061351
MANSCHETTE
490061343
MANSCHETTE
490061342
MANSCHETTE
490061341
MANSCHETTE
490061338
MANSCHETTE
490061292
MANSCHETTE
490061040
MANSCHETTE L=16.1
920271847
MANSCHETTE L=4.7
920271964
MARK,FR FENDER,KAWASAKI
560521201
MARK,FUEL TANK COVER,KAWA
560521500
MARK,RR FENDER,V-TWIN
560521513
MAT
530041161
MAT,BATTERY CASE
530041166
MAT,FUEL TANK
530041165
MAT,FUEL TANK
530041164
MAT,FUEL TANK COVER
530041148
MAT,RR FENDER
530041141
MAT,STORAGE CASE
530041139
MAT,STORAGE CASE CAP
530041147
MEMBRANE HAUPTBREMSZY
430281061
MUTTER
922101323
MUTTER
922101269
MUTTER
922101109
MUTTER
922101081
MUTTER
920151829
MUTTER
920151692
MUTTER
920151487
MUTTER
41072007
MUTTER
320H1000
MUTTER
311C0500
MUTTER (VPE10)
92019008
MUTTER 4MM
23020018
MUTTER 6MM SCHWARZ
312C0600
MUTTER 8MM
920151696
MUTTER 8MM
318G0800
MUTTER,10MM
922101325
MUTTER,10MM
920151717
MUTTER,10MM
920151494
MUTTER,10MM
920151460
MUTTER,12MM
920151617
MUTTER,12MM
920151433
MUTTER,22MM
920151229
MUTTER,30MM
922101294
MUTTER,35MM
922101226
MUTTER,5MM
920151757
MUTTER,5MM
920151259
MUTTER,5MM,POP
922101227
MUTTER,6MM
920151678
MUTTER,6MM
920151476
MUTTER,6MM
920151464
MUTTER,6MM
920151410
MUTTER,6MM
920151367
MUTTER,6MM
920151339
MUTTER,6MM
920151233
MUTTER,6MM
920151094
MUTTER,8MM
920151432
MUTTER,8MM
920151397
MUTTER,8MM
920151311
MUTTER,LI,THREAD 8MM
922101284
MUTTER,RE,THREAD 8MM
922101242
MUTTER,SCHEIBE
922101225
MUTTER 10MM
920151428
MUTTER 5MM
920151573
NADELDSSE
160171441
NADELDSSE,NAZH
161871199
NADELLAGER
920461277
NADELLAGER,AJ5015
920461281
NADELLAGER,AK1116
920461286
NADELLAGER,HI GEA
920461276
NADELLAGER,LOW GE
920461278
NADELLAGER,REVERS
920461279
NADELLAGER,TA2015
920461118
NADELLAGER,TA2027
920461290
NADELLAGER,TA6274
920461282
NIETE
920393719
NOCKENWELLE HINTEN KP
491181194
NOCKENWELLE VORNE KPL
491181193
NUT,10MM
315B1000
NUT,6MM
92016061
NUT,CASTLE,18MM
922101228
NUT-CASTLE
320G1200
NUT-LOCK
920151596
O RING
671D2585
O RING
671D2550
O RING
671D2530
O RING
671D25145
O-RING
920552064
O-RING
920551276
O-RING
670D3022
O-RING
670D2018
O-RING
670D1505
O-RING 38MM
920551295
O-RING 19.8X2.2
920551215
O-RING 15MM
670B2015
O-RING 16MM
670B2016
O-RING 20MM
670B2020
O-RING 16MM
670D2016
O-RING 18.8X1.9
92055086
O-RING 20X2
920551146
O-RING 4.5X2.0
920551370
O-RING 44,7X2,4
920551279
O-RING 7MM
670D1507
O-RING 9MM
670D1509
O-RING ANLASSER
920551381
O-RING OELABLASSSCHRAUBE
920551136
O-RING BENZINHAHN (VE5)
920551419
OELABLASSSCHRAUBE 12X
920661174
OELFILTER
160971068
PACKING
430491088
PACKING,TAP VALVE
430491091
PASSSTIFT 4X8
551A0408
PATTERN,FUEL TANK COVER,L
560641943
PATTERN,FUEL TANK COVER,R
560641944
PAWL,RECOIL
131651123
PIN
920431573
PIN,2X9.8
920431649
PIN,3X35
920431617
PIN,8X14
920431567
PIN,CAM SENSOR
920431575
PIN,HINGE
920431623
PIN-COTTER,2.0X15
550D2015
PIN-COTTER,2.0X22
550D2022
PIN-SNAP
554A0800
PIPE
321531189
PIPE,RR FENDER
321531606
PIPE-OIL,CRANKCASE,LH
391931053
PIPE-OIL,CRANKCASE,RH
391931054
PIPE-OIL,CRANKSHAFT
391931052
PIPE-WATER
391921133
PIPE-WATER
391921132
PISTON-CALIPER
430481083
PISTON-ENGINE L,O/S 0
130290001
PLATE
132711369
PLATE,CAM
132711497
PLATE,DISC
132711503
PLATE,FR FENDER CAP
132711640
PLATE,HEAT GUARD
132711718
PLATE,LEVER LOCK
132711635
PLATE,LOCK
132711259
PLATE,RR DRIVE SHAFT
132711367
PLATE,WIRE OUTER STOP
132711636
PLATE-HEAT GUARD
180181134
PLATE-POSITION,DRIVE
140141148
PLATE-THRUST
490741055
PLEUEL
132511130
PLEUELSCHRAUBE
920011980
PLUG
920661534
PLUG
920661289
PLUG E
920661550
PLUNGER
160161117
PULLEY-STARTING
490801057
QUERLENKER,LH
390070058
QUERLENKER,RH
390070059
RAD,34Z,NOCKENWELLE
120461203
RADNABE HINTEN
490301137
RADNABE VORN
490301135
RAHMEN,KPL,
321601734
RECHTECKRING BREMSKOLBEN
430491090
REEL
591011109
REGULATOR-VOLTAGE
210661112
REIBLAMELLE
130881073
REIFEN ,AT25X8-12,KT1
410091117
RELAIS
270021097
RELAIS
270021086
RESERVOIR
430781171
REVERSIERSTARTER
490881056
RING-O
920551644
RING-O
920551632
RING-O
920551630
RING-O,158.5X3.70
920551631
RING-O,BEVEL
920551633
RING-O,ENGINE SIDE
920551634
RING-O,FLOAT
920551589
RING-SET-PISTON L,O/S
130250001
RING-SNAP
920331320
RING-SNAP
920331317
RING-SNAP
920331274
RIVET
920391229
RIVET,3.2X8
920393763
ROD-SHIFT
490471104
ROD-TIE,SHIFT
391111174
RODEND-TIE
391121085
RODEND-TIE
391121083
RODEND-TIE
391121079
RODEND-TIE,CHANGE LEV
391121080
RODEND-TIE,CONTROL PI
391121084
ROHR OELFILTER
320331535
ROLLENLAGER 4T30203E1
921161001
ROPE
591061103
ROTOR
210071367
ROTOR,REVERSE SENSOR
210071411
RUECKFAHRSCHEINWERFER
230161182
RUECKLICHT,KPL.,
230241130
RUECKLICHTGLAS
230261230
RUECKSTRAHLER
280121088
SCHALE
921391078
SCHALTER HUPE
270101285
SCHALTER,KPL.
270451081
SCHALTER,LEERL.
131511080
SCHEIB,10.5X25X1.6
922001595
SCHEIB,20.3X33X2.0
922001351
SCHEIB,8X24X0.10
922001574
SCHEIBE FREILAUFKUPPL
920481090
SCHEIBE,6.5X20X1.6
92022125
SCHEIBE9.5X18X1.2
922001037
SCHEINWERFER,LINKS,EI
230071389
SCHEINWERFER,RECHTS,E
230071390
SCHELLE L=80,5
920371903
SCHIEBERANSCHLAGSCHRA
920091667
SCHLAUCHSCHELLE
920371860
SCHLAUCHSCHELLE
920371589
SCHLAUCHSCHELLE
920371505
SCHLAUCHSCHELLE
920371461
SCHLUESSEL
921101152
SCHLUESSEL
920381051
SCHLUESSELABDECKUNG
140241551
SCHLUESSELROHLING
270081135
SCHLUESSELROHLING
270081134
SCHLUESSELROHLING
270081133
SCHLUESSELROHLING
270081132
SCHLUESSELROHLING
270081044
SCHLUESSELROHLING
270081043
SCHLUESSELROHLING
270081041
SCHRAUBE
921531065
SCHRAUBE
921531060
SCHRAUBE
921511917
SCHRAUBE
921511781
SCHRAUBE
921511701
SCHRAUBE
921511699
SCHRAUBE
921511688
SCHRAUBE
921511687
SCHRAUBE
921511393
SCHRAUBE
921501987
SCHRAUBE
920091652
SCHRAUBE
920021894
SCHRAUBE
920021840
SCHRAUBE
223D0408
SCHRAUBE
220B0408
SCHRAUBE
180Y0620
SCHRAUBE
132Y0875
SCHRAUBE
132Y0830
SCHRAUBE
132Y08110
SCHRAUBE
132Y0695
SCHRAUBE
132Y0665
SCHRAUBE
132Y0655
SCHRAUBE
132Y0640
SCHRAUBE
132Y0630
SCHRAUBE
132Y0620
SCHRAUBE
132Y06130
SCHRAUBE
132Y0612
SCHRAUBE
132J0880
SCHRAUBE
132J0850
SCHRAUBE
132J0825
SCHRAUBE
132J0820
SCHRAUBE
132J0818
SCHRAUBE
132J0816
SCHRAUBE
132J0814
SCHRAUBE
132J0690
SCHRAUBE
132J0650
SCHRAUBE
132J0630
SCHRAUBE
132J0612
SCHRAUBE
132H0822
SCHRAUBE
132H0616
SCHRAUBE
132G0640
SCHRAUBE
132G0630
SCHRAUBE
130Z0825
SCHRAUBE
130Z0820
SCHRAUBE
130Z0620
SCHRAUBE
130T0655
SCHRAUBE
130T0630
SCHRAUBE
130J0822
SCHRAUBE
130G0516
SCHRAUBE
120Z0620
SCHRAUBE
120P0610
SCHRAUBE 10
130P1020
SCHRAUBE 12
920011693
SCHRAUBE 12X67
920021861
SCHRAUBE 4 MM
920091458
SCHRAUBE 4X12
920091444
SCHRAUBE 4X12
920021323
SCHRAUBE 4X20
920091897
SCHRAUBE 4X25
920091069
SCHRAUBE 5X10
920091332
SCHRAUBE 5X14
920091197
SCHRAUBE 5X16 (VE5)
920091654
SCHRAUBE 6
130J0618
SCHRAUBE 6
130G0635
SCHRAUBE 6
130G0620
SCHRAUBE 6
120P0612
SCHRAUBE 6
112G0620
SCHRAUBE 6X10
920091402
SCHRAUBE 6X10
920021449
SCHRAUBE 6X12
920091480
SCHRAUBE 6X12
130B0612
SCHRAUBE 6X14 (VE5)
920091662
SCHRAUBE 6X16
920091621
SCHRAUBE 6X28
120P0628
SCHRAUBE 8
130G0816
SCHRAUBE 8X16
120P0816
SCHRAUBE HANDBREMSHEB
920011728
SCHRAUBE L=23
920021888
SCHRAUBE SCHWARZ 6
120S0614
SCHRAUBE SCHWARZ 6X18
920091181
SCHRAUBE, 6X45
921501884
SCHRAUBE,10X120
921511914
SCHRAUBE,10X19.5
921511910
SCHRAUBE,10X190
921511915
SCHRAUBE,10X29.5
921511392
SCHRAUBE,10X35
921511909
SCHRAUBE,10X65
921511709
SCHRAUBE,4X10
920091936
SCHRAUBE,5X10
921511975
SCHRAUBE,5X11.5
921511754
SCHRAUBE,5X12
921511305
SCHRAUBE,5X143
921531068
SCHRAUBE,5X18,SW
920091655
SCHRAUBE,5X20
921511976
SCHRAUBE,64MM
920091914
SCHRAUBE,6X
132H0625
SCHRAUBE,6X12
921511944
SCHRAUBE,6X14
921511780
SCHRAUBE,6X20
921501633
SCHRAUBE,6X30
920091961
SCHRAUBE,6X60
921511795
SCHRAUBE,8MM
921511689
SCHRAUBE,8X19
921511793
SCHRAUBE,8X20
921501760
SCHRAUBE,8X20
130T0820
SCHRAUBE,8X30
921511908
SCHRAUBE,8X30
921501728
SCHRAUBE,8X40
921512130
SCHRAUBE,8X50
921511794
SCHRAUBE,8X53
921511711
SCHRAUBE,8X58
921531061
SCHRAUBE,LUFTFILTER
921531052
SCHRAUBE,LUFTFILTER
921531051
SCHRAUBE,LUFTFILTER
921511686
SCHRAUBE,SCHIEBERANSC
920091664
SCHRAUBE,VERG.-DECKEL 4X4,4
920091549
SCHRAUBENZIEHER
92107005
SCHWINGE,KPL,
330011585
SCREEN,RADIATOR
140371283
SCREW
920091959
SCREW,TAPPING,5X20
920091968
SCREW,TAPPING,5X30
920091965
SCREW,TAPPING,5X40
920091928
SCREW-CABLE ADJUST
920091435
SCREW-PAN-CROS
220D0414
SCREW-PAN-CROSS
220D0308
SCREW-PAN-WP-CROS
224D0445
SCREW-PILOT AIR
160141105
SCREW-THROTTLE STOP
160211238
SEAL
920931555
SEAL
920931548
SEAL-"U"RING
920931046
SEAL-OIL
920491578
SEAL-OIL
920491570
SEAL-OIL
920491529
SEAL-OIL
920491528
SEAL-OIL,HTC35X48X7
920491538
SEAL-OIL,HTCY 62X81X1
920491536
SEAL-OIL,KB 13X19X13
920491572
SEAL-OIL,MF020N3
920491539
SEAL-OIL,SC40X52X7
920491592
SEAL-OIL,SDD7 22X48X7
920491534
SEAL-OIL,SR7 39.6X49X6-2
920491580
SEAL-OIL,TC 12X22X7
920491550
SEAL-OIL,TC17X28X6
920491537
SEAL-OIL,TCY 48X65X8
920491573
SEAL-OIL,TCY40X58X8
920491571
SEAT-SPRING
160071203
SEAT-SPRING,PROPELLER
160071205
SEAT-SPRING,SHEAVE MO
160071221
SECHSKANTSCHRAUBE 5
921501420
SECHSKANTSCHRAUBE 5
921501243
SEILZUG,DIFF.SPERRE
540101123
SEITENDECK,HI,LINKS
140911282
SEITENDECK,HI,RECHTS
140911283
SENSOR,GESCHWINDIGKEI
211761104
SENSOR,REVERSE
211761109
SHAFT
131071438
SHAFT,BEVEL
131071447
SHAFT,CHAIN GUIDE,FR
131071443
SHAFT,CHAIN GUIDE,RR
131071444
SHAFT,FR PROPELLER SH
131071473
SHAFT,REVERSE,1DLE
131071437
SHAFT,SECONDARY
131071445
SHAFT-ASSY,RR DRIVE S
133101026
SHAFT-COMP,OIL PUMP
132341112
SHAFT-COMP-STRG
391141087
SHAFT-ROCKER
120201083
SHAFT-SWING ARM,LEFT
330321197
SHAFT-SWING ARM,RIGHT
330321200
SHEAVE-COMP
593021097
SHEAVE-COMP
593021096
SHEAVE-COMP
593021077
SHEAVE-MOVABLE
593011062
SHIFTER
131391096
SHIFTER,DIFFERENTIAL
131391095
SHIM,32X42X0.15
921801399
SHIM,32X42X0.20
921801400
SHIM,32X42X0.50
921801401
SHIM,32X42X0.70
921801402
SHIM,32X42X0.90
921801404
SHIM,32X42X1.00
921801405
SHIM,32X42X1.00
921801403
SHIM,32X42X1.10
921801406
SHIM,32X42X1.20
921801407
SHIM,50X61X0.15
921801408
SHIM,50X61X0.20
921801409
SHIM,50X61X0.50
921801410
SHIM,50X61X0.70
921801414
SHIM,50X61X0.70
921801411
SHIM,50X61X0.80
921801412
SHIM,50X61X0.90
921801415
SHIM,50X61X0.90
921801413
SHIM,50X61X1.10
921801416
SHIM,55X64X0.15
921801420
SHIM,55X64X0.20
921801418
SHIM,55X64X0.50
921801419
SHIM,55X64X0.80
921801417
SHIM,55X64X1.00
921801421
SHIM,55X64X1.20
921801422
SHIM,60X72X0.15
921801424
SHIM,60X72X0.20
921801423
SHIM,60X72X0.50
921801425
SHIM,60X72X0.80
921801426
SHIM,60X72X1.00
921801427
SHIM,60X72X1.20
921801428
SHIM,62X71X0.15
921801390
SHIM,62X71X0.20
921801391
SHIM,62X71X0.50
921801392
SHIM,62X71X0.70
921801393
SHIM,62X71X0.80
921801394
SHIM,62X71X0.90
921801395
SHIM,62X71X1.00
921801396
SHIM,62X71X1.10
921801397
SHIM,62X71X1.20
921801398
SHIM,DRIVE,T=0.10
921801351
SHIM,DRIVE,T=0.12
921801352
SHIM,DRIVE,T=0.15
921801311
SHIM,DRIVE,T=0.20
921801312
SHIM,DRIVE,T=0.50
921801313
SHIM,DRIVE,T=0.80
921801314
SHIM,DRIVEN,T=0.15
921801307
SHIM,DRIVEN,T=0.20
921801308
SHIM,DRIVEN,T=0.50
921801309
SHIM,DRIVEN,T=0.80
921801310
SHIM,DRIVEN,T=1.00
921801349
SHIM,DRIVEN,T=1.20
921801350
SHOE,T=7.2
490481078
SHOE,T=7.3
490481079
SHOE,T=7.4
490481080
SHOE,T=7.5
490481081
SHOE,T=7.6
490481082
SHOE,T=7.7
490481083
SHOE,T=7.8
490481084
SHOE,T=7.9
490481085
SHOE,T=8.0
490481086
SHROUD,FR,LWR
491251079
SHROUD,FR,UPP
491251081
SICHERUNG 10A-R
260061007
SICHERUNG 15A
260061061
SICHERUNGSRING
920331207
SICHERUNGSRING
480J1000
SICHERUNGSRING 28MM
480J2800
SICHERUNGSRING 37MM
481J3700
SICHERUNGSRING 6 M/M
482J6000
SICHERUNGSRING 8MM
920331039
SICHERUNGSRING TYPE C
481J2500
SICHERUNGSRING TYPE C
480J3200
SIMMERRING
920491458
SIMMERRING
490631002
SIMMERRING 26406
920491030
SIMMERRING AC037AE0
920491228
SIMMERRING,TC35508
920491452
SIMMERRING,VENTILSCHA (VE5)
920491218
SITZ, S.M.BRAUN
530011977MB
SLEEVE,12X20X26.7
420361365
SPACER
920261415
SPACER,21.2X29X1.6
920261568
SPACER,28.2X34.5X1.6
920261587
SPACER,48.2X54.3X1.0
920261599
SPACER,HI&LOW
920261600
SPACER,T=0.1
920260038
SPACER,T=1.40
920261570
SPLINT 3.OX25
550D3025
SPLINT 4X25
550D4025
SPLINT BREMSBELAEGE
43084003
SPRENGRING
482L8000
SPRENGRING 25.9X1.2T
920331037
SPRENGRING, TYP E
482J5000
SPRING
921451429
SPRING
921451392
SPRING
921451298
SPRING
921451295
SPRING
921451293
SPRING
921451227
SPRING,AIR CUT VALVE
921451450
SPRING,BRAKE LEVER RE
921451313
SPRING,BRAKE PEDAL RE
921451421
SPRING,BRAKE SWITCH
921451422
SPRING,BULB SETTING
921451346
SPRING,CHANGE LEVER
921451299
SPRING,CHANGE POSITIO
921451297
SPRING,CONTROL
921451441
SPRING,DECOMP
921451303
SPRING,DIFF RETURN
921451344
SPRING,FOCUS ADJUST
920811896
SPRING,FRICTION
921441206
SPRING,PAD
921451354
SPRING,PAD
921451260
SPRING,PROPELLER SHAF
921451304
SPRING,RECOIL
921441205
SPRING,RETURN
921441207
SPRING,RR BRAKE
921451301
SPRING,RR DRIVE SHAFT
921451300
SPRING,STRUT
921451445
SPRING,STRUT
921450009
SPRING,YELLOW
921451462
SPRING-ENGINE VALVE
490781073
SPRITZBLECH
180201278
SPROCKET,2ND SHAFT,21T&17
120461207
STAHLKUGEL
600A1100
STAHLKUGEL
600A1000
STARTER-ELECTRIC
211631320
STATOR
210031359
STAUBKAPPE HAUPTBREMS
490161044
STAUBSCHUTZ BREMSZANGE
490061055
STAUBSCHUTZ BREMSZANGE
490061054
STAY,REVERSE LAMP
350631200
STAY,RR FENDER
350631100
STEP,FOOT PEG,S.GOLD
340281487UF
STEP,LH,S.GOLD
340281521UF
STEP,RH,S.GOLD
340281513UF
STEUERKETTE
920571487
STEUERKETTENSPANNER
120481176
STIFT
92043076
STIFT 10.1X12X14
920434009
STIFT 10X8.7X14
920431037
STIFT 6.2X8X14
920431263
STIFT 8.2X10X14 (VE5)
920431264
STIFT 8X16
920431013
STIFT BREMSBELAEGE
920431356
STOPFEN
920661438
STOPFEN
920661303
STOPFEN 12X25
92068006
STOPFEN 25X8
920661161
STOPFEN 9,5X8
920661077
STOPFEN LIMADECKEL
920661163
STOPPER
320851517
STOPPER
320851437
STOSSDAEMPFER
450141767
STRUT
450231014
STUD E
920041217
SWITCH,BRAKE
270101294
SWITCH,INVERT SENSOR
270101421
SWITCH,MAGNETIC
270101376
SWITCH,SENSOR WATER
270101346
SWITCH-COMP,D.C.TERMINAL
131511094
SCHRAUBE ABLASS M6 X 0.75
920091551
SCHWIMMERNADELVENTIL
160301007
TACHOMETER,KM/H
250311217
TACHOMETER,MPH
250311162
TANK,KPL
510011638
TAP-ASSY,FUEL
510231341
TASSENSTOESSEL
120091056
THERMOSTAT
490541055
THERMOSTATGEHAEUSE OB
161601113
THERMOSTATGEHAEUSE UN
161601112
TIRE,RR,AT25X10-12,KT
410091380
TOOL DRIVER#2PHILLIPS
921071053
TOOL-WRENCH
921101116
TOOL-WRENCH,HOOK
921101173
TOOL-WRENCH,OPEN END,
921101153
TRENNSCHEIBE
410801484
TRIM-SEAL
391451135
TRIM-SEAL,CONTROL GUI
391451121
TRZGER,HI
530291251
TRZGER,HI,S.GOLD
530291245UF
TRZGER,VO
530291250
TRZGER,VO,S.GOLD
530291235UF
TUBE,4.5X8X420
921911674
TUBE,4.5X8X65
921911673
TUBE,4.7X9.5X800
921911594
TUBE,5.3X10.3X200
921911694
TUBE,5.3X10.5X425
921911665
TUBE,5X9X160
921911641
TUBE,7X10X100
920591736
TUBE,7X11X210
921911494
TUBE,7X11X25
921911672
TUBE,7X11X470
921911531
TUBE,BREATHER
921911638
TUBE,BREATHER
921911595
TUBE,BREATHER
921911593
TUBE,CANISTER-SEPARAT
921911384
TUBE,OIL RETURN
921911449
TUBE,TANK BREATHER
921911666
TUBE,TANK-FRONT
921911639
TUBE,TANK-REAR
921911640
TUBE-RUBBER,7X10X35
702A07035
TUELLE
920711131
TUELLE
920711128
U-SCHEIBE 10,5X15X1,5
43067001
U-SCHEIBE 10.5X19X2.3
922001042
U-SCHEIBE 5,2X13X1
920221380
U-SCHEIBE 5,2X16X1,2
25009004
U-SCHEIBE,3.5X8X1
922001251
UNTERLEGSCHEIBE
922001559
UNTERLEGSCHEIBE
922001558
UNTERLEGSCHEIBE
922001505
UNTERLEGSCHEIBE
922001503
UNTERLEGSCHEIBE
920223742
UNTERLEGSCHEIBE 11,5X
920221720
UNTERLEGSCHEIBE 12.3X22X1,6
920221065
UNTERLEGSCHEIBE 15.5X
920221049
UNTERLEGSCHEIBE 4MM
23058002
UNTERLEGSCHEIBE 5 MM
920221837
UNTERLEGSCHEIBE 5MM
920221838
UNTERLEGSCHEIBE 6.5X1
920221093
UNTERLEGSCHEIBE 7X16X
920221344
UNTERLEGSCHEIBE 8.5X1
920221582
UNTERLEGSCHEIBE 8MM
410B0800
UNTERLEGSCHEIBE 9,1X1
920221132
UNTERLEGSCHEIBE 9,1X18X0,2
21025011
UNTERLEGSCHEIBE T=2.0
920221458
VALVE-ASSY
491161126
VALVE-ASSY
491161081
VALVE-ASSY-RELIEF
161301058
VALVE-CHECK
160871054
VENTIL
161264001
VENTIL LUFTFILTERKAST
140691051
VENTILATORSCHALTER
270101202
VENTILEINSTELLSCHRAUBE
92013009
VENTILFEDERSITZ,17.5X
160071178
VENTILFUEHRUNG
490021097
VENTILKEIL
120111051
VERBINDUNG
590713717
VERBINDUNG
590713705
VERBINDUNGSSTANGE
391111090
VERBINDUNGSSTUECK T-F
920051112
VERGASER,KPL.,
150031557
VERGASER,LINKS
150111871
VERGASER,RECHTS
150111872
WANDLER KPL.ANGETRIEB
490941094
WANDLER KPL.ANTRIEB
490931072
WANDLERRIEMEN
590111080
WARNAUFKLEBER
560401321
WASHER,10.2X16X1
920221829
WASHER,13X17X0.3
922001508
WASHER,2ND,3RD,4TH E
922001240
WASHER,SPRING
922001504
WEIGHT,DECOMP
130421141
WERKZEUGFACH
390121064
WERKZEUGTASCHE
560081007
WIRE-LEAD
260111814
WIRE-LEAD
260111797
WIRE-LEAD
260111755
WIRE-LEAD,BATTERY(+)
260111790
WIRE-LEAD,BATTERY(-)
260111752
WIRE-LEAD,FRONT BRAKE
260111802
WIRE-LEAD,HEAD LAMP
260111741
WIRE-LEAD,SPEED SENSO
260111801
YTX14-BS
260121414
ZAHNRAD
161542060
ZAHNRAD
161542059
ZUENDBOX
211191598
ZUENDKERZENSTECKER
211301071
ZUENDSCHLOSS KOMPL.
270051230
ZUENDSPULE HINTERER Z
211211306
ZUENDSPULE VORDERER Z
211211292
ZYL-KOPF,HINTEN
110081386
ZYL-KOPF,VORNE
110081381
ZYLINDER,HINTEN
110051920
ZYLINDER,VORNE
110051918
ZYLINDERFUSSDICHTUNG
110601965
ZYLINDERKOPFDICHTUNG
110041373
ZÜNDSPULE
590261159
ÖLDICHTRING
920491576
ÖLDICHTRING
920491575
ÖLDRUCKSCHALTER
270101313
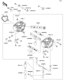
KAWASAKI, KVF650-A1 2002, CYLINDER HEAD
KAWASAKI, KVF650-A1 2002, CYLINDER/PISTON(S)
KAWASAKI, KVF650-A1 2002, AIR CLEANER
KAWASAKI, KVF650-A1 2002, MUFFLER(S)
KAWASAKI, KVF650-A1 2002, VALVE(S)
KAWASAKI, KVF650-A1 2002, CAMSHAFT(S)/TENSIONER
KAWASAKI, KVF650-A1 2002, CRANKSHAFT
KAWASAKI, KVF650-A1 2002, TRANSMISSION
KAWASAKI, KVF650-A1 2002, GEAR CHANGE MECHANISM
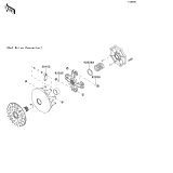
KAWASAKI, KVF650-A1 2002, DRIVE CONVERTER
KAWASAKI, KVF650-A1 2002, DRIVEN CONVERTER
KAWASAKI, KVF650-A1 2002, CONVERTER COVER/DRIVE BELT
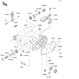
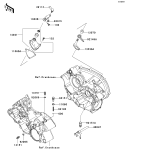
KAWASAKI, KVF650-A1 2002, CRANKCASE
KAWASAKI, KVF650-A1 2002, ENGINE COVER(S)
KAWASAKI, KVF650-A1 2002, CARBURETOR
KAWASAKI, KVF650-A1 2002, CARBURETOR PARTS
KAWASAKI, KVF650-A1 2002, OIL PUMP
KAWASAKI, KVF650-A1 2002, GENERATOR
KAWASAKI, KVF650-A1 2002, IGNITION SYSTEM
KAWASAKI, KVF650-A1 2002, STARTER MOTOR
KAWASAKI, KVF650-A1 2002, RADIATOR
KAWASAKI, KVF650-A1 2002, RECOIL STARTER
KAWASAKI, KVF650-A1 2002, FRONT BEVEL GEAR
KAWASAKI, KVF650-A1 2002, DRIVE SHAFT-PROPELLER
KAWASAKI, KVF650-A1 2002, DRIVE SHAFT-FRONT
KAWASAKI, KVF650-A1 2002, DRIVE SHAFT-REAR
KAWASAKI, KVF650-A1 2002, CONTROL
KAWASAKI, KVF650-A1 2002, FRAME
KAWASAKI, KVF650-A1 2002, FRAME FITTINGS
KAWASAKI, KVF650-A1 2002, SWINGARM
KAWASAKI, KVF650-A1 2002, SUSPENSION
KAWASAKI, KVF650-A1 2002, FOOTRESTS
KAWASAKI, KVF650-A1 2002, FRONT FENDER(S)
KAWASAKI, KVF650-A1 2002, REAR FENDER(S)
KAWASAKI, KVF650-A1 2002, TIRES
KAWASAKI, KVF650-A1 2002, FRONT HUB
KAWASAKI, KVF650-A1 2002, REAR HUB
KAWASAKI, KVF650-A1 2002, BRAKE PEDAL
KAWASAKI, KVF650-A1 2002, SHOCK ABSORBER(S)
KAWASAKI, KVF650-A1 2002, FRONT MASTER CYLINDER
KAWASAKI, KVF650-A1 2002, FRONT BRAKE
KAWASAKI, KVF650-A1 2002, HANDLEBAR
KAWASAKI, KVF650-A1 2002, FUEL TANK
KAWASAKI, KVF650-A1 2002, SEAT
KAWASAKI, KVF650-A1 2002, CARRIER(S)
KAWASAKI, KVF650-A1 2002, METER(S)
KAWASAKI, KVF650-A1 2002, CABLES
KAWASAKI, KVF650-A1 2002, SIDE COVERS
KAWASAKI, KVF650-A1 2002, GUARD(S)
KAWASAKI, KVF650-A1 2002, HEADLIGHT(S)
KAWASAKI, KVF650-A1 2002, TAILLIGHT(S)
KAWASAKI, KVF650-A1 2002, CHASSIS ELECTRICAL EQUIPMENT
KAWASAKI, KVF650-A1 2002, IGNITION SWITCH
KAWASAKI, KVF650-A1 2002, REFLECTORS(EU,UK)
KAWASAKI, KVF650-A1 2002, OWNER'S TOOLS
KAWASAKI, KVF650-A1 2002, LABELS
KAWASAKI, KVF650-A1 2002, DECALS
KAWASAKI, KVF650-A1 2002, OPTIONAL PARTS(CARRIER)
KAWASAKI, KVF650-A1 2002, OPTIONAL PARTS(GUARD)(EU,UK)
KAWASAKI, KVF650-A1 2002, OPTIONAL PARTS(DRIVE CONVERTER)

https://kawasakistore.de/