KAWASAKI

Spare Parts Catalogue KAWASAKI ZX1002KPFNN 2023,ZX1002KPFAN 2023,ZX1002KRFNN 2024,ZX1002KRFAN 2024

160091236
130BB0614
ABDECKUNG
140920214
ABDECKUNG LI
140920250
ABDECKUNG MEMBRANE
430271051
ABDECKUNG,LH
140930529
ABDICHTUNG
430491107
ABDICHTUNG O
430490013
ABDICHTUNG U
430490012
ABLASSSCHRAUBE,12X15
920660079
ACHSE SCHWINGE
330320044
ACHSE VO,20X209
410680616
AMPLIFIER,IMMOBI
211810023
ARM-COMP-SWING,F.S.BLACK
33001074118R
ARM-SUSP,P.SILVER
390070405458
ARRETIERRING
140131051
AUFKLEBER KTRC ABS
560540953
AUFKLEBER KAWASAKI
560541358
AUFKLEBER KTRC ABS
560541115
AUFKLEBER,SICHERUNGSBOX
560300400
AUFKLEBER,WARNUNG
560710194
AUFLAGE
391560752
AUFLAGE,25X70X4
391560748
AUFTRZGER
570011752
AUSGL.SCHEIBE 153X275
920251137
AUSRSCKHEBEL-KUPPLUNG
131020079
AUSWUCHTGEWICHT,10G,SIL.
410750007
AUSWUCHTGEWICHT,20G,SIL.
410750008
AUSWUCHTGEWICHT,30G,SIL.
410750009
AXLE,RR
410680622
AUSGLEICHSWELLENSIMMERING
920492204
BAG,TOOL
560080577
BALANCER
130410040
BATTERIEKABEL(+)
260110252
BATTERY,YTX9-BS,12V 8AH
260120991
BEFESTIGUNGSB.,L=145
920723768
BEFESTIGUNGSBAND
92072071
BEFESTIGUNGSBAND
920721294
BEFESTIGUNGSBAND
920721414
BEFESTIGUNGSBAND
920723851
BEFESTIGUNGSKLAMMER
92037010
BEHAELTER
161640012
BEHAELTER
430780060
BEHAELTER BREMSFL.
430780591
BODY
161600796
BODY END-MUFFLER
181100216
BODY-COMP-MUFFLER
180911185
BOLT
921542328
BOLT,26MM
921547059
BOLT,5X30
921543921
BOLT,5X50
921543922
BOLT,6X30
921542652
BOLT,FLANGED,10X270
921542309
BOLT,FLANGED,10X28
921544148
BOLT,FLANGED,10X35
921547111
BOLT,FLANGED,10X37
921542330
BOLT,FLANGED,10X40
921542311
BOLT,FLANGED,10X65
921542310
BOLT,FLANGED,10X75
921542312
BOLT,FLANGED,6X10
921541887
BOLT,FLANGED,6X12
921541848
BOLT,FLANGED,6X16
921541851
BOLT,FLANGED,6X16
921542096
BOLT,FLANGED,6X20
921542090
BOLT,FLANGED,6X30
921541857
BOLT,FLANGED,6X30
921541942
BOLT,FLANGED,6X35
921541116
BOLT,FLANGED,8X20
921541852
BOLT,FLANGED,8X30
921541796
BOLT,LEVER
921541912
BOLT,SOCKET,10X27
921544042
BOLT,SOCKET,5X16
921541014
BOLT,SOCKET,5X18
921541945
BOLT,SOCKET,5X25
921542596
BOLT,SOCKET,6X16
921541454
BOLT,SOCKET,6X22
921541724
BOLT,SOCKET,6X22
921541898
BOLT,SOCKET,6X25
921543829
BOLT,SOCKET,8X16.7
921544189
BOLT,SOCKET,8X20
921541976
BOLT,SOCKET,8X20
921542314
BOLT,SOCKET,8X30
921542313
BOLT,SOCKET,8X30
921544138
BOLT,SOCKET,8X35
921544053
BOLT,TORX,6X14
921542448
BOLT,TORX,6X24
921541129
BOLT-SOCKET
921511829
BOLT-UPSET-WP,6X12
921544179
BRACKET
110562436
BRACKET
110570428
BRACKET
110572894
BRACKET
110572947
BRACKET
110572957
BRACKET
110572958
BRACKET
110572960
BRACKET,ABS UNIT
110570429
BRACKET,BATTERY(+)
110572892
BRACKET,CANISTER
110573981
BRACKET,FUEL PUMP
110572893
BRACKET,HEAT SHIELD,LH
110563781
BRACKET,QUICK-SHIFTER CON
110572907
BRACKET,REFLECTOR,LH
110577294
BRACKET,REFLECTOR,RH
110577295
BRACKET,REGULATOR
110570430
BRACKET,RESERVOIR
110577280
BRACKET,RR SIGNAL LAMP
110572891
BRACKET,RR,LH,F.S.BLACK
11057295518R
BRACKET,RR,RH,F.S.BLACK
11057080718R
BRACKET,SENSOR
110570381
BRACKET-ASSY,WINDSHIELD
391840739
BRACKET-COMP
230621299
BRACKET-COMP,ABS
230620785
BRACKET-COMP,CABLE GUIDE
230620811
BRACKET-COMP,O2 SENSOR
110577101
BRACKET-COMP,REGULATOR
230620902
BRACKET-ENGINE,LH,F.S.BLA
32190064818R
BRACKET-ENGINE,RH,F.S.BLA
32190064918R
BRACKET-STAND,F.S.BLACK
32043066118R
BREMSBELAG
430820144
BREMSBELAG
430820167
BREMSKOLBEN KPL
430201057
BREMSKOLBEN O VO
430480024
BREMSKOLBEN U VO
430480023
BREMSKOLBEN,KPL
430200010
BREMSSCHEIBE HI
410800647
BREMSSCHLAUCH
430950366
BREMSSCHLAUCH
430950723
BREMSSCHLAUCH HI
430950510
BREMSZANGE KOMPL LI VO
430800143DJ
BREMSZANGE KOMPL RE VO
430800144DJ
BREMSZANGENSATZ
430800103DJ
BUCHSE
921390122
BUCHSE
921390123
BUCHSE
921390124
BUCHSE 3+4
921390281
BUCHSE GABELGLEITROHR
110121761
BUCHSE LI SIL, ACHSE HI
420361153KX
BUCHSE RE SIL, ACHSE HI
420361265KX
BUCHSE, AUSG. 2ND
920281739
BUCHSE,EINGANGSWELLE
920281915
BUCHSE,GANG,5TH IN
921390280
BUCHSE,VORDERGABEL
440650036
BUCHSE,VORDERGABEL,GUIDE
440650030
BUEGEL
110541904
BUEGEL
110551785
BUEGEL
110560124
BUEGEL
110560230
BUEGEL
110560264
BUEGEL
110560358
BUEGEL
110560359
BUEGEL
110560373
BUEGEL
110561084
BUEGEL
230620136
BUEGEL
320740017
BUEGEL
32190045818R
BUEGEL
321900582
BUEGEL
321900583
BUND
920271880
BUND
921520092
BUND
921521234
BUND
921521740
BUND,20X30X13
921521739
BUND,6.1X8.1X9
921521782
BUND,6.3X9.5X14.1
921521847
BSGEL
110561914
BSGEL
320520719
CAMSHAFT-COMP,EXHAUST
491180942
CAMSHAFT-COMP,INTAKE
491180979
CAP
110651332
CAP
110651335
CAP,B.SILVER
11065131354N
CAP-ASSY
140750028
CASE-BATTERY
320970562
CHAIN,DRIVE,EK525ZX2-112L
920570787
CLAMP
921731097
CLAMP
921731099
CLAMP
921731163
CLAMP
921731201
CLAMP
921731240
CLAMP
921731248
CLAMP
921731273
CLAMP
921731321
CLAMP
921731513
CLAMP
921731552
CLAMP
921731694
CLAMP
921732194
CLAMP
921732198
CLAMP
921732199
CLAMP
921732242
CLAMP
921732419
CLAMP,34MM
921731360
CLAMP,35.5MM
921731432
CLAMP,7.8MM
920372116
CLAMP,84MM
921731008
CLAMP,CABLE CLIP
921731242
CLAMP,CLIP
921731385
CLAMP,FENDER,LH
921732169
CLAMP,HOSE
921701091
CLAMP,HOSE&SENSOR LINE
921731613
CLAMP,IRON WIRE
921731199
CLAMP,LOCKING WIRE SADDLE
921731269
CLAMP,OIL PAN
921731917
CLAMP,RR WHEEL SPEED SENS
921731144
CLAMP,SNP-22-0W
921731632
COLLAR
921522596
COLLAR
921522663
COLLAR
921522705
COLLAR,10.2X15X20.1
921521828
COLLAR,16X23X28
921522279
COLLAR,20X25X30
921521960
COLLAR,LH,L=25.5
921522305
COLLAR,RH,L=34.1
921522307
COLLAR,SWING ARM,L=47
921522980
COMFORT SEAT KIT(STITCH)
999941410
CONTROL UNIT-ELECTRONIC
211751631
COOLER-ASSY-OIL
390680704
COVER SEAT,M.D.BLACK
53065004117K
COVER SEAT,M.M.G.GRAY
53065004168P
COVER SEAT,M.M.S.RED
53065004169E
COVER,ACG
140930573
COVER,CLUTCH
140930571
COVER,HEAD
140930562
COVER,KNEE GRIP,RH
140930530
COVER,METER
140931097
COVER,PULSER
140930543
COVER,RESERVOIR
140921098
COVER-PUMP
161420747
COVER-PUMP
161420764
COVER-SEAL
490160615
COVER-SEAL
490160688
COVER-SEAL
490160691
COVER-TAIL,E.B.GREEN
36042001060R
COVER-TAIL,M.D.BLACK
36042001017K
COVER-TAIL,M.M.G.GRAY
36042001068P
COVER-TAIL,M.M.S.RED
36042001069E
COWLING,LWR,LH,M.G.GRAY
55028074245W
COWLING,LWR,LH,M.M.C.GRAY
55028074251B
COWLING,LWR,RH,M.G.GRAY
55028074345W
COWLING,LWR,RH,M.M.C.GRAY
55028074351B
COWLING,SIDE,LH,M.D.BLACK
55028073617K
COWLING,SIDE,LH,M.D.BLACK
55060505817K
COWLING,SIDE,LH,M.D.BLACK
55060530317K
COWLING,SIDE,MID,LH,M.D.B
55028073817K
COWLING,SIDE,MID,LH,M.G.G
55028073845W
COWLING,SIDE,MID,RH,M.D.B
55028073917K
COWLING,SIDE,MID,RH,M.G.G
55028073945W
COWLING,SIDE,RH,M.D.BLACK
55028073717K
COWLING,SIDE,RH,M.D.BLACK
55060505917K
COWLING,SIDE,RH,M.D.BLACK
55060530417K
COWLING,SLAT,LH
550280740
COWLING,SLAT,RH
550280741
COWLING,UPP,M.D.BLACK
55028061117K
COWLING,UPP,M.M.S.RED
55028061169E
COWLING,UPP,SIDE,LH,M.D.B
55060505217K
COWLING,UPP,SIDE,LH,M.D.B
55060529917K
COWLING,UPP,SIDE,RH,M.D.B
55060505317K
COWLING,UPP,SIDE,RH,M.D.B
55060530017K
CR9EIA-9 (ZUENDKERZE)
920700014
CRANKSHAFT-COMP
130310935
CYLINDER-ASSY-MASTER,FR
430150764
CYLINDER-ENGINE
110050713
CYLINDER-SET-FORK,RH
440230166
DAEMPFER
920751690
DAEMPFER
921601162
DAEMPFER
921601278
DAEMPFER
921610056
DAEMPFER
921610070
DAEMPFER
921610117
DAEMPFER
921610118
DAEMPFER
921610154
DAEMPFER
921610308
DAEMPFER
921610317
DAEMPFER
921610418
DAEMPFER
921610673
DAEMPFER
921610801
DAEMPFER
921610808
DAEMPFER
921610930
DAEMPFER
921610942
DAEMPFER
921611886
DAEMPFER
921611891
DAEMPFER
921611943
DAEMPFER,10X20X6
921611592
DAEMPFER,10X35X1
921611889
DAEMPFER,10X35X4
921611887
DAEMPFER,10X85X1
921611964
DAEMPFER,12.5X20X4
921610944
DAEMPFER,12.5X21X2
921610943
DAEMPFER,15.5X26X14.5
921611361
DAEMPFER,20X40X15
921611608
DAEMPFER,7X190X4
921611966
DAEMPFER,8.2X15X3
921610998
DAEMPFER,SITZ
921610954
DAEMPFER,SITZ
921610955
DAMPER
921611506
DAMPER
921611673
DAMPER
921612128
DAMPER
921612139
DAMPER,10X17X3
921611507
DAMPER,10X40X15
921611922
DAMPER,16X23X2
921611696
DAMPER,30X48X3
921611768
DAMPER,8.2X16X8.3
921611584
DAMPER,8X16X8
921612082
DAMPER,ECU
921612261
DAMPER,FUEL TANK,RR
921611330
DAMPER,PANNIER,LH
921611550
DAMPER,PANNIER,RH
921611551
DAMPER-ASSY,FORK,LH
440711395
DAMPER-ASSY,FORK,RH
440711396
DC 12V OUTLET
999941413
DECKEL
110650328
DECKEL
110650374
DECKEL
140920032
DECKEL
140920109
DECKEL
140920248
DECKEL AUSGLEICHSBEHA
110121084
DECKEL BREMSZY.HI
430260009
DECKEL LI SLIDER
140930350
DECKEL RE SLIDER
140930351
DECKEL, WASSERKUEHLER
490851066
DECKELDICHTUNG
490161147
DECKELGABELSCHRAUBE
11065037211G
DEKOR FELGE GRSN,4X135
560754010
DICHTRING TANKDECKEL
920931030
DICHTUNG
110601180
DICHTUNG
110610107
DICHTUNG
110610405
DICHTUNG
110610406
DICHTUNG
110610424
DICHTUNG
921040004
DICHTUNG AUSGLEICHSBE
110091145
DICHTUNG DECKEL GENERATOR
110610403
DICHTUNG TAUCHROHR
44045051
DICHTUNG ZSNDKERZE
110611213
DICHTUNG, BREMSSCHEIBE
110610029
DICHTUNG, MECHANISCH
490631055
DICHTUNG, ZYLINDERKOPF
110610914
DICHTUNG,54X62X30
110610448
DICHTUNG,BREMSSCHEIBE
110610204
DICHTUNG,KUPPLUNGSDECKEL
110610404
DICHTUNG,OELABLASSSCH (VE5)
92065097
DICHTUNGSRING
430491068
DISC,FR,BLACK+SIL
4108007145C
DISTANZSCHEIBE GABEL
920261276
DRUM-ASSY-CHANGE
132390600
DUCT,#1&#4
140730953
DUCT,#2&#3
140730960
DZMPFER
921611055
DZMPFER
921611531
DZMPFUNGSZYLINDER,LI
440230142
DICHTUNG BREMSSATTEL
430491097
DÄMPFER
920751927
DÄMPFER
921601141
DÄMPFER
921601613
DÄMPFER (VE5)
921610036
DÄMPFER 10X20X12
921601167
DÄMPFER, AUSPUFF
920751898
ECU
211751329
EINSTELLER
430940008
EMBLEM KAWASAKI WINDS.
560542185
ENTLUEFTUNG
430561056
ENTLSFTER,BREMSE
430560007
FAN-ASSY
595020638
FEDER
210400003
FEDER
440260153
FEDER
490780073
FEDER
920811737
FEDER
921441467
FEDER
921441674
FEDER
921450360
FEDER
921450760
FEDER
921450805
FEDER
921451122
FEDER KLAUE RUECKF.
920811708
FEDER SEITENSTAENDER
921450562
FEDER,2.0X70
921451753
FEDERSITZ
160070034
FELGE HI, G.BLACK
41073072518F
FELGE VO, G.BLACK
41073072418F
FENDER-FRONT,E.B.GREEN
35038000960R
FENDER-FRONT,M.D.BLACK
35038000917K
FENDER-FRONT,M.M.G.GRAY
35038000968P
FENDER-FRONT,M.M.S.RED
35038000969E
FENDER-REAR
350230467
FILTER-ASSY-AIR
110100956
FITTING
920050721
FITTING
920050826
FITTING
920051380
FITTING,THERMO CAP
920050842
FLANSCHSCHRAUBE
130BA0512
FLANSCHSCHRAUBE
130BA0608
FLANSCHSCHRAUBE
130BB0520
FLANSCHSCHRAUBE
132BA0816
FLANSCHSCHRAUBE,10X255
921540827
FLANSCHSCHRAUBE,10X60
921540263
FLANSCHSCHRAUBE,10X65
921531931
FLANSCHSCHRAUBE,10X67
921540264
FLANSCHSCHRAUBE,10X73
921531890
FLANSCHSCHRAUBE,10X77
921540262
FLANSCHSCHRAUBE,10X90
921540448
FLANSCHSCHRAUBE,5X10
130BB0510
FLANSCHSCHRAUBE,5X25
130BA0525
FLANSCHSCHRAUBE,6X10
130BA0610
FLANSCHSCHRAUBE,6X10
132BA0610
FLANSCHSCHRAUBE,6X12
130BA0612
FLANSCHSCHRAUBE,6X12
130BB0612
FLANSCHSCHRAUBE,6X12
132BA0612
FLANSCHSCHRAUBE,6X14
130BA0614
FLANSCHSCHRAUBE,6X14
921540482
FLANSCHSCHRAUBE,6X16
130BB0616
FLANSCHSCHRAUBE,6X16
130CC0616
FLANSCHSCHRAUBE,6X16
132BA0616
FLANSCHSCHRAUBE,6X16
921540385
FLANSCHSCHRAUBE,6X16
921540551
FLANSCHSCHRAUBE,6X20
132BA0620
FLANSCHSCHRAUBE,6X22
130BA0622
FLANSCHSCHRAUBE,6X22
921540403
FLANSCHSCHRAUBE,6X25
132BA0625
FLANSCHSCHRAUBE,6X25
132BB0625
FLANSCHSCHRAUBE,6X30
130BB0630
FLANSCHSCHRAUBE,6X35
130BA0635
FLANSCHSCHRAUBE,6X60
132BC0660
FLANSCHSCHRAUBE,6X68
921531637
FLANSCHSCHRAUBE,6X70
130BB0670
FLANSCHSCHRAUBE,7X50
921540372
FLANSCHSCHRAUBE,7X60
921531045
FLANSCHSCHRAUBE,8X20
921540749
FLANSCHSCHRAUBE,8X25
921540742
FLAP,LH
350190643
FLAP,RH
350190644
FLUEGELRAD
592560555
FRAME SLIDER
999941411
FRAME-COMP,MAIN,F.S.BLACK
32160188218R
FRAME-COMP,RR
321601864
FREILAUFKUPPLUNG
131941096
FUEHRUNG
490020009
FUEHRUNG FEDER
440281083
FUSSRASTE LI VO
340280352
FUSSRASTE RE VO
340280353
FUSSRASTENGUMMI
340281430
FUÁRASTE
35063072618R
GABELBRUECKE OBEN,F.S.BLK
44039010518R
GABELBRUECKE UNTEN
440370169
GABELSIMMERING
920490125
GABELVENTIL,KPL
161260031
GASKET-HEAD
110040781
GASKET-LIQUID TB1216B
921041064
GEAR,CLUTCH ONEWAY
160850609
GEAR,INPUT 2ND,20T
132621424
GEAR,INPUT 3RD&4TH,15T&18
132621482
GEAR,INPUT 5TH,21T
132621483
GEAR,INPUT TOP,28T
132621427
GEAR,OUTPUT 2ND,39T
132621429
GEAR,OUTPUT 3RD,24T
132621484
GEAR,OUTPUT 4TH,25T
132621485
GEAR,OUTPUT 5TH,26T
132621486
GEAR,OUTPUT LOW,39T
132621428
GEAR,OUTPUT TOP,31T
132621487
GEAR-SPUR,IDLER
590510762
GELENK
590710022
GENERATORDECKEL
140310610
GEWICHT FUSSRASTE
130420773
GRIFF SCHRAUBENZIEHER
921061001
GRIP HEATER
999941412
GRIP-ASSY,HEATER,LH
460190097
GRIP-ASSY,HEATER,RH
460190096
GRIP-ASSY,THROTTLE
460190080
GROMMET
920711270
GUARD,FRONT COVER
550202287
GUMMI SCHALTPEDAL
921612389
GUMMIBUCHSE
920921018SP
GUMMIDAEMPFER
920751446
GUMMIDAEMPFER
92075161
GUMMIDAEMPFER
920751634
GUMMIDAEMPFER
920751912
GUMMIDAEMPFER
92075277
GUMMIMANSCHETTE
920921081
GUMMIMANSCHETTE
920921087
HALTEPLATTE
140140036
HALTER
110570420
HALTER
110572646
HALTER
110572647
HALTER
430340056
HALTER
430440033
HALTER HEBEL KUPPLUNG HI
130911624
HALTER LENKER LI
46012009018R
HALTER LENKER RE
46012009118R
HALTER LI
110571712
HALTER NUMMERNSCHILD
110541762
HALTER RE
110571713
HALTER,ABDECK.INSTRUMENTE
110570403
HALTER-TANK,F.S.BLACK
32052078318R
HANDLE,LH
460030764
HANDLE,RH
460030765
HARNESS,GRIP HEATER
260312722
HARNESS,MAIN
260312965
HARNESS,SUB
260312721
HAUPTBREMSZYLINDER HI
430150596
HEAD-COMP-CYLINDER
110080973
HEBEL
131680115
HEBEL
131680211
HECKLEUCHTE
230250348
HOLDER
132800926
HOLDER
132800994
HOLDER,DIAG CONNECTOR
132800959
HOLDER,MAGNETIC SWITCH
132800814
HOLDER-BRAKE,RR
430340153
HOLDER-THROTTLE BODY
160660012
HORN
270030126
HOSE-BRAKE,3WAY
430951693
HOSE-BRAKE,HU-RR M/C
430950785
HOSE-BRAKE,M/C-ABS UNIT
430951744
HOSE-COOLING,AIR BLEED
390620909
HOSE-COOLING,CAP-RAD.
390620727
HOSE-COOLING,HEAD-CAP
390620820
HOSE-COOLING,OVERFLOW
390620860
HOSE-COOLING,PIPE-CYLINDE
390620757
HOSE-COOLING,RAD.-PIPE
390620768
HOSE-COOLING,RETURN
390620920
HOUSING-ASSY-CONTROL,LH
460910535
HOUSING-ASSY-CONTROL,RH
460910584
HOUSING-COMP-CLUTCH
130950572
HUB-CLUTCH
130870583
HUELSE
921390023
HUELSE
921431057
HUELSE
921431379
HUELSE
921520134
HUELSE
921520250
HUELSE
921520263
HUELSE
921520286
HUELSE
921520667
HUELSE
921520679
HUELSE
921520812
HUELSE
921521519
HUELSE
921521520
HUELSE 20,1X28X226
420360069
HUELSE L=12,1
920271651
HUELSE,10X20X3.75
921520913
HUELSE,11X26X56.5
921520853
HUELSE,5.6X8X7.8
921521506
HUELSE,6.5X10.5X13.1
921520547
HUELSE,ACHSE,LH,L=18
921520118
HUELSE,ACHSE,RH,20X28X1
921520876
HUELSE,L=23
420361251
HUELSE,NABE,20.2X28X144
921520892
HUELSE,NABE,L=115
921520087
HSLSE
921521167
HSLSE
921521255
HSLSE
921521383
HSLSE,6.4X10X12
921521628
HSLSE,6.8X10X60
921521182
HÜLSE
921520017
HÜLSE
921521074
IMPULSGEBER
590260043
INBUSSCHLUESSEL 6MM
92127003
INBUSSCHRAUBE
120CA0525
INBUSSCHRAUBE,5X10
120CB0510
INBUSSCHRAUBE,5X12
120CA0512
INBUSSCHRAUBE,6X35
120CC0635
INBUSSCHRAUBE,8X30
120CA0830
INSULATOR
160730848
ISOLATOR
160730053
JOINT-CHAIN
920580066
KABEL
260110275
KABEL,SITZSCHLOSS
540100135
KAPPE, SPIEGEL
110650945
KETTE,98XRH2015-126M
920570202
KETTENFUEHRUNG
120530161
KETTENFUEHRUNG
120530162
KETTENFUEHRUNG
120530163
KETTENKASTEN
140260093
KETTENKASTEN
360140029
KIT,BENZINFILTER
999990522
KIT,FRONT AXLE SLIDER
999941276
KIT,SINGLE SEAT COVER
99994089717K
KIT-ACCESSORY,BAG FITTING
999940867
KIT-ACCESSORY,CRANKCASE R
999940951
KIT-ACCESSORY,LOW SEAT
999941576
KLAMMER
920371124
KLAMMER
92037147
KLAMMER
920371712
KLAMMER
920372014
KLAMMER
921701060
KLAMMER
921701493
KLAMMER
921710069
KLAMMER
921710179
KLAMMER
921710907
KLAMMER
921730868
KLAMMER
921730923
KLAMMER 12MM DIA.
921730736
KLEMME
921731055
KLEMME
921731790
KOHLEBUERSTEN
210390004
KOLBEN, BREMSSATTEL
430201119
KOLBENBOLZEN
130020004
KUEHLSCHLAUCH
390620308
KUEHLSCHLAUCH
390620309
KUGELLAGER
601B6205UU
KUGELLAGER 16005(NTN)
920451045
KUGELLAGER 6304UUC3
601B6304UU
KUGELLAGER, 20X42X12
920450820
KUGELLAGER,6004UL11
920450017
KUGELLAGER,DAC2557N
920450003
KUGELLAGER,SF07A17P
920451384
KUPPLUNG,KPL
420330028
KUPPLUNGSDECKEL
140320631
KUPPLUNGSSCHEIBE,T=2.3
130890023
KUPPLUNGSZUG
540110621
KAPPE ENTLÜFTERNIPPEL
43057003
KAPPE ENTLÜFTERNIPPEL
430571001
KRÜMMERDICHTUNG
110611373
LABEL,FUSE BOX1
560301376
LABEL,FUSE BOX2
560301528
LABEL-BRAND,KAWASAKI
560801077
LABEL-MANUAL,CHAIN
560330861
LABEL-SPECIFICATION,TIRE&
560531737
LABEL-WARNING,FUEL,E5/E10
560710694
LABEL-WARNING,HIGH-OCTAN
560710821
LAGERKUGEL 1/4"
600A0800
LAMP-ASSY-SIGNAL,LED,RR,L
230370468
LAMP-ASSY-SIGNAL,LED,RR,R
230370469
LAMP-HEAD,LED
230040412
LAMP-SIGNAL,LED,FR,LH
230400157
LAMP-SIGNAL,LED,FR,RH
230400158
LEATHER,BLACK
530030586MA
LEATHER,FR SEAT,BLACK
530030524MA
LEATHER,FR SEAT,BLACK
530030588MA
LEATHER,FR SEAT,V.BLACK+B
53003051164N
LEATHER,RR SEAT,BLACK
530030525MA
LEATHER,RR SEAT,BLACK
530030587MA
LEATHER,RR SEAT,V.BLACK+B
53003051264N
LENKERGRIFF LI
460751144
LEVER-ASSY-CHANGE
132420167
LEVER-ASSY-GRIP,CLUTCH
460760168
LEVER-COMP
132360741
LEVER-COMP
132360835
LEVER-COMP,CHANGE PEDAL
132360841
LEVER-COMP,FRONT BRAKE
132360824
LEVER-COMP-CHANGE SHAFT
131610604
LEVER-GRIP,CLUTCH
460920577
LG.-SCHALE 1+3+5 BLAU
921390217
LG.-SCHALE 1+3+5 BRAUN
921390219
LG.-SCHALE 1+3+5 SCHWARZ
921390218
LG.-SCHALE 2+3+4 BLAU
921390032
LG.-SCHALE 2+3+4 BRAUN
921390034
LG.-SCHALE,2+4 SCHWARZ
921390033
LICHT NUMMERNSCHILDED LED
230160639
LOCK-ASSY,SEAT STRIKE
270161115
LUFTFILTERELEMENT
110130712
MANIFOLD-COMP-EXHAUST
391780429
MANSCHETTE
92027153
MARK,FR FENDER,KTRC ABS
560543905
MARK,IGNITION SWITCH
560542566
MARK,SIDE COWL.,1000SX,3D
560542651
MARK,SIDE COWL.,NINJA
560542842
MATTE BATTERIE
530040560
MEMBRANE HAUPTBREMSZY
430281065
MEMBRANE HAUPTBREMSZYLINDER
430281057
MEMBRANVENTIL,KPL
120210016
METER-ASSY,TFT DISPLAY
250360105
MID SEAT(FR&RR)
999941577
MUTTER
920151700
MUTTER
922100324
MUTTER
922101100
MUTTER
922101101
MUTTER
922101323
MUTTER (EX920151170)
922100003
MUTTER 10MM
922100784
MUTTER 10MM
922101139
MUTTER,10MM
920151180
MUTTER,10MM
922101522
MUTTER,10MM,SCHWARZ
920151189
MUTTER,20MM
920151555
MUTTER,20MM
922100591
MUTTER,30MM
922100134
MUTTER,35MM
922100095
MUTTER,5MM
920151757
MUTTER,5MM
922100007
MUTTER,6MM
920151233
MUTTER,6MM
920151367
MUTTER,6MM
920151476
MUTTER,6MM
922100188
MUTTER,6MM
922100277
MUTTER,8MM
920151311
MUTTER,8MM
922100076
NADELLAGER
920461263
NADELLAGER
920461266
NADELLAGER AXK1102
920461052
NADELLAGER,7E-HVS 28X
920460008
NADELLAGER,HK1210FM
920460034
NADELLAGER,HK1412FM
920460043
NADELLAGER,K20X24
920461219
NADELLAGER,PK20X2
920461303
NADELLAGER,SFYZM1
920461273
NIETE
920390014
NIETE
920390027
NIETE
920390060
NIETE
920390068
NIETE
920391231
NIETE
920391251
NOZZLE
920620046
NOZZLE-INJECTION
490330563
NUT
922101519
NUT,20MM
922100850
NUT,35MM
922100823
NUT,5MM
922100001
NUT,CASTLE,18MM
922101517
NUT,LOCK,6MM
922101544
O-RING
670D1505
O-RING
670E5075
O-RING
920550124
O-RING
920550131
O-RING
920550136
O-RING
920550199
O-RING
920551276
O-RING 14MM
670D2014
O-RING 20MM
670B2020
O-RING 60MM
671B2560
O-RING 14,8X2,4
920550741
O-RING 18.8X1.9
92055086
O-RING 4.5X2.0
920551370
O-RING 9MM
670D1509
O-RING OELFILTER
920551503
O-RING WASSERP.GEH.
920551571
O-RING, 59.6MM
920553018
O-RING,20.8X2.4
920550114
O-RING,63.3MM
920550739
O-RING,9.5X1.9
920550016
OELEINFUELLSTUTZEN
161151053
OELLEITUNG
391930054
OELSCHAUGLAS
520051120
OELSCHLEUDERBLECH
130451057
OELSIEB
490650026
OIL FILLER CAP BLACK
999941229
PAD
391561770
PAD
391562141
PAD
391562153
PAD LI
391560660
PAD RE
391560661
PAD,12X95X22
391561821
PAD,15X145X10
391562569
PAD,20X20X1
391562288
PAD,20X30X5
391562178
PAD,30X30X3
391561766
PAD,35X70X3
391562600
PAD,60X60X10
391562216
PAD,7X12X5
391562292
PAD,8X100X5
391562150
PAD,8X280X10
391562151
PAD,ACHSGLEITER
391562212
PAD,BENZINPUMPE
391561781
PAD,MID SIDE COWL.,LH
391562518
PAD,MID SIDE COWL.,RH
391562517
PAD,RADIATOR
391562522
PAD,RR,LH
391562601
PAD,RR,RH
391562602
PAD,SIDE COWL.
391562512
PAD,SLAT,LWR
391562594
PAD,SLAT,MID
391562660
PAD,SLAT,UPP,FR
391562649
PAD,SLAT,UPP,RR
391562514
PAD,STEP STAY,FR,LH
391562637
PAD,STEP STAY,FR,RH
391562638
PAN-OIL
490340577
PASSSTIFT 4X10
610A0410
PASSSTIFT 4X8
551A0408
PASSTIFT 4X6
610A0406
PATTERN,LWR SIDE COWL.,LH
560767641
PATTERN,LWR SIDE COWL.,RH
560767642
PATTERN,MID SIDE COWL.,LH
560763708
PATTERN,MID SIDE COWL.,LH
560767639
PATTERN,MID SIDE COWL.,RH
560763709
PATTERN,MID SIDE COWL.,RH
560767640
PATTERN,SIDE COWL.,LH,LWR
560763711
PATTERN,SIDE COWL.,LH,UPP
560763710
PATTERN,SIDE COWL.,RH,LWR
560763713
PATTERN,SIDE COWL.,RH,UPP
560763712
PATTERN,TAIL COVER,LH
560763714
PATTERN,TAIL COVER,LH
560767644
PATTERN,TAIL COVER,RH
560763715
PATTERN,TAIL COVER,RH
560767645
PATTERN,UPP SIDE COWL.,LH
560763704
PATTERN,UPP SIDE COWL.,LH
560763705
PATTERN,UPP SIDE COWL.,LH
560767635
PATTERN,UPP SIDE COWL.,LH
560767636
PATTERN,UPP SIDE COWL.,RH
560763706
PATTERN,UPP SIDE COWL.,RH
560763707
PATTERN,UPP SIDE COWL.,RH
560767637
PATTERN,UPP SIDE COWL.,RH
560767638
PATTERN,WHEEL,253X6
560767651
PATTERN,WHEEL,RED,4X1353
560752315
PATTERN,WHEEL,RED,4X1353
560767643
PILLION SEAT COVER,M.M.G.
99994089768P
PILLION SEAT COVER,M.M.S.
99994089769E
PIN
920430904
PIN,12X42.5
920431594
PIN,6X16
920431690
PIN,6X40
920431595
PIN,PAD
920431709
PIPE-COMP
310640714
PIPE-FORK INNER,LH
440130345
PIPE-FORK INNER,RH
440130346
PIPE-INJECTION
490560561
PIPE-WATER,RADIATOR-WATER
391920619
PIPE-WATER,WATER PUMP-CYL
391920620
PISTON-ENGINE
130010799
PLATE
132721413
PLATE-CLUTCH OPERATING
131870031
PLATTE
132720698
PLATTE
132720699
PLATTE
132720859
PLATTE MEMBRANE
430271053
PLEUELSCHRAUBE 8MM
921501216
PLUG
920660836
PLUG,18X10
920660832
PLUG,SIGNAL LAMP
920660919
PUMP-ASSY-OIL,ABS,BOSCH,9
160820825
PUMP-FUEL
490400727
PASSHÜLSE 6,3X8X14
92042007
RACE
920480016
RACE
920480018
RADABDECKUNG INNEN
350230424
RADIATOR-ASSY
390610852
REFLECTOR-REFLEX,CCC
280120045
REFLEKTOR
280121077
REIBLAMELLE
130880568
REIFENVENTIL
161261140
RELAIS
270020050
RELAIS
270021086
RELAIS BLINKER
270020029
RESERVOIR
430780566
RETAINER-VALVE SPRING
120091091
RIM STRIPE APPLICATOR,10/
570011836
RING-O
920550761
RING-O
920550785
RING-O
920550840
RING-O,42X1.9
920551536
RING-O,53.5X2.6
920550831
RING-SET-PISTON
130080588
RING-SNAP,T=1.5
920331249
RITZEL
420410095
RIVET
920390730
ROD
461020630
ROD-ASSY-CONNECTING,II
132510739II
ROD-ASSY-TIE
391100048
ROD-SHIFT
490470644
ROD-TIE,SUSPENSION
391110350
ROHR OELFILTER
320331535
ROTOR
161540708
ROTOR
210070673
ROTOR
210070691
ROTOR,FR WHEEL
210070701
ROTOR,SENSOR,RR
210070682
RUCKDAEMPFER
921610342
RITZELSICHERUNGSBLECH
922001720
SCHALE
921390067
SCHALE,25X28X25
921390278
SCHALTER
270100112
SCHALTGABEL
131400061
SCHALTGABEL
131400062
SCHALTWALZENSCHEIBE
131450048
SCHEIBE
922000265
SCHEIBE
922000386
SCHEIBE
922000410
SCHEIBE
922000556
SCHEIBE
922001009
SCHEIBE
922003807
SCHEIBE,10.5X18X2.3
922000531
SCHEIBE,10.5X26X2.3
922000088
SCHEIBE,10MM
411AB1000
SCHEIBE,12X34X9
922000369
SCHEIBE,27X42X2.3
922000081
SCHEIBE,6X20X1.6
922000212
SCHEIBE,7X28X1.6
922000279
SCHEIBE,8.2X15X1
922000742
SCHEIBE,9.2X19X23
922000115
SCHELLE
921710652
SCHELLE
921710782
SCHELLE
921710921
SCHELLE
921711722
SCHELLE
921730086
SCHELLE
921730088
SCHELLE
921730127
SCHELLE
921730170
SCHELLE
921730737
SCHELLE
921730742
SCHELLE
921730799
SCHELLE,60MM
921710729
SCHELLE,64.5MM
921710683
SCHLAUCH
921920843
SCHLAUCH
921920845
SCHLAUCH BREMSE HI
430950786
SCHLAUCH BREMSE HI
430950811
SCHLAUCH,6X9X300
921901253
SCHLAUCH,6X9X926(30)
921921024
SCHLAUCHSCHELLE
920371505
SCHLÜSSELROHLING,IMMOBI
270080558
SCHRAUBE
225AB0412
SCHRAUBE
920011464
SCHRAUBE
920011624
SCHRAUBE
920021086
SCHRAUBE
920091570
SCHRAUBE
921501891
SCHRAUBE
921511241
SCHRAUBE
921511289
SCHRAUBE
921530500
SCHRAUBE
921530537
SCHRAUBE
921531850
SCHRAUBE
921531866
SCHRAUBE
921541429
SCHRAUBE
921542318
SCHRAUBE
921720156
SCHRAUBE
921720334
SCHRAUBE ,10X35
921531442
SCHRAUBE ,8X20
921531621
SCHRAUBE ,8X30
921530393
SCHRAUBE ,8X30
921531624
SCHRAUBE ,10X95
921540447
SCHRAUBE ,20X43
921530488
SCHRAUBE ,5X14
921540427
SCHRAUBE ,5X16
921540287
SCHRAUBE ,6MM
921531956
SCHRAUBE ,6MM
921540800
SCHRAUBE ,6X115
921540205
SCHRAUBE ,6X14
921531021
SCHRAUBE ,6X14
921540745
SCHRAUBE ,6X16
921531344
SCHRAUBE ,6X16
921540484
SCHRAUBE ,6X18
921531675
SCHRAUBE ,6X18
921540351
SCHRAUBE ,6X22.5
921531779
SCHRAUBE ,8X23
921540379
SCHRAUBE 5X16
921720481
SCHRAUBE 5X10
220AA0510
SCHRAUBE 6X12
920021796
SCHRAUBE 6X14
920021592
SCHRAUBE 6X18
920011342
SCHRAUBE 8X70
921501483
SCHRAUBE RSCK-FEDER
921541838
SCHRAUBE, 6X40
921501794
SCHRAUBE,10X165
921542638
SCHRAUBE,10X23
921541712
SCHRAUBE,10X39.5
921542327
SCHRAUBE,10X40
921511899
SCHRAUBE,10X65
921542642
SCHRAUBE,12X40
921542650
SCHRAUBE,4X8
224AB0408
SCHRAUBE,4X8
920091155
SCHRAUBE,5X10
921540211
SCHRAUBE,5X10
921720262
SCHRAUBE,5X10
921720335
SCHRAUBE,5X14
921511764
SCHRAUBE,5X14
921720265
SCHRAUBE,5X16
920091984
SCHRAUBE,5X16
921540026
SCHRAUBE,5X16
921540209
SCHRAUBE,5X16
921720238
SCHRAUBE,5X18
220AB0518
SCHRAUBE,5X20
921540919
SCHRAUBE,5X20
921720483
SCHRAUBE,6X10
921541854
SCHRAUBE,6X12
921511997
SCHRAUBE,6X14
921511654
SCHRAUBE,6X14
921530406
SCHRAUBE,6X16
921531423
SCHRAUBE,6X16
921540899
SCHRAUBE,6X16.5
921542325
SCHRAUBE,6X18
921530816
SCHRAUBE,6X18
921542316
SCHRAUBE,6X20
921501339
SCHRAUBE,6X20
921531505
SCHRAUBE,6X20
921542644
SCHRAUBE,6X22
920021154
SCHRAUBE,6X24
921542317
SCHRAUBE,6X25
921511225
SCHRAUBE,6X25
921511930
SCHRAUBE,6X25
921541629
SCHRAUBE,6X30
921511605
SCHRAUBE,6X30
921511626
SCHRAUBE,6X30
921511873
SCHRAUBE,6X35
921511135
SCHRAUBE,6X45
921530656
SCHRAUBE,6X8
921530578
SCHRAUBE,7X45
921511539
SCHRAUBE,7X85
921501251
SCHRAUBE,8X23
921530549
SCHRAUBE,8X30
921541865
SCHRAUBE,8X35
921530419
SCHRAUBE,8X60
921542649
SCHRAUBE,9X100
921542639
SCHRAUBE,9X90
921542640
SCHRAUBE,GABEL,ZYLINDER
921501514
SCHRAUBE,MOTOR AUFH.
921540267
SCHRAUBE,UPSET-WS,6X14
921540293
SCHRAUBENSCHLUESSEL
921071051
SCHRAUE,5X14
921720976
SCHUTZ KETTE
550200903
SCHUTZ,GRIFF LI HI
550201823
SCHUTZ,GRIFF LI VO
550200981
SCHUTZ,GRIFF RE HI
550201824
SCHUTZ,GRIFF RE VO
550200982
SCHWUNGRAD,GETR.,31T
160850134
SCRATCH RESISTANT FIL
999941472
SCREW
921721138
SCREW
921721243
SCREW,CROSS,5X14
921721226
SCREW,PIPE INJECTION
921720828
SCREW-PAN-WSP-CROS
236AB0416
SEAT-ASSY,FR,BLACK
530660686MA
SEAT-ASSY,FR,BLACK
530660775MA
SEAT-ASSY,FR,V.BLACK+BLK
53066067764N
SEAT-ASSY,RR,BLACK
530660687MA
SEAT-ASSY,RR,BLACK
530660774MA
SEAT-ASSY,RR,V.BLACK+BLK
53066067864N
SEAT-SPRING
160070711
SECHSKANTSCHRAUBE 5
921501512
SECHSKANTSCHRAUBE 5X2
921501684
SENSOR,GEAR POSITION,H MA
211760845
SENSOR,GEAR POSITION,L MA
211760846
SENSOR,GEAR POSITION,M MA
211760825
SENSOR,INERTIAL
211760878
SENSOR,LUFT TEMP.
211760048
SENSOR,OXYGEN
211760932
SENSOR,PRESSURE
211760906
SENSOR,QUICK SHIFTER
211760991
SENSOR,VEHICLE-DOWN
211760026
SENSOR,WASSER TEMP.
211760009
SENSOR,WHEEL SPEED
211760923
SENSOR,WHEEL SPEED
211760924
SET-CRANKCASE
140010708
SHAFT
131071376
SHAFT,IDLER GEAR
131071377
SHAFT-TRANSMISSION INPUT
131270702
SHAFT-TRANSMISSION OUTPUT
131280715
SHIM T=3.50
921801054
SHIM, T=2.5
921801014
SHIM, T=2.75
921801024
SHIM, T=2.8
921801026
SHIM, T=2.85
921801028
SHIM, T=2.9
921801030
SHIM, T=3.30
921801046
SHIM,T=2.55
921801016
SHIM,T=2.6
921801018
SHIM,T=2.65
921801020
SHIM,T=2.7
921801022
SHIM,T=2.95
921801032
SHIM,T=3.0
921801034
SHIM,T=3.05
921801036
SHIM,T=3.10
921801038
SHIM,T=3.15
921801040
SHIM,T=3.20
921801042
SHIM,T=3.25
921801044
SHIM,T=3.35
921801048
SHIM,T=3.40
921801050
SHIM,T=3.45
921801052
SHOCKABSORBER,P.SILVER+BL
45014059237R
SICH.RING,20.9X24.6X1.2
920330079
SICHERUNG
260060054
SICHERUNG 10A ROT
260061078
SICHERUNG 15A BLAU
260060001
SICHERUNG 25A NATU.
260060020
SICHERUNG,30A GRSN
260061080
SICHERUNGSMUTTER,10MM
922100276
SICHERUNGSMUTTER,20MM
922100320
SICHERUNGSRING
920330034
SICHERUNGSRING
920331222
SICHERUNGSRING 20.5
920331186
SICHERUNGSRING 11MM
480J1100
SICHERUNGSRING 12MM
482J0200
SICHERUNGSRING 14MM
480J1400
SICHERUNGSRING 20MM
92033015
SICHERUNGSRING 24MM
92033026
SICHERUNGSRING 42MM
920331041
SICHERUNGSRING KOLBEN (VE10)
920331054
SICHERUNGSRING,52MM
920331043
SICHERUNGSRING,E
482EA5000
SICHERUNGSRING,E-10MM
482EA0100
SIERLEISTE
530440565
SIMMERR.,KUPPL,AUSRUECKMECHAN.
920491475
SIMMERRING MHA17245.7F
920491223
SIMMERRING MHSA25X34X7
920491352
SIMMERRING,KUPPL.,TC14245
920491520
SIMMERRING,MHSA25X42X6
920491314
SIMMERRING,TC32578
920491474
SITZSCHLOÁ
270165368
SLEEVE,10.1X17X44.5
420361342
SLIDER
550201997
SPACER
920261497
SPANNUNGSREGLER
210660756
SPIEGEL LI
560010259
SPIEGEL RE
560010260
SPLINT 8X14
551A0814
SPLINT BREMSBELAEGE
43084003
SPLINT,2.0X15
550AA2015
SPRENGRING HINTERRADACHSE
920331156
SPRING
921451630
SPRING
921451946
SPRING E
921451319
SPRING,BRAKE LAMP SWITCH
921451902
SPRING,PAD
921451873
SPRING,RELEASE-COMP
921451770
SPRING,STOPPER
921441831
SPROCKET,CAMSHAFT,34T
120460564
SPROCKET-OUTPUT,15T
131440579
STAHLKUGEL
600A0500
STAHLLAMELLE
130890024
STAHLLAMELLE, T=2,0
130891073
STAND-SIDE,F.S.BLACK
34024012318R
STANGE BREMSZYLINDER
430101062
STARTER-ELECTRIC
211630748
STATOR
210030198
STAUBKAPPE
920930035
STAUBSCHUTZ BREMSKOLBEN
490061212
STAUBSCHUTZ BREMSZANG
490061095
STAUBSCHUTZ BREMSZANGE
490061054
STAY,FR,RH,F.S.BLACK
35063090518R
STAY,GRIP,LH
350631358
STAY,GRIP,RH
350631359
STAY,RR,LH,F.S.BLACK
35063138718R
STAY,RR,RH,F.S.BLACK
35063090718R
STEP,RR,LH
340280377
STEP,RR,RH
340280378
STEUERKETTENSPANNER
120480080
STIEL
131070241
STIFT 10.1X12X14
920434009
STIFT 10X8.7X14
920431037
STIFT 4.2X6X12
920431262
STIFT 4X13,8
92042030
STIFT 6.2X8X14
920431263
STIFT 8.2X10X14 (VE5)
920431264
STIFT BREMSBELAEGE
920431489
STOPFEN
920660032
STOPFEN
920660071
STOPFEN
920661012
STOPFEN
920661110
STOPFEN 9,5X8
920661077
STOPPER
320850865
STOPPER,REAR STEP
320850047
STREBE
350630761
STREBE
920040050
STUETZE LI
391370670
STUETZE RE
391370671
STÜTZE
920040028
SWITCH
270100770
SWITCH,BRAKE
270100915
SWITCH,CLUTCH
270100925
SWITCH,CRUISE CONTROL CAN
270100923
SWITCH-ASSY
270485225
SWITCH-ASSY-IGNITION
270050671
SCHRAUBE BREMSSATTELBESTIGUNG
921531837
SIMMERRING TACHOANTRIEB
920491057
STAHLLAMELLE DICKE T=2,3
130891084
STAHLLAMELLE DICKE T=2,6
130891115
TANK PAD
999941262
TANK-COMP-FUEL,M.D.BLACK
51091505917K
TANKDECKEL
510490735
TANKSCHLOSS
210075072
TASSENSTOESEL
120320009
TAUCHROHR,GRAY
44008005311G
THERMOSTAT
490540004
THROTTLE-ASSY
161631201
TIRE,FR,120/70ZR17(58W),S
410090839
TIRE,RR,190/50ZR17(73W),S
410090840
TLDICHTRING,43X55.5X8.6
920490742
TOOL-KIT
560070167
TORX SCHRAUBE,5X12
921540299
TRIM,L=40
530440012
TRIM,L=65
530440718
TRIMM,L=30
530440001
TUBE
921921493
TUBE
921921494
TUBE
921921998
TUBE
921921999
TUBE,3.2X7.4X30
921911550
TUBE,3.2X7.4X40
921911551
TUBE,3.2X7.4X70
921911552
TUBE,ASWV-A/C
921921913
TUBE,CANISTER-VALVE
921921715
TUBE,TANK-CANISTER
921922420
TUBE,THROTTLE-FITTING
921922282
TUBE,VALVE-FITTING(THROTT
921922348
TUBE-ASSY
510440915
TUBE-ASSY,FUEL
510440899
TUELLE
920710024
TUELLE SEITENDECKEL
920711043
U-SCHEIB,8.4X16X1.6
922000807
U-SCHEIBE 5,2X16X1,2
25009004
U-SCHEIBE, 5.3X11X1
922001929
U-SCHEIBE,3.5X8X1
922001251
U-SCHEIBE,5.2X10X1.0
922001820
UNTERLEGS.10.1X14.5X1.5
490910001
UNTERLEGSCHEIBE
410S0600
UNTERLEGSCHEIBE
920221628
UNTERLEGSCHEIBE
920221868
UNTERLEGSCHEIBE
92022289
UNTERLEGSCHEIBE
920260082
UNTERLEGSCHEIBE
922000036
UNTERLEGSCHEIBE
922001388
UNTERLEGSCHEIBE 15.3X
92022326
UNTERLEGSCHEIBE 20,3X
920221116
UNTERLEGSCHEIBE 20,5X
92022112
UNTERLEGSCHEIBE 23X32X2.3
920221618
UNTERLEGSCHEIBE 25,5X47X2,5
92026022
UNTERLEGSCHEIBE 6,1X1 (VE10)
92022077
UNTERLEGSCHEIBE 8,5X2
920221317
UNTERLEGSCHEIBE,10MM
411AA1000
UNTERLEGSCHEIBE,5MM,BLA
461DB0500
UNTERLEGSTÜCK
922000855
USB-OUTLET
999941459
VALVE,SOLENOID
161260705
VALVE-ASSY-RELIEF
161300013
VENTIL AUSLASS
120050768
VENTIL EINLASS
120040747
VENTIL, LUFT.
161260745
VENTILKEIL
120111053
VERBDINDUNG
131590008
VERBINDUNGSSCHLAUCH
131591061
VERBINDUNGSSTUECK LUE
920051238
VERKLEIDUNG INNEN LI
550280613
VERKLEIDUNG INNEN RE
550280614
VERKLEIDUNG O, E.B.GREEN
55028061160R
VERKLEIDUNG VO
550280612
VERKLEIDUNG VO
550280621
VERSCHLUSS HAUPTBREMSZYLINDER
430261051
VENTILSCHAFTDICHTUNG
920491349
WASHER
922002268
WASHER
922002307
WASHER,10.2X18.4X1.8
922001691
WASHER,10.5X25X2.0 E
922001377
WASHER,12X18.5X0.5
922001487
WASHER,16X26X2.3
922000043
WASHER,20.5X31X1.5 E
922001375
WASHER,22.6X34.2X1.5
922001941
WASHER,22X32X1
922001942
WASHER,2ND,3RD,4TH E
922001240
WASHER,6.5X22X1.6 E
922001087
WASHER,8.0X22.0X3.5
922002387
WASHER,INPUT TOP&5TH E
922001239
WASHER,OUTPUT 3RD
922001523
WASHER,OUTPUT 4TH
922001522
WASHER,PILOT AIR SCRE
922001564
WEIGHT,HANDLE
130425025
WEIGHT,STEP STAY
130425013
WELLE
131070157
WELLE
131070214
WELLE KPL
132340038
WERKZEUG
921100060
WHEEL RIM TAPE SET GRN777
999940932
WHEEL RIM TAPE,SILVER 725
999940933
WIRE-LEAD
260110951
WIRE-LEAD,BATTERY(-)
260110822
WIRE-LEAD,DIAG CONNECTOR
260111901
ZAHNRAD,KPL,OELPUMPE
132160020
ZIERLEISTE
530441296
ZUGSTANGE
43007001618R
ZYLINDERDICHTUNG
110610402
ZSNDSPULE
211710033
ÖLDICHT,DS35X55X4
920490022
ÖLDICHTRING
920490798
ÖLDICHTRING
920491287
ÖLDICHTUNG
920490723
ÖLFILTER
160970008
ÖLDRUCKSCHALTER
270101313
KAWASAKI, ZX1002KPFNN 2023,ZX1002KPFAN 2023,ZX1002KRFNN 2024,ZX1002KRFAN 2024, CYLINDER HEAD
KAWASAKI, ZX1002KPFNN 2023,ZX1002KPFAN 2023,ZX1002KRFNN 2024,ZX1002KRFAN 2024, CYLINDER HEAD COVER
KAWASAKI, ZX1002KPFNN 2023,ZX1002KPFAN 2023,ZX1002KRFNN 2024,ZX1002KRFAN 2024, CYLINDER/PISTON(S)
KAWASAKI, ZX1002KPFNN 2023,ZX1002KPFAN 2023,ZX1002KRFNN 2024,ZX1002KRFAN 2024, AIR CLEANER
KAWASAKI, ZX1002KPFNN 2023,ZX1002KPFAN 2023,ZX1002KRFNN 2024,ZX1002KRFAN 2024, MUFFLER(S)
KAWASAKI, ZX1002KPFNN 2023,ZX1002KPFAN 2023,ZX1002KRFNN 2024,ZX1002KRFAN 2024, VALVE(S)
KAWASAKI, ZX1002KPFNN 2023,ZX1002KPFAN 2023,ZX1002KRFNN 2024,ZX1002KRFAN 2024, CAMSHAFT(S)/TENSIONER
KAWASAKI, ZX1002KPFNN 2023,ZX1002KPFAN 2023,ZX1002KRFNN 2024,ZX1002KRFAN 2024, CRANKSHAFT
KAWASAKI, ZX1002KPFNN 2023,ZX1002KPFAN 2023,ZX1002KRFNN 2024,ZX1002KRFAN 2024, BALANCER
KAWASAKI, ZX1002KPFNN 2023,ZX1002KPFAN 2023,ZX1002KRFNN 2024,ZX1002KRFAN 2024, CLUTCH
KAWASAKI, ZX1002KPFNN 2023,ZX1002KPFAN 2023,ZX1002KRFNN 2024,ZX1002KRFAN 2024, TRANSMISSION
KAWASAKI, ZX1002KPFNN 2023,ZX1002KPFAN 2023,ZX1002KRFNN 2024,ZX1002KRFAN 2024, GEAR CHANGE DRUM/SHIFT FORK(S)
KAWASAKI, ZX1002KPFNN 2023,ZX1002KPFAN 2023,ZX1002KRFNN 2024,ZX1002KRFAN 2024, GEAR CHANGE MECHANISM
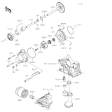
KAWASAKI, ZX1002KPFNN 2023,ZX1002KPFAN 2023,ZX1002KRFNN 2024,ZX1002KRFAN 2024, CRANKCASE
KAWASAKI, ZX1002KPFNN 2023,ZX1002KPFAN 2023,ZX1002KRFNN 2024,ZX1002KRFAN 2024, CRANKCASE BOLT PATTERN
KAWASAKI, ZX1002KPFNN 2023,ZX1002KPFAN 2023,ZX1002KRFNN 2024,ZX1002KRFAN 2024, ENGINE COVER(S)
KAWASAKI, ZX1002KPFNN 2023,ZX1002KPFAN 2023,ZX1002KRFNN 2024,ZX1002KRFAN 2024, OIL PAN
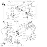
KAWASAKI, ZX1002KPFNN 2023,ZX1002KPFAN 2023,ZX1002KRFNN 2024,ZX1002KRFAN 2024, THROTTLE
KAWASAKI, ZX1002KPFNN 2023,ZX1002KPFAN 2023,ZX1002KRFNN 2024,ZX1002KRFAN 2024, FUEL PUMP
KAWASAKI, ZX1002KPFNN 2023,ZX1002KPFAN 2023,ZX1002KRFNN 2024,ZX1002KRFAN 2024, FUEL INJECTION
KAWASAKI, ZX1002KPFNN 2023,ZX1002KPFAN 2023,ZX1002KRFNN 2024,ZX1002KRFAN 2024, FUEL EVAPORATIVE SYSTEM
KAWASAKI, ZX1002KPFNN 2023,ZX1002KPFAN 2023,ZX1002KRFNN 2024,ZX1002KRFAN 2024, OIL PUMP
KAWASAKI, ZX1002KPFNN 2023,ZX1002KPFAN 2023,ZX1002KRFNN 2024,ZX1002KRFAN 2024, GENERATOR
KAWASAKI, ZX1002KPFNN 2023,ZX1002KPFAN 2023,ZX1002KRFNN 2024,ZX1002KRFAN 2024, IGNITION SYSTEM
KAWASAKI, ZX1002KPFNN 2023,ZX1002KPFAN 2023,ZX1002KRFNN 2024,ZX1002KRFAN 2024, STARTER MOTOR
KAWASAKI, ZX1002KPFNN 2023,ZX1002KPFAN 2023,ZX1002KRFNN 2024,ZX1002KRFAN 2024, RADIATOR
KAWASAKI, ZX1002KPFNN 2023,ZX1002KPFAN 2023,ZX1002KRFNN 2024,ZX1002KRFAN 2024, WATER PIPE
KAWASAKI, ZX1002KPFNN 2023,ZX1002KPFAN 2023,ZX1002KRFNN 2024,ZX1002KRFAN 2024, FRAME
KAWASAKI, ZX1002KPFNN 2023,ZX1002KPFAN 2023,ZX1002KRFNN 2024,ZX1002KRFAN 2024, ENGINE MOUNT
KAWASAKI, ZX1002KPFNN 2023,ZX1002KPFAN 2023,ZX1002KRFNN 2024,ZX1002KRFAN 2024, FRAME FITTINGS
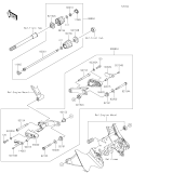
KAWASAKI, ZX1002KPFNN 2023,ZX1002KPFAN 2023,ZX1002KRFNN 2024,ZX1002KRFAN 2024, SWINGARM
KAWASAKI, ZX1002KPFNN 2023,ZX1002KPFAN 2023,ZX1002KRFNN 2024,ZX1002KRFAN 2024, SUSPENSION/SHOCK ABSORBER
KAWASAKI, ZX1002KPFNN 2023,ZX1002KPFAN 2023,ZX1002KRFNN 2024,ZX1002KRFAN 2024, FOOTRESTS
KAWASAKI, ZX1002KPFNN 2023,ZX1002KPFAN 2023,ZX1002KRFNN 2024,ZX1002KRFAN 2024, FRONT FENDER(S)
KAWASAKI, ZX1002KPFNN 2023,ZX1002KPFAN 2023,ZX1002KRFNN 2024,ZX1002KRFAN 2024, REAR FENDER(S)
KAWASAKI, ZX1002KPFNN 2023,ZX1002KPFAN 2023,ZX1002KRFNN 2024,ZX1002KRFAN 2024, STAND(S)
KAWASAKI, ZX1002KPFNN 2023,ZX1002KPFAN 2023,ZX1002KRFNN 2024,ZX1002KRFAN 2024, TIRES
KAWASAKI, ZX1002KPFNN 2023,ZX1002KPFAN 2023,ZX1002KRFNN 2024,ZX1002KRFAN 2024, FRONT HUB
KAWASAKI, ZX1002KPFNN 2023,ZX1002KPFAN 2023,ZX1002KRFNN 2024,ZX1002KRFAN 2024, REAR HUB
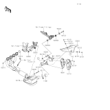
KAWASAKI, ZX1002KPFNN 2023,ZX1002KPFAN 2023,ZX1002KRFNN 2024,ZX1002KRFAN 2024, BRAKE PEDAL
KAWASAKI, ZX1002KPFNN 2023,ZX1002KPFAN 2023,ZX1002KRFNN 2024,ZX1002KRFAN 2024, BRAKE PIPING
KAWASAKI, ZX1002KPFNN 2023,ZX1002KPFAN 2023,ZX1002KRFNN 2024,ZX1002KRFAN 2024, FRONT MASTER CYLINDER
KAWASAKI, ZX1002KPFNN 2023,ZX1002KPFAN 2023,ZX1002KRFNN 2024,ZX1002KRFAN 2024, FRONT BRAKE
KAWASAKI, ZX1002KPFNN 2023,ZX1002KPFAN 2023,ZX1002KRFNN 2024,ZX1002KRFAN 2024, REAR MASTER CYLINDER
KAWASAKI, ZX1002KPFNN 2023,ZX1002KPFAN 2023,ZX1002KRFNN 2024,ZX1002KRFAN 2024, REAR BRAKE
KAWASAKI, ZX1002KPFNN 2023,ZX1002KPFAN 2023,ZX1002KRFNN 2024,ZX1002KRFAN 2024, HANDLEBAR
KAWASAKI, ZX1002KPFNN 2023,ZX1002KPFAN 2023,ZX1002KRFNN 2024,ZX1002KRFAN 2024, FRONT FORK
KAWASAKI, ZX1002KPFNN 2023,ZX1002KPFAN 2023,ZX1002KRFNN 2024,ZX1002KRFAN 2024, FUEL TANK
KAWASAKI, ZX1002KPFNN 2023,ZX1002KPFAN 2023,ZX1002KRFNN 2024,ZX1002KRFAN 2024, SEAT
KAWASAKI, ZX1002KPFNN 2023,ZX1002KPFAN 2023,ZX1002KRFNN 2024,ZX1002KRFAN 2024, METER(S)
KAWASAKI, ZX1002KPFNN 2023,ZX1002KPFAN 2023,ZX1002KRFNN 2024,ZX1002KRFAN 2024, CABLES
KAWASAKI, ZX1002KPFNN 2023,ZX1002KPFAN 2023,ZX1002KRFNN 2024,ZX1002KRFAN 2024, SIDE COVERS
KAWASAKI, ZX1002KPFNN 2023,ZX1002KPFAN 2023,ZX1002KRFNN 2024,ZX1002KRFAN 2024, HEADLIGHT(S)
KAWASAKI, ZX1002KPFNN 2023,ZX1002KPFAN 2023,ZX1002KRFNN 2024,ZX1002KRFAN 2024, TAILLIGHT(S)
KAWASAKI, ZX1002KPFNN 2023,ZX1002KPFAN 2023,ZX1002KRFNN 2024,ZX1002KRFAN 2024, TURN SIGNALS
KAWASAKI, ZX1002KPFNN 2023,ZX1002KPFAN 2023,ZX1002KRFNN 2024,ZX1002KRFAN 2024, CHASSIS ELECTRICAL EQUIPMENT
KAWASAKI, ZX1002KPFNN 2023,ZX1002KPFAN 2023,ZX1002KRFNN 2024,ZX1002KRFAN 2024, IGNITION SWITCH
KAWASAKI, ZX1002KPFNN 2023,ZX1002KPFAN 2023,ZX1002KRFNN 2024,ZX1002KRFAN 2024, OWNER'S TOOLS
KAWASAKI, ZX1002KPFNN 2023,ZX1002KPFAN 2023,ZX1002KRFNN 2024,ZX1002KRFAN 2024, LABELS
KAWASAKI, ZX1002KPFNN 2023,ZX1002KPFAN 2023,ZX1002KRFNN 2024,ZX1002KRFAN 2024, DECALS(WHITE)
KAWASAKI, ZX1002KPFNN 2023,ZX1002KPFAN 2023,ZX1002KRFNN 2024,ZX1002KRFAN 2024, DECALS(GREEN)
KAWASAKI, ZX1002KPFNN 2023,ZX1002KPFAN 2023,ZX1002KRFNN 2024,ZX1002KRFAN 2024, DECALS(RED)
KAWASAKI, ZX1002KPFNN 2023,ZX1002KPFAN 2023,ZX1002KRFNN 2024,ZX1002KRFAN 2024, DECALS(BLACK)
KAWASAKI, ZX1002KPFNN 2023,ZX1002KPFAN 2023,ZX1002KRFNN 2024,ZX1002KRFAN 2024, DECALS(GREEN)
KAWASAKI, ZX1002KPFNN 2023,ZX1002KPFAN 2023,ZX1002KRFNN 2024,ZX1002KRFAN 2024, DECALS(GRAY)
KAWASAKI, ZX1002KPFNN 2023,ZX1002KPFAN 2023,ZX1002KRFNN 2024,ZX1002KRFAN 2024, DECALS(RED/EBONY)
KAWASAKI, ZX1002KPFNN 2023,ZX1002KPFAN 2023,ZX1002KRFNN 2024,ZX1002KRFAN 2024, COWLING
KAWASAKI, ZX1002KPFNN 2023,ZX1002KPFAN 2023,ZX1002KRFNN 2024,ZX1002KRFAN 2024, COWLING LOWERS
KAWASAKI, ZX1002KPFNN 2023,ZX1002KPFAN 2023,ZX1002KRFNN 2024,ZX1002KRFAN 2024, COWLING LOWERS(KRFNN-KRFBN)
KAWASAKI, ZX1002KPFNN 2023,ZX1002KPFAN 2023,ZX1002KRFNN 2024,ZX1002KRFAN 2024, ACCESSORY(ENG. COVER RING AND CAP)
KAWASAKI, ZX1002KPFNN 2023,ZX1002KPFAN 2023,ZX1002KRFNN 2024,ZX1002KRFAN 2024, ACCESSORY(SLIDER)
KAWASAKI, ZX1002KPFNN 2023,ZX1002KPFAN 2023,ZX1002KRFNN 2024,ZX1002KRFAN 2024, ACCESSORY(WINDSHIELD)
KAWASAKI, ZX1002KPFNN 2023,ZX1002KPFAN 2023,ZX1002KRFNN 2024,ZX1002KRFAN 2024, ACCESSORY(PILLION SEAT COVER)
KAWASAKI, ZX1002KPFNN 2023,ZX1002KPFAN 2023,ZX1002KRFNN 2024,ZX1002KRFAN 2024, ACCESSORY(BAG FITTING KIT)
KAWASAKI, ZX1002KPFNN 2023,ZX1002KPFAN 2023,ZX1002KRFNN 2024,ZX1002KRFAN 2024, ACCESSORY(SEAT)
KAWASAKI, ZX1002KPFNN 2023,ZX1002KPFAN 2023,ZX1002KRFNN 2024,ZX1002KRFAN 2024, ACCESSORY(GRIP HEATER)
KAWASAKI, ZX1002KPFNN 2023,ZX1002KPFAN 2023,ZX1002KRFNN 2024,ZX1002KRFAN 2024, ACCESSORY(DC AND USB SOCKET)
KAWASAKI, ZX1002KPFNN 2023,ZX1002KPFAN 2023,ZX1002KRFNN 2024,ZX1002KRFAN 2024, ACCESSORY(TANK PADS AND METER FILM)
KAWASAKI, ZX1002KPFNN 2023,ZX1002KPFAN 2023,ZX1002KRFNN 2024,ZX1002KRFAN 2024, ACCESSORY(WHEEL RIM TAPE)

https://kawasakistore.de/