KAWASAKI

Spare Parts Catalogue KAWASAKI ER300AFF 2015,ER300AGF 2016

#3,BLACK
921390787
#3,BLUE
921390786
#3,YELLO
921390788
4T
920281858
4TH,22T
132620464
92022304
92022304
ABDECKUNG AUSPUFF
140410572
ABDECKUNG GENERATOR
140310562
ABDECKUNG LICHT
140920001
ABDECKUNG PUMPE
161420708
ABDECKUNG PUMPE
161420707
ABDICHTUNG
490160591
ANSCHLAG
430221010
ANTRIEBKET.,EK520SR-O
920570019
ARM-COMP-SWING,F.S.BLACK
33001063218R
AUFKLEBER, HINWEIS
560710320
AUFLAGE
391560928
AUFLAGE,13X43X12
391560978
AUFLAGE,9X60X4
391560820
AUSGANGSWELLE
131280037
AUSLASSVENTIL
120050057
AUSPUFFDICHTUNG
110610432
AUSWUCHTGEWICHT,10G,SIL.
410750007
AUSWUCHTGEWICHT,20G,SIL.
410750008
AUSWUCHTGEWICHT,30G,SIL.
410750009
BATTERIE,FTX9-BS,12V 8AH
260120730
BEARING-BALL,6806
920451152
BEFESTIGUNGSBAND
920721414
BEFESTIGUNGSBAND
920720012
BEFESTIGUNGSBAND L=18
920721195
BEFESTIGUNGSKLAMMER
920371163
BEFESTIGUNGSKLAMMER 55MM
920371486
BEHAELTER
430780040
BENZINLEITUNG
310640164
BEZINPUMPE
490400713
BIRNE 12V 10W
920690076
BIRNE 12V 5W
920691016
BIRNE 12V21/5W
92069063
BIRNE,12V 10W
920690058
BIRNE,12V 55W,H7
920690053
BLINKER LI HI
230370304
BLINKER LI VO
230370308
BLINKER RE HI
230370305
BLINKER RE VO
230370309
BLINKERGLAS
230480026
BLINKERGLAS
230480025
BODY,THERMO.,LWR
161600762
BODY-COMP-MUFFLER
180910953
BOLT,10X14
921541259
BOLT,FLANGED,6X135
921541189
BOLT,FLANGED,6X16
921540357
BOLT,FLANGED,6X25
921541212
BOLT,FLANGED,8X12
921541111
BOLT,SOCKET,10X105
921541767
BOLT,SOCKET,6X14
921531886
BOLZEN
920040040
BOOT,CLUTCH CABLE
490060579
BOSS
130610782
BRACKET
110567090
BRACKET
110562403
BRACKET
110562180
BRACKET
110562179
BRACKET
110562174
BRACKET,RADIATOR CAP
110562215
BRACKET,REGULATOR
110562166
BRACKET,RESERVOIR
110562108
BRACKET,SHROUD
110562410
BRACKET,SHROUD
110562107
BRACKET,UPP COWL.
110567517
BRACKET,UPP COWL.,BASE
110562103
BRACKET,VISOR
110562104
BRACKET-COMP-ENGINE,RH
310590009
BREMSBELAG
430820128
BREMSHEBEL
460921203
BREMSHEBEL
430010721
BREMSKABEL
430950770
BREMSKABEL
430950767
BREMSKABEL
430950765
BREMSKOLBEN
430481068
BREMSKOLBEN
430481066
BREMSKOLBEN
430200022
BREMSLICHTSCHALTER
270101170
BREMSSCHEIBE
41080059111H
BREMSSCHEIBE
41080057811H
BREMSZANGE
43080012525S
BUCHSE
920281598
BUCHSE
920281597
BUCHSE ,9.4X25X28
920281564
BUCHSE VORDERGABEL
440650058
BUCHSE VORDERGABEL
440650057
BUCHSE, #2,BLACK
921390791
BUCHSE, #2,BLUE
921390790
BUCHSE, #2,YELLOW
921390792
BUCHSE,25X28X10.4
921390793
BUCHSE,25X32X29.1
921390773
BUCHSE,26X28X16.6
921390781
BUCHSE,VERBINDUNG,BL
921390783
BUCHSE,VERBINDUNG,BL
921390782
BUCHSE,VERBINDUNG,BR
921390784
BUND
921521692
BUND
921521682
BUND
921520332
BSGEL
321900629
BSGEL
320740018
BSGEL
320520718
BSGEL
310590061
BSGEL
230620782
BSGEL
230620741
BSGEL
230620739
BSGEL
110562310
BSGEL
110562306
BSGEL
110562300
BSGEL
110562214
BSGEL
110561823
BSGEL
110561641
BSGEL
110561640
BSGEL
110561633
BSGEL
110561569
BSGEL,SCHUTZBLECH
350300055
CALIPER-SUB-ASSY,RR,BLACK
43080012625S
CAP
110650883
CASE-ASSY-AIR FILTER
110380046
CLAMP
921731416
CLAMP
921731161
CLAMP,CLUTCH CABLE
921731085
CLAMP,HOSE
921701091
CLAMP,IGNITION
921731083
COLLAR,10.2X14X7
921522129
COLLAR,SPG
921521957
CONTROL UNIT-ELECTRONIC
211750948
COVER SEAT,C.F.B.GREEN
53065006435K
COVER SEAT,CNT,M.F.S.BLAC
530650062739
COVER SEAT,CNT,M.S.BLACK
530650062660
COVER SEAT,M.F.R.GRAYSTON
53065006435B
COVER SEAT,M.S.BLACK
530650064660
COVER SEAT,SIDE,LH,M.F.S.
530650026739
COVER SEAT,SIDE,LH,M.S.BL
530650026660
COVER SEAT,SIDE,RH,M.F.S.
530650027739
COVER SEAT,SIDE,RH,M.S.BL
530650027660
COVER SEAT,TAIL,LH,C.F.B.
53065006035K
COVER SEAT,TAIL,LH,GRAYST
53065006035B
COVER SEAT,TAIL,LH,M.S.BL
530650060660
COVER SEAT,TAIL,RH,C.F.B.
53065006135K
COVER SEAT,TAIL,RH,GRAYST
53065006135B
COVER SEAT,TAIL,RH,M.S.BL
530650061660
COVER,INNER,LH
140930153
COVER,INNER,RH
140930154
COVER,KNEE GRIP,LH
140921012
COVER,KNEE GRIP,LH,F.BLAC
1409210126Z
COVER,KNEE GRIP,RH
140921013
COVER,KNEE GRIP,RH,F.BLAC
1409210136Z
COVER,RR FENDER
140921106
COVER,THERMOSTAT
140930224
COVER,VISOR
140921009
COVER-METER CASE
250230116
COVER-MUFFLER,END
491060747
COWLING,LWR,LH,C.F.B.GREE
55028046235K
COWLING,LWR,LH,M.F.R.GRAY
55028046235B
COWLING,LWR,LH,M.F.S.BLAC
550280462739
COWLING,LWR,RH,C.F.B.GREE
55028046335K
COWLING,LWR,RH,M.F.R.GRAY
55028046335B
COWLING,LWR,RH,M.F.S.BLAC
550280463739
COWLING,UPP,CNT
550280459
COWLING,UPP,LH,C.F.B.GREE
55028046035K
COWLING,UPP,LH,M.F.R.GRAY
55028046035B
COWLING,UPP,LH,M.S.BLACK
550280460660
COWLING,UPP,RH,C.F.B.GREE
55028046135K
COWLING,UPP,RH,M.F.R.GRAY
55028046135B
COWLING,UPP,RH,M.S.BLACK
550280461660
CYLINDER-ASSY-MASTER,FR
430150620
CYLINDER-ASSY-MASTER,RR
430150621
CYLINDER-SET-FORK
440230123
DAEMPFER
921610776
DAEMPFER
921610700
DAEMPFER
921610631
DAEMPFER
921610625
DAEMPFER
921601190
DAEMPFER
920751690
DAEMPFER MOTORHALTER
920751738
DAEMPFER AUSPUFFTOPF
921601116
DAEMPFER FEDERBEIN
921601161
DAEMPFER, MOTORHALTER
920751739
DAEMPFER,10X11.5
921610690
DAEMPFER,10X24X12
921610927
DAEMPFER,10X7.5
921610691
DAMPER,40X180X20
921611762
DAMPER-ASSY,FORK,LH,F.S.B
44071100018R
DAMPER-ASSY,FORK,RH,F.S.B
44071106718R
DECKEL
161151068
DECKEL
140921002
DECKEL
140920954
DECKEL
140920951
DECKEL
140920920
DECKEL
110650749
DECKEL
11065074818T
DECKEL
110650349
DECKEL
11065026218T
DECKEL
110650213
DECKEL
110121898
DECKEL AUSGLEICHSBEHA
110121084
DECKEL BREMSZY.HI
430260009
DECKEL ZUENDSCHLOSS
110650708
DECKEL, WASSERKUEHLER
490851066
DECKEL,EINSTELLSCHRAUBE
11012187118R
DICHTUNG
921040004
DICHTUNG
920930587
DICHTUNG
920930144
DICHTUNG
920930078
DICHTUNG
430491064
DICHTUNG
430491063
DICHTUNG
110611203
DICHTUNG
110610854
DICHTUNG
110610795
DICHTUNG
110610794
DICHTUNG
110610793
DICHTUNG
110610792
DICHTUNG
110610791
DICHTUNG
110610790
DICHTUNG
110610283
DICHTUNG
110040734
DICHTUNG 10X14.5X1.5
110091105
DICHTUNG AUSGLEICHSBE
110091145
DICHTUNG BREMSKOLBEN
430491061
DICHTUNG BREMSKOLBEN
430491060
DICHTUNG TAUCHROHR
44045051
DICHTUNG, MECHANISCH
490631055
DICHTUNG,10.5X16X1
110610373
DICHTUNG,12X22X2
110610417
DISTANZSCHEIBE
920261217
DISTANZSCHEIBE
920260734
DRUCKVENTIL
161260039
DZMPFER
921611497
DZMPFER
921611473
DZMPFER
921611462
DZMPFER
921611460
DZMPFER
921611459
DZMPFER
921611426
DZMPFER
921610951
DZMPFER,15X15X5
921611522
DZMPFER,ACV
921611424
DÄMPFER
921611466
DÄMPFER
921610054
DÄMPFER
921610046
DÄMPFER
921601613
DÄMPFER
920751808
DÄMPFER 10X20X12
921601167
EINLASSKANAL
140730762
EINSPRITZDSSE
490330558
EINSTELLSCHRAUBE,8MM
920091134
ELEKTR.STARTER
211630717
ENGINE GUARDS, ROUND PAD
999940648
ENTLASTUNGSVENTIL
161300002
ENTLSFTER
140690011
ENTLSFTER,BREMSE
430560004
EINSTELLSCHRAUBE
920151197
FASSUNG
230080138
FASSUNG SCHEINWERFER
230170004
FASSUNG STANDL.
230080152
FEDER
921450911
FEDER
921450895
FEDER
921450804
FEDER
921450683
FEDER
921450656
FEDER
920811737
FEDER
920811620
FEDER
92081159
FEDER
92081076
FEDER
490780077
FEDER
440260126
FEDER
210400003
FEDER BREMSPEDAL
920811833
FEDER FUSSR.
921441567
FEDER FUSSRASTE HI
920811612
FEDER SCHALTPEDAL
921441074
FEDER, BREMSBEL.
921441847
FEDERSITZ
160070708
FEDERSITZ
160070028
FENDER-FRONT,M.F.S.BLACK
350040318739
FENDER-FRONT,M.S.BLACK
350040318660
FITTING,CYLINDER
920050777
FLAMMSCHUTZ
590060014
FLANSCHSCHRAUBE,10X135
921540359
FLANSCHSCHRAUBE,10X210
921540360
FLANSCHSCHRAUBE,10X240
921530559
FLANSCHSCHRAUBE,10X42
921531957
FLANSCHSCHRAUBE,10X55
921540070
FLANSCHSCHRAUBE,12X55
921540362
FLANSCHSCHRAUBE,5X12
130BB0512
FLANSCHSCHRAUBE,6X10
132BB0610
FLANSCHSCHRAUBE,6X10
130BB0610
FLANSCHSCHRAUBE,6X10
130BA0610
FLANSCHSCHRAUBE,6X12
921531295
FLANSCHSCHRAUBE,6X12
132BA0612
FLANSCHSCHRAUBE,6X12
130BA0612
FLANSCHSCHRAUBE,6X14
132BA0614
FLANSCHSCHRAUBE,6X14
130BA0614
FLANSCHSCHRAUBE,6X16
921531798
FLANSCHSCHRAUBE,6X16
132BA0616
FLANSCHSCHRAUBE,6X18
130BA0618
FLANSCHSCHRAUBE,6X20
132BA0620
FLANSCHSCHRAUBE,6X20
130BA0620
FLANSCHSCHRAUBE,6X20,BLC
130CB0620
FLANSCHSCHRAUBE,6X25
132BB0625
FLANSCHSCHRAUBE,6X25
130BA0625
FLANSCHSCHRAUBE,6X25,BLA
130CB0625
FLANSCHSCHRAUBE,6X35
132BA0635
FLANSCHSCHRAUBE,6X6
921531763
FLANSCHSCHRAUBE,8X14
130BA0814
FLANSCHSCHRAUBE,8X90
921531632
FLUEGELRAD
592560554
FRAME-COMP,F.S.BLACK
32160078518R
FREILAUFKUPPLUNG
131931002
FUEHRUNG
490020009
FUSSRASTE LI VO
340280318
FUSSRASTE RE VO
340280319
FUSSRASTE,HI,RE
340281489
FUSSRASTENHALTER LI HI
350631271
FUSSRASTENHALTER LI VO
350630999
FUSSRASTENHALTER RE HI
350631272
FUSSRASTENHALTER RE VO
350631000
FSHRUNG
120530191
FUSSRASTE HINTEN LINKS
340281488
FUSSRASTENNIPPEL
920021995
GABELFEDERSITZ
440291127
GASGRIFF
460190060
GASKET,DRAIN
110610875
GASKET-LIQUID TB1216B
921041064
GEAR,INPUT TOP,28T
132621181
GEAR-COMP,ONEWAY CLUTCH,6
132160880
GEHAEUSE,KPL
460910205
GEHZUSE
460910249
GEHZUSE
130950561
GETR.,AUS 2ND,34T
132620468
GETR.,AUS 3RD,31T
132620466
GETR.,AUS 4TH,29T
132620467
GETR.,AUS 5TH,27T
132620470
GETR.AUS. LOW,38T
132620921
GETR.AUS. TOP,24T
132620923
GETR.EIN 2ND,19T
132620461
GETR.EIN 5TH,27T
132620922
GETRIEBE,OELPUMPE
160850133
GLAS LEUCHTE NUMMERNSCH.
230260023
GRIFF
921060004
GUARD,INNER TUBE
550200929
GUMMIDÄMPFER TANK (RUND)
920751115
HALTER
43034002118R
HALTER
160650119
HALTER
140440049
HALTER
132800301
HALTER
132800261
HALTER
132800226
HALTER
130911464
HALTER BREMSE
110451641
HALTER BREMSSATTEL
430441112
HALTER HAUPTBREMSZYLI
430341016
HALTER HECKLEUCHTE
230360304
HALTER KUPPLUNGSHEBEL
132800105
HANDLE,F.S.BLACK
46003059318R
HARNESS,MAIN
260311799
HECKLEUCHTE
230250350
HINTERACHSE
410681223
HINWEISLABEL
560300706
HOLDER-FORK UNDER
440370152
HOLDER-FORK UPPER,F.BLACK
44039014821
HOSE-COOLING,OVERFLOW
390620617
HOSE-COOLING,RAD.-CAP
390620694
HOSE-COOLING,RAD.-W/P
390620695
HOSE-COOLING,RESERVOIR-CA
390620645
HOSE-COOLING,THERMO.-CAP
390620692
HOSE-COOLING,THERMO.-HEAD
390620691
HOSE-COOLING,W/P-CYLINDER
390620693
HUELSE
921520658
HUELSE
921520445
HUELSE
921520295
HUELSE
420361218
HUELSE 12.1X20X74
420361102
HUELSE 13X18,3X21,5
920271440
HUELSE GETRIEBAUSGANG
921431968
HUELSE L=25
420361055
HUELSE UNITRAK
420361078
HUELSE UNITRAK
420361077
HUELSE,17X28(38)X15
921520844
HUELSE,17X35X13
921520843
HUELSE,6.8X10(16)X6.6
921520842
HUELSE,6.8X10X13
921520846
HUPE
270030085
HSLSE,15.1X20X80
921521586
HSLSE,5.8X8.2X4.7
921521697
HSLSE,ACHSE,FO,L=24
921431187
HSLSE,L=111
921431416
INBUSSCHRAUBE
120CA0816
INBUSSCHRAUBE,5X16
120CB0516
INBUSSCHRAUBE,6X10
120CB0610
INBUSSCHRAUBE,6X10
120CA0610
INBUSSCHRAUBE,8X25
120CA0825
ISOLATOR
160730129
ISOLATOR
160730053
KABELBAUM,BATTERY(+)
260110798
KABELBAUM,BATTERY(-)
260110803
KABELBAUM,STARTER
260110808
KANAL,VERGASER
140730733
KAPPE
110121438
KAPPE HAUPTBREMSZYLIN
430261074
KAPPE LIMADECKEL
110121362
KEIL
92038001
KETTENABDECKUNG
140260096
KETTENFUEHRUNG
120530139
KETTENFUEHRUNG
120530102
KETTENKASTEN
360140555
KETTENRAD,42T
420410118
KETTENSPANNER INNEN
330401116
KETTENSPANNER,AUÁEN,BLAC
33040003018R
KIT,FUEL FILTER
999990524
KIT,SINGLE SEAT,C.F.B.GRE
99994035435K
KIT,SINGLE SEAT,GRAYSTONE
99994035435B
KIT,SINGLE SEAT,M.S.BLACK
999940354660
KLAMMER
921730978
KLAMMER
921730936
KLAMMER
921730907
KLAMMER
921730868
KLAMMER
921711539
KLAMMER
921710059
KLAMMER
921701514
KLAMMER
921701017
KLAMMER 12MM DIA.
921730736
KLAMMER,42MM
921730942
KLAMMER,47MM
921730919
KLAMMER,53MM
921730956
KLAPPE
350190566
KNIESTUECK
131591056
KOHLEBUERSTEN
210390005
KUGEL,1/4
921400008
KUGELLAGER
920451013
KUGELLAGER
920450735
KUGELLAGER
920450734
KUGELLAGER
920450067
KUGELLAGER
601B6205G
KUGELLAGER 6303UUC3
601B6303UU
KUPPLUNG
420330574
KUPPLUNGSDECKEL
140320579
KUPPLUNGSHEBEL
460920050
KUPPLUNGSKABEL
540110565
KUPPLUNGSNABE
130870558
KUPPLUNGSSCHNECKE,KPL
131020040
KURBELWELLE,KPL
130310770
KURBELWELLEGEHZUSE
140010610
KAPPE ENTLÜFTERNIPPEL
430571001
LABEL
560530677
LABEL
560330758
LABEL
560300779
LABEL-SPECIFICATION,TIRE&
560530973
LAGERSCHALE
92048008
LAGERSCHALE
92048006
LAGERSCHALE
92047012
LAGERSCHALE
92047011
LAGERSCHALE 62MM
14013004
LAGERSCHALE AUSGLEICH
920281423
LAGERSCHALE AUSGLEICHSW. BLAU
920281422
LAGERSCHALE, BRAUN, B
920281424
LAMP-ASSY,LICENCE
230160582
LEATHER,FR SEAT,BLACK
530030339MA
LEATHER,RR SEAT,BLACK
530030340MA
LEERLAUFSCHALTER
131511102
LENKERGEWICHT
130420032
LENKERGRIFF LI
460750564
LENKERHALTER OBEN
460120314
LENKKOPFMUTTER
92090007
LEVER-ASSY-GRIP,CLUTCH
460760090
LEVER-COMP
132360754
LUFTFILTERELEMENT
110130020
LSFTER,KPL.
595020050
MANIFOLD-COMP-EXHAUST
391780229
MANSCHETTE
490061242
MANSCHETTE BREMSZANGE
490061088
MARK,FUEL TANK,KAWASAKI
560541988
MARK,FUEL TANK,KAWASAKI
560541477
MARK,FUEL TANK,Z300
560541997
MARK,FUEL TANK,Z300
560541996
MARK,FUEL TANK,Z300
560541745
MARK,FUEL TANK,Z300
560541737
MARK,SHROUD,Z300
560541746
MARK,SHROUD,Z300
560541702
MEMBRANE HAUPTBREMSZY
430281065
MEMBRANE HAUPTBREMSZY
430281061
MEMBRANVENTIL
120210708
METER-ASSY,COMBINATION
250310713
MOTORVENTIL
130010742
MOTORZYLINDER
110050653
MUTTER
922101323
MUTTER
922101081
MUTTER
922100615
MUTTER
922100498
MUTTER
92016028
MUTTER
920151947
MUTTER
920151946
MUTTER
920151627
MUTTER
920151531
MUTTER 10MM
922100784
MUTTER F.SPLINT,14MM
920151765
MUTTER,10MM
920151415
MUTTER,12MM
922101247
MUTTER,5MM
922100817
MUTTER,5MM
922100007
MUTTER,6MM
922100779
MUTTER,6MM
922100778
MUTTER,6MM
922100006
MUTTER,6MM
920151476
MUTTER,6MM
920151367
MUTTER,6MM
920151233
MUTTER,8MM
920151658
MUTTER,8MM
920151364
MUTTER,8MM (VE5)
920151014
MUTTER,M20
922100605
MUTTER,PLEUEL
920151527
MUTTER,POP,6MM,L=15
922101397
MUTTER,RE,THREAD 8MM
922101242
MUTTER 10MM
920151387
NADELLAGER
920460610
NADELLAGER
920460607
NADELLAGER,HK1210FM
920460034
NIETE
920390709
NIETE
920390014
NOCKE SCHALTWALZE
131450556
NOCKENKETTE
920570595
NOCKENWELLE,AUSLASS
491180743
NOCKENWELLE,EINLASS
491180742
NUT,5MM
922100001
O-RING
920551276
O-RING
920550728
O-RING
920550195
O-RING
920550136
O-RING
920550124
O-RING
671B2550
O-RING
670D2010
O-RING 16MM
670B2016
O-RING 18MM
670B2018
O-RING 14,8X2,4
920550741
O-RING 20X2
920551146
O-RING 31,5X2,6
92055049
O-RING 4.5X2.0
920551370
O-RING OELFILTER
920551354
O-RING,11.8X2.4
920550733
O-RING,19.8X2.2
920550732
O-RING,2.4MM
920550735
O-RING,34.4X3.1
920550736
O-RING,39.4X3.1
920550734
O-RING,9.5X1.9
920550016
OELSCHAUGLAS
520051009
OELSIEB
490650711
OWNER'S MANUAL,EN/FR/DE,E
999761985
OWNER'S MANUAL,EN/FR/DE,E
999761861
OWNER'S MANUAL,IT/ES/NL,E
999761986
OWNER'S MANUAL,IT/ES/NL,E
999761862
PAD
391560998
PAD,10X105X4
391561753
PAD,SHROUND,RH
391561944
PAD,SLIDER
391561913
PAN-OIL
490340563
PASSTIFT 4X6
610A0406
PATTERN,SHROUD,LH,LWR
560751491
PATTERN,SHROUD,LH,LWR
560751483
PATTERN,SHROUD,LH,LWR
560750230
PATTERN,SHROUD,LH,LWR
560750226
PATTERN,SHROUD,LH,UPP
560751490
PATTERN,SHROUD,LH,UPP
560751482
PATTERN,SHROUD,LH,UPP
560750229
PATTERN,SHROUD,LH,UPP
560750225
PATTERN,SHROUD,RH,LWR
560751493
PATTERN,SHROUD,RH,LWR
560751485
PATTERN,SHROUD,RH,LWR
560750232
PATTERN,SHROUD,RH,LWR
560750228
PATTERN,SHROUD,RH,UPP
560751492
PATTERN,SHROUD,RH,UPP
560751484
PATTERN,SHROUD,RH,UPP
560750231
PATTERN,SHROUD,RH,UPP
560750227
PEDALSCHALTHEBEL
132420088
PIN,3.5X6X16
920431309
PIPE-FORK INNER
440130248
PIPE-LEFT FORK OUTER,F.S.
44005010218R
PIPE-RIGHT FORK OUTER,F.S
44006010218R
PIPE-WATER
391920590
PIPE-WATER,W/P-CYLINDER
391920600
PISTON-COMP-BRAKE
430200023
PLATTE
140140565
PLATTE
140140564
PLATTE
132721330
PLATTE
132721303
PLATTE
132721257
PLATTE
132720261
PLATTE
132720260
PLATTE
131870553
PLATTE
130890558
PLATTE
130880558
PLATTE
130880557
PLATTE MEMBRANE
430271053
PLUG
920660003
PLUG,OIL DRAIN,12X15
920660767
PASSHÜLSE 6,3X8X14
92042007
QUERLENKER
390070355
RADIATOR
390600711
REFLEKTOR
280121077
REGULATOR-VOLTAGE
210660722
REIFENVENTIL
161261140
RELAIS
270020025
RELAIS,KPL
270020059
RESERVOIR
430780563
RING-O,FORK SPRING SE
920551384
RING-SNAP
920331286
RING-SNAP
920331236
RING-SNAP,PISTON PIN
920330732
ROLLE
921220557
ROTOR
210070569
ROTOR
161540711
RADLAGER #6203UUC
601B6203UU
RITZELSICHERUNGSBLECH
922000851
SCHALE,25X33X14
921390293
SCHALTER
270100726
SCHALTER
270100099
SCHALTER KUPPLUNG
270100729
SCHALTER SEITENSTZNDER
270100097
SCHALTGABEL
131401148
SCHALTGABEL OUT
131401149
SCHALTHEBEL
132420087
SCHALTHEBEL
131610560
SCHALTWALZE
132390562
SCHEIBE
922000783
SCHEIBE
922000386
SCHEIBE,10X30X9
922000790
SCHEIBE,5.2X12X1.0
922000784
SCHEIBE,5.2X16X1.2
922000583
SCHEIBE,5.5X20X1.2
922000284
SCHEIBE,6.3X13.5X1
922000788
SCHEIBE,6.5X24X1.6
922000789
SCHEIBE,6X20X1.6
922000212
SCHEIBE,8.2X16X1
922000434
SCHEIBE,8.5X18X1.6
922000860
SCHEIBE,8.5X20X1.6
922000490
SCHEINWERFER
230070193
SCHELLE
921731417
SCHELLE
921730050
SCHELLE
921730049
SCHELLE
921730028
SCHELLE
921710305
SCHELLE,11.6MM
921730198
SCHELLE,14MM
921730192
SCHELLE,18MM
921730193
SCHELLE,20MM
921730190
SCHELLE,L=45
921730194
SCHLAUCH
921921231
SCHLAUCH
921921097
SCHLAUCH
921920902
SCHLAUCH
921920310
SCHLAUCH
510440721
SCHLAUCH,3X7X200
921921170
SCHLAUCH,5X9X900
921921237
SCHLAUCH,8X12X40
921911795
SCHLAUCH,9X12X38
921920225
SCHLAUCHKLEMME
921701033
SCHLOÁ,KPL
270165378
SCHLSSSELROHLING
270080053
SCHRAUBE
921720334
SCHRAUBE
921720129
SCHRAUBE
921541034
SCHRAUBE
921541033
SCHRAUBE
921540226
SCHRAUBE
921531866
SCHRAUBE
921531851
SCHRAUBE
921530793
SCHRAUBE
921530627
SCHRAUBE
921530531
SCHRAUBE
921511986
SCHRAUBE
921501725
SCHRAUBE
921501689
SCHRAUBE
920021894
SCHRAUBE
920011793
SCHRAUBE
225AB0412
SCHRAUBE ,5X16
921540182
SCHRAUBE ,6X16
921540235
SCHRAUBE ,8X146
921531774
SCHRAUBE ,5X20
921540216
SCHRAUBE ,6X10
921531800
SCHRAUBE ,8X115
921531775
SCHRAUBE ,8X13
921540175
SCHRAUBE ,8X23
921540300
SCHRAUBE ,M6X85,WHITE
921530927
SCHRAUBE 4 MM
920091458
SCHRAUBE 4X12
920021323
SCHRAUBE 5X14
920091197
SCHRAUBE 5X25
220AB0525
SCHRAUBE 6
920011860
SCHRAUBE 6X14 (VE5)
920091662
SCHRAUBE 6X60
921501548
SCHRAUBE HANDBREMSHEB
920011728
SCHRAUBE LENKERGEWICH
920091257
SCHRAUBE SCHWARZ 10
920011522
SCHRAUBE+PW,5X14
921720477
SCHRAUBE,10X25
921530301
SCHRAUBE,10X35.5
921541023
SCHRAUBE,10X40
920021296
SCHRAUBE,12X52
921540942
SCHRAUBE,12X86
921540940
SCHRAUBE,12X98
921540941
SCHRAUBE,2.9X13
921720343
SCHRAUBE,2.9X22
921720395
SCHRAUBE,3X16
921720788
SCHRAUBE,4X8
224AB0408
SCHRAUBE,5X10
921720262
SCHRAUBE,5X12
921541003
SCHRAUBE,5X12
921511305
SCHRAUBE,5X16
921720790
SCHRAUBE,5X16
921720742
SCHRAUBE,5X16
921720427
SCHRAUBE,5X16
921720322
SCHRAUBE,5X20
921541002
SCHRAUBE,5X20
921540210
SCHRAUBE,5X25
921720296
SCHRAUBE,5X40
220AB0540
SCHRAUBE,6MM
921511703
SCHRAUBE,6X10
921720970
SCHRAUBE,6X10
921541065
SCHRAUBE,6X10
921540950
SCHRAUBE,6X12
921541140
SCHRAUBE,6X12
921541050
SCHRAUBE,6X12
921540951
SCHRAUBE,6X12
921540933
SCHRAUBE,6X14
921540932
SCHRAUBE,6X14
921540777
SCHRAUBE,6X14
921511654
SCHRAUBE,6X14
220AA0614
SCHRAUBE,6X15
921720812
SCHRAUBE,6X16
921541055
SCHRAUBE,6X16
921540961
SCHRAUBE,6X16
921540935
SCHRAUBE,6X18
921541062
SCHRAUBE,6X18
921541026
SCHRAUBE,6X18
921540784
SCHRAUBE,6X18
921530816
SCHRAUBE,6X18
921511149
SCHRAUBE,6X20
921720786
SCHRAUBE,6X20
921540918
SCHRAUBE,6X22
921541422
SCHRAUBE,6X22
921541152
SCHRAUBE,6X25
921540954
SCHRAUBE,6X25
921540819
SCHRAUBE,6X30
921541040
SCHRAUBE,6X30
921540997
SCHRAUBE,6X30
921540962
SCHRAUBE,6X30
921530832
SCHRAUBE,6X35
921541063
SCHRAUBE,6X38
921501301
SCHRAUBE,6X45
921530339
SCHRAUBE,6X45
132BB0645
SCHRAUBE,6X50
921541871
SCHRAUBE,6X75
921540960
SCHRAUBE,8X15.5
921531986
SCHRAUBE,8X20
921540957
SCHRAUBE,8X20
921540936
SCHRAUBE,8X29.2
921540953
SCHRAUBE,8X30
921540844
SCHRAUBE,8X30
921540843
SCHRAUBE,8X30
120CC0830
SCHRAUBE,8X35
921541061
SCHRAUBE,8X73
921511462
SCHUTZBLECH
550200317
SCHUTZBLECH
350230340
SCHWINGACHSE
330321134
SCREW
921721097
SCREW,6X14
920093845
SCREW,PIPE INJECTION
921720064
SCREW-PAN-CROSS COMMON 6-KAWA
220AB0508
SCREW-PILOT AIR
160140002
SCREW-THROTTLE STOP
160210030
SEAT,RR,LEATHER BLK+BAND
53066037112Y
SEAT-ASSY,FR,BLACK
530660370MA
SECHSKANTSCHRAUBE 5
921501432
SEITENSTZNDER
34024010718R
SENSOR
211760720
SENSOR
211760111
SENSOR FAHRZEUGLAGE
211760704
SENSOR,GESCHW.
211760065
SENSOR,LUFT TEMP.
211760048
SENSOR,WASSER TEMP.
211760009
SEPARATOR
161650010
SERVICE MANUAL,ER300AFF
99924149201
SET VENTILRINGE
130080047
SHIM T=3.50
921801054
SHIM, T=2.5
921801014
SHIM, T=2.75
921801024
SHIM, T=2.8
921801026
SHIM, T=2.85
921801028
SHIM, T=2.9
921801030
SHIM, T=3.30
921801046
SHIM,T=2.55
921801016
SHIM,T=2.6
921801018
SHIM,T=2.65
921801020
SHIM,T=2.7
921801022
SHIM,T=2.95
921801032
SHIM,T=3.0
921801034
SHIM,T=3.05
921801036
SHIM,T=3.10
921801038
SHIM,T=3.15
921801040
SHIM,T=3.20
921801042
SHIM,T=3.25
921801044
SHIM,T=3.35
921801048
SHIM,T=3.40
921801050
SHIM,T=3.45
921801052
SHOCKABSORBER,BLACK+BLACK
45014043837S
SHROUD,LH,M.F.S.BLACK
491335067739
SHROUD,LH,M.F.S.BLACK
491330001739
SHROUD,LH,M.S.BLACK
491335065660
SHROUD,LH,M.S.BLACK
491330001660
SHROUD,RH,M.F.S.BLACK
491335068739
SHROUD,RH,M.F.S.BLACK
491330002739
SHROUD,RH,M.S.BLACK
491335066660
SHROUD,RH,M.S.BLACK
491330002660
SICH.RING,20.9X24.6X1.2
920330079
SICHERUNG 10A ROT
260061078
SICHERUNG 15A BLAU
260060001
SICHERUNG 30A-GRUEN
260061006
SICHERUNGSMUTTER,10MM
922100276
SICHERUNGSRING 20.5
920331186
SICHERUNGSRING 20MM
92033015
SICHERUNGSRING 24MM
92033026
SICHERUNGSRING,E
482EA5000
SICHERUNGSRING,E-10MM
482EA0100
SIERLEISTE
530440565
SIMMERRING MHA2228 5,
920491254
SIMMERRING UNITRAK
920491109
SITZSCHLOÁ
270160075
SPACER,FORK
920261443
SPANNER
120480084
SPARK PLUG CR8E (NGK)
920700031
SPIEGEL
560010242
SPIEGEL
560010241
SPLINT,2.0X15
550AA2015
SPLINT,3.0X30
550AA3030
SPLINT,4.0X35
550AA4035
SPRENGRING 47MM
920331042
SPROCKET-OUTPUT,14T
131440568
SPURSTANGE,AUGHØÎÎNG
391110076
STAHLKUGEL
600A0500
STAHLLAMELLE
130890021
STANGE
490470626
STANGE
490470625
STANGE
461020573
STANGE
430100010
STANGE
391100307
STANGE
132510037II
STATOR
210030128
STAUBDICHTRING
920931367
STAUBKAPPE HAUPTBREMS
490161044
STAY-COMP
391370634
STAY-COMP
391370633
STIFT
92122006
STIFT
920431416
STIFT
92043132
STIFT
554DA0600
STIFT 10.1X12X14
920434009
STIFT 12X14
92042031
STIFT 4X15,8
92042014
STIFT 6.2X8X14
920431263
STIFT 8.2X10X14 (VE5)
920431264
STIFT,12X42.5
920430026
STIFT,6X23
920430746
STIFT,6X40
920430200
STIFT,8X14.5
920430104
STIFT,KOLBE
130020710
STIFTSCHRAUBE 10X19
920040048
STOPFEN
920661252
STOPFEN
920661246
STOPFEN
920661110
STOPFEN
920660748
STOPFEN 1/2X12.5
920660002
STOPFEN 12X25
92068006
SWITCH-ASSY
270485075
SIMMERING HINTERRAD RH 28475
920491056
SIMMERRING LENKKOPFLAGER UNTEN
92056003
TANK,C.F.B.GREEN
51089542235K
TANK,M.S.BLACK
510895424660
TANK-COMP-FUEL,C.F.B.GREE
51089529635K
TANK-COMP-FUEL,M.F.R.GRAY
51089519735B
TANKDECKEL
510495009
TASSENSTOESSEL
120091073
THERMOSTAT
490541056
THROTTLE-ASSY
161630845
TIRE,FR,110/70-17 54S,RX-
410090672
TIRE,RR,140/70-17 66S,RX-
410090673
TLDICHTUNG
920491560
TLDICHTUNG
920490734
TLDICHTUNG
920490731
TLDICHTUNG
920490730
TLFILTERLEITUNG
321550029
TLROHR
391930572
TLROHR
391930571
TORX SCHRAUBE,6X16
921530967
TRIMM,L=30
530440001
TUBE,16X19X30
921921318
TSLLE
920710712
TSLLE
920710709
TSLLE
920710705
U-SCHEIBE 12.5X22X1.2
92022072
U-SCHEIBE 5.3X11.5X1,
920221521
U-SCHEIBE 6X12.8X1.2
920221827
UNTERL.SCH.,25.2X40X1.0
920260153
UNTERL.SCH.,25X52X5.5
920260115
UNTERLEGS.10.1X14.5X1.5
490910001
UNTERLEGSCHEIBE
922001389
UNTERLEGSCHEIBE
92022289
UNTERLEGSCHEIBE
920221916
UNTERLEGSCHEIBE
920221879
UNTERLEGSCHEIBE
920221373
UNTERLEGSCHEIBE 15.3X
92022326
UNTERLEGSCHEIBE 20,3X
920221116
UNTERLEGSCHEIBE 20,5X
92022112
UNTERLEGSCHEIBE 25,3X30X1
92022161
UNTERLEGSCHEIBE 5.1X1
920221977
UNTERLEGSCHEIBE 5.5X2
920221405
UNTERLEGSCHEIBE 6.5X1
920221093
UNTERLEGSCHEIBE 7X28X
920221282
UNTERLEGSCHEIBE 8.5X1
920221582
UNTERLEGSCHEIBE,14MM
410AA1400
UNTERLEGSCHEIBE,6MM
461DA0600
UNTERLEGSCHEIBE,6MM
410AB0600
UNTERLEGSCHEIBE 30,5X5 X0,6
92022231
VENTIL
120040716
VENTILKEIL
120111053
VENTILSTTSSEL
120320018
VERBINDUNGSGLIED
920581102
VERGASERKABEL
540120578
VERGASERKABEL
540120577
VORDERACHSE
410680024
VENTILDECKELDICHTUNG
110610282
VENTILSCHAFTDICHTUNG
920491349
WASHER,RUBBER
922001808
WASHER,SIGNAL LAMP
922000165
WASHER,SIGNAL LAMP
922000164
WASHER,STEEL
922001809
WASSERKUEHLERDECKEL
140751061
WASSERPUMPE
490440554
WASSERROHR
391920564
WELLE
430451010
WELLE
430450004
WELLE
132340591
WELLE
131270645
WELLE
131070743
WELLE
131070742
WELLE
131070741
WERKZEUG
921120007
WERKZEUG
921110008
WERKZEUG
921100567
WERKZEUG
921100566
WERKZEUG
921100564
WERKZEUG
921100066
WERKZEUG
921100057
WERKZEUG
921100040
WERKZEUG
921070020
WERKZEUG
560070107
WERKZEUGKASTEN
320990721
WERKZEUGTASCHE
560080036
WHEEL-ASSY,FR,BLACK
410730651R2
WHEEL-ASSY,RR,BLACK
410730652R2
ZAHNRAD
590510722
ZAHNRAD
590510721
ZAHNRAD,38T
120460072
ZYLINDERDECKEL
140910724
ZYLINDERKOPF
110080747
ZSNDSCHLOSS,KPL
270055144
ZSNDSPULE
211710033
ÖLDICHTUNG
920491559
ÖLDICHTUNG
920490136
ÖLFILTER
160970008
ÖLDRUCKSCHALTER
270101313
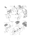
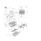
KAWASAKI, ER300AFF 2015,ER300AGF 2016, CYLINDER HEAD
KAWASAKI, ER300AFF 2015,ER300AGF 2016, CYLINDER HEAD COVER
KAWASAKI, ER300AFF 2015,ER300AGF 2016, CYLINDER/PISTON(S)
KAWASAKI, ER300AFF 2015,ER300AGF 2016, AIR CLEANER
KAWASAKI, ER300AFF 2015,ER300AGF 2016, MUFFLER(S)
KAWASAKI, ER300AFF 2015,ER300AGF 2016, VALVE(S)
KAWASAKI, ER300AFF 2015,ER300AGF 2016, CAMSHAFT(S)/TENSIONER
KAWASAKI, ER300AFF 2015,ER300AGF 2016, CRANKSHAFT
KAWASAKI, ER300AFF 2015,ER300AGF 2016, CLUTCH
KAWASAKI, ER300AFF 2015,ER300AGF 2016, TRANSMISSION
KAWASAKI, ER300AFF 2015,ER300AGF 2016, GEAR CHANGE DRUM/SHIFT FORK(S)
KAWASAKI, ER300AFF 2015,ER300AGF 2016, GEAR CHANGE MECHANISM
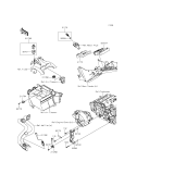
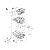
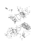
KAWASAKI, ER300AFF 2015,ER300AGF 2016, CRANKCASE
KAWASAKI, ER300AFF 2015,ER300AGF 2016, CRANKCASE BOLT PATTERN
KAWASAKI, ER300AFF 2015,ER300AGF 2016, ENGINE COVER(S)
KAWASAKI, ER300AFF 2015,ER300AGF 2016, THROTTLE
KAWASAKI, ER300AFF 2015,ER300AGF 2016, FUEL PUMP
KAWASAKI, ER300AFF 2015,ER300AGF 2016, FUEL INJECTION
KAWASAKI, ER300AFF 2015,ER300AGF 2016, OIL PUMP
KAWASAKI, ER300AFF 2015,ER300AGF 2016, GENERATOR
KAWASAKI, ER300AFF 2015,ER300AGF 2016, IGNITION SYSTEM
KAWASAKI, ER300AFF 2015,ER300AGF 2016, STARTER MOTOR
KAWASAKI, ER300AFF 2015,ER300AGF 2016, RADIATOR
KAWASAKI, ER300AFF 2015,ER300AGF 2016, WATER PIPE
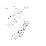
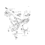
KAWASAKI, ER300AFF 2015,ER300AGF 2016, FRAME
KAWASAKI, ER300AFF 2015,ER300AGF 2016, ENGINE MOUNT
KAWASAKI, ER300AFF 2015,ER300AGF 2016, FRAME FITTINGS
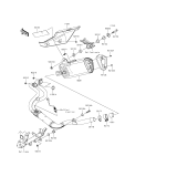
KAWASAKI, ER300AFF 2015,ER300AGF 2016, SWINGARM
KAWASAKI, ER300AFF 2015,ER300AGF 2016, SUSPENSION/SHOCK ABSORBER
KAWASAKI, ER300AFF 2015,ER300AGF 2016, FOOTRESTS
KAWASAKI, ER300AFF 2015,ER300AGF 2016, FRONT FENDER(S)
KAWASAKI, ER300AFF 2015,ER300AGF 2016, REAR FENDER(S)
KAWASAKI, ER300AFF 2015,ER300AGF 2016, STAND(S)
KAWASAKI, ER300AFF 2015,ER300AGF 2016, TIRES
KAWASAKI, ER300AFF 2015,ER300AGF 2016, FRONT HUB
KAWASAKI, ER300AFF 2015,ER300AGF 2016, REAR HUB
KAWASAKI, ER300AFF 2015,ER300AGF 2016, BRAKE PEDAL
KAWASAKI, ER300AFF 2015,ER300AGF 2016, FRONT MASTER CYLINDER
KAWASAKI, ER300AFF 2015,ER300AGF 2016, FRONT BRAKE
KAWASAKI, ER300AFF 2015,ER300AGF 2016, REAR MASTER CYLINDER
KAWASAKI, ER300AFF 2015,ER300AGF 2016, REAR BRAKE
KAWASAKI, ER300AFF 2015,ER300AGF 2016, HANDLEBAR
KAWASAKI, ER300AFF 2015,ER300AGF 2016, FRONT FORK
KAWASAKI, ER300AFF 2015,ER300AGF 2016, FUEL TANK
KAWASAKI, ER300AFF 2015,ER300AGF 2016, SEAT
KAWASAKI, ER300AFF 2015,ER300AGF 2016, METER(S)
KAWASAKI, ER300AFF 2015,ER300AGF 2016, CABLES
KAWASAKI, ER300AFF 2015,ER300AGF 2016, SIDE COVERS/CHAIN COVER
KAWASAKI, ER300AFF 2015,ER300AGF 2016, HEADLIGHT(S)
KAWASAKI, ER300AFF 2015,ER300AGF 2016, TAILLIGHT(S)
KAWASAKI, ER300AFF 2015,ER300AGF 2016, TURN SIGNALS
KAWASAKI, ER300AFF 2015,ER300AGF 2016, CHASSIS ELECTRICAL EQUIPMENT
KAWASAKI, ER300AFF 2015,ER300AGF 2016, IGNITION SWITCH
KAWASAKI, ER300AFF 2015,ER300AGF 2016, OWNER'S TOOLS
KAWASAKI, ER300AFF 2015,ER300AGF 2016, LABELS
KAWASAKI, ER300AFF 2015,ER300AGF 2016, DECALS(GREEN)
KAWASAKI, ER300AFF 2015,ER300AGF 2016, DECALS(GRAYSTONE)
KAWASAKI, ER300AFF 2015,ER300AGF 2016, DECALS(GREEN)
KAWASAKI, ER300AFF 2015,ER300AGF 2016, DECALS(BLACK)
KAWASAKI, ER300AFF 2015,ER300AGF 2016, COWLING
KAWASAKI, ER300AFF 2015,ER300AGF 2016, COWLING LOWERS
KAWASAKI, ER300AFF 2015,ER300AGF 2016, ACCESSORY(SINGLE SEAT COVER)
KAWASAKI, ER300AFF 2015,ER300AGF 2016, ACCESSORY(ENGINE GUARD)
KAWASAKI, ER300AFF 2015,ER300AGF 2016, MANUAL

https://kawasakistore.de/