KAWASAKI

Spare Parts Catalogue KAWASAKI KLX110CFF 2015,KLX110CGF 2016,KLX110CHF 2017,KLX110CJF 2018,KLX110CKF 2019

ZYLINDERKOPF
110080184
ZYLINDER
981110031
ZUENDSPULE
211211311
ZUENDKERZENSTECKER LD
211301003
ZUENDER
211190101
ZAHNRAD
120460059
WHEEL-CLUTCH
130861065
WELLE,L=24.5
131071142
WELLE KPL
132340033
WELLE
330320035
WELLE
131280672
WEIGHT,DECOMP
130421141
WASHER
922000879
VENTILSCHAFTDICHTUNG
920491349
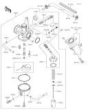
VERGASER-KPL,PB18
150040066
VERBINDUNGSGLIED
920580006
VENTILKEIL
120111053
VENTIL AUSLASS
120050713
VALVE-INTAKE
120040710
VALVE-FLOAT,FLOAT
160300009
UNTERLEGSCHEIBE-SMALL
410AA0600
UNTERLEGSCHEIBE,6.5X13X1
411AA0600
UNTERLEGSCHEIBE,10MM
461DA1000
UNTERLEGSCHEIBE,10MM
411AA1000
UNTERLEGSCHEIBE 6.5X16X2
920221565
UNTERLEGSCHEIBE 6,5X2
920221690
UNTERLEGSCHEIBE 16,8X
92022315
UNTERLEGSCHEIBE
922000517
UNTERLEGSCHEIBE
92022165
TUBE,FUEL
921911700
TUBE,BREATHER
921911724
TUBE,3.5X6.5X418
921921269
TUBE
921911704
TOP-CHAMBER
160051091
TOOL-WRENCH,BOX,16MM
921101206
TLDICHTUNG
920491429
TLDICHT,STARTER MOTOR
920491465
TLDICHT,S 12 28 7 HS
920490051
TLDICHT,DD20X35X7
920490052
TAUCHROHR RECHTS,P.S.
440060038458
TAUCHROHR LINKS,P.S.
440050039458
TASSENSTOESSEL
120091073
TAP-ASSY
510230041
TANKDECKEL
510480009
TANK
510010821
SCHALTWELLENSIRI
92051005
STSTZE
920041284
STSTZE
920040030
STREIFEN-RIM,3.00-12(IRC)
410230022
STREIFEN-RIM,2.50-14(IRC)
410230021
STRANG
260311105
STOPPER
320851553
STOPPER
320850197
STOPFEN
920661565
STOPFEN
920660724
STIFT,8.2X10X14
920430100
STIFT,6.2X8X14
920430099
STIFT 8X32
920431143
STIFT
920431542
STIFT
920430147
STIFT
130350557
STEUERKETTENSPANNER
120481164
STAUBSCHUTZ
920931054
STAUBKAPPE
41051001
STATOR
210030097
STANGE
430110010
STANGE
430070015
STAHLKUGEL 3/16
600A0600
SPROCKET,36T
120460591
SPRITZBLECH
180200084
SPRING-ENGINE VALVE
490781151
SPRING-COMP,STAND
461231059
SPRING-COMP,BRAKE PED
461231060
SPRING,THROTTLE
921441875
SPRING,HOSE PROTECTER
921451481
SPRING
921450961
SPRING
921450132
SPRING
921441590
SPRING
921441245
SPRENGRING, TYP E
482J5000
SPRENGRING 35MM
481J3500
SPLINT,2.5X20
550S2520
SPLINT,2.0X20
550AA2020
SPLINT,2.0X15
550AA2015
SPLINT
920411051
SPEICHE,INNEN,HI,98MM
410291329
SPEICHE,AUSSEN,HI,98M
410301182
SPEICHE INNEN VORN 14
410291067
SPEICHE INNEN VORN 13
410291068
SPACER
920261605
SPACER
920261091
SLEEVE
420361292
SIMMERRING TB16267
92051003
SIMMERRING
920491490
SIMMERRING
920491069
SICHERUNGSRING GABEL
920331028
SICHERUNGSRING 24MM
480J2400
SICHERUNGSRING 17MM
480J1700
SICHERUNGSRING 16MM
480J1600
SICHERUNGSRING
92036018
SICHERUNGSRING
920331247
SICHERUNGSRING
920331060
SICHERUNGSRING
44044023
SICHERUNGSMUTTER,8MM
922100606
SICHERUNGSMUTTER,6MM
922100594
SICHERUNGSMUTTER,10MM
922100276
SICHERUNG
260060009
SHOCKABSORBER,L.GREEN
450140272710
SHOCKABSORBER,BLACK
45014027210
SHIM
920251280
SHAFT-TRANSMISSION INPUT,
131270661
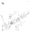
SHAFT-KICK
130660062
SERVICE MANUAL,KLX110CKF
99924142910
SEITENSTZNDER
340240084458
SEITENDECKEL
360010205266
SEITENDECKEL
360010204266
SECHSKANTSCHRAUBE 6X10
920011034
SECHSKANTSCHRAUBE 5
921501227
SECHSKANTSCHRAUBE 5
921501506
SECHSKANTSCHRAUBE 5
921501486
SECHSKANTSCHRAUBE 5
921501340
SECHSKANTMUTTER
311AB0500
SEAT-SPRING,VALVE
160071187
SEAT-ASSY,GREEN/BLACK
53066045649F
SEALANT,TB1211 'BOND#10'
56019120
SEAL,AIR CLEANER
920931560
SCREW-THROTTLE STOP
160211241
SCREW-PAN-CROSS COMMON 6-KAWA
220AB0508
SCREW,6X15
921720143
SCREW,5X47
920091989
SCREW,5X42
920091998
SCREW, 4X8
920091750
SCHWINGE,P.SILVER
330010200458
SCHUTZBLECH,VORNE
350040148290
SCHUTZBLECH,HINTER
350220079290
SCHUTZBLECH
550200552
SCHUTZBLECH
550200527
SCHUTZBLECH
350220079266
SCHUTZ KUPPLUNGSZUG
490061017
SCHRAUBE-WSP
187AA0612
SCHRAUBE-WS-SMALL
183BA0820
SCHRAUBE,M5X20
920091990
SCHRAUBE,KUPPLUNG
921530525
SCHRAUBE,8X35
132BA0835
SCHRAUBE,8X15.5
921531823
SCHRAUBE,6X8
220AA0608
SCHRAUBE,6X35
921501527
SCHRAUBE,6X30
220AA0630
SCHRAUBE,6X25
220AA0625
SCHRAUBE,6X20
921530502
SCHRAUBE,6X20
921501339
SCHRAUBE,6X14
921530571
SCHRAUBE,6X14
220AA0614
SCHRAUBE,5X18
214AB0518
SCHRAUBE,5X14
220AA0514
SCHRAUBE,5X12
214AB0512
SCHRAUBE,4X8
223AA0408
SCHRAUBE,10X50
921531139
SCHRAUBE,10X36
921531120
SCHRAUBE,10X25
921501873
SCHRAUBE 8X20
921501556
SCHRAUBE 6X20
920021237
SCHRAUBE 6X10
920091530
SCHRAUBE 5X22
220AB0522
SCHRAUBE 5
920011695
SCHRAUBE ,8X45
921540361
SCHRAUBE ,6X30
921540388
SCHRAUBE 10X125
920011720
SCHRAUBE 10X105
920011751
SCHRAUBE
921540976
SCHRAUBE
921540329
SCHRAUBE
921540325
SCHRAUBE
921511209
SCHRAUBE
921501689
SCHRAUBE
920091745
SCHRAUBE
920091286
SCHRAUBE
920091109
SCHRAUBE
920091104
SCHRAUBE
920091057
SCHRAUBE
920011464
SCHRAUBE
235AA0614
SCHRAUBE
235AA0514
SCHRAUBE
235AA0510
SCHRAUBE
223AB0610
SCHRAUBE
223AA0516
SCHRAUBE
223AA0406
SCHRAUBE
222AB0412
SCHRAUBE
220AD0630
SCHRAUBE
220AD0612
SCHRAUBE
220AA0308
SCHRAUBE
112BA0520
SCHLAUCH,5X8X380
921920884
SCHLAUCH,3.00-12(IRC)
410220038
SCHLAUCH,2.50-14(IRC)
410220037
SCHELLE
921730166
SCHELLE
920371305
SCHEIBE,8.1X15X2.3
922000449
SCHEIBE,13.2X20X0.5
922000571
SCHALTWALZENSCHEIBE
131450049
SCHALTWALZE
131410055
SCHALTPEDALGUMMI
921601036
SCHALTPEDAL
131560144
SCHALTHEBEL,KPL
131610019
SCHALTGABEL
131400037
SCHALTGABEL
131400036
SCHALTER,KPL
131510050
SCHALTER
270100085
ROTOR
210070137
ROD-SHIFT
490471058
ROD-CONNECTING
130320749
RITZEL 13Z GETRIEBEAB
131441043
RITZEL
420410082
RING-SNAP
920331072
RING-FORK PISTON
440251061
RING
920272096
RIM,RR,1.60X12
410250393
RIM,FR,1.40X14
410250391
RETAINER
140201100
REIF,VO,2.50-14 4PR,GS-45
410090231
REIF,HI,3.00-12 4PR,GS-45
410090232
REIBLAMELLE
130881142
REGLER
210660046
REEL,THROTTLE
591010005
RATCHET
130780557
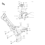
RAHMEN,KPL
321600501458
PLUG,OIL DRAIN,12X15
920660768
PLUG,HEAD LAMP
920661081
PLEUEL
130320074
PLATTE
580290010266
PLATTE
132710950
PLATTE
132710948
PLATTE
132710674
PLATE
132701961
PLATE
132701800
PLATE
132701754
PIPE-OIL
391931042
PIPE
321511961
PIN-CRANK
130350030
PIN-COTTER,2.5X30
550S2530
PIN
920431385
PATTERN,SHROUD,RH,UPP
560754341
PATTERN,SHROUD,RH,UPP
560752737
PATTERN,SHROUD,RH,UPP
560751865
PATTERN,SHROUD,RH,UPP
560750595
PATTERN,SHROUD,RH,UPP
560697417
PATTERN,SHROUD,RH,LWR
560754342
PATTERN,SHROUD,RH,LWR
560752738
PATTERN,SHROUD,RH,LWR
560751866
PATTERN,SHROUD,RH,LWR
560750596
PATTERN,SHROUD,RH,LWR
560697418
PATTERN,SHROUD,LH,UPP
560754339
PATTERN,SHROUD,LH,UPP
560752735
PATTERN,SHROUD,LH,UPP
560751863
PATTERN,SHROUD,LH,UPP
560750593
PATTERN,SHROUD,LH,UPP
560697415
PATTERN,SHROUD,LH,LWR
560754340
PATTERN,SHROUD,LH,LWR
560752736
PATTERN,SHROUD,LH,LWR
560751864
PATTERN,SHROUD,LH,LWR
560750594
PATTERN,SHROUD,LH,LWR
560697416
PASSSTIFT 4X8
610A0408
PANEL-ASSY-BRAKE,FR
410351543
PACKING,TAP VALVE
430491091
OWNER'S MANUAL,IT/ES/NL,K
999761924
OWNER'S MANUAL,IT/ES/NL,K
999761846
OWNER'S MANUAL,IT/ES/NL,K
999760133
OWNER'S MANUAL,IT/ES/NL,K
999760075
OWNER'S MANUAL,IT/ES/NL,K
999760012
OWNER'S MANUAL,EN/FR/DE,K
999761923
OWNER'S MANUAL,EN/FR/DE,K
999761845
OWNER'S MANUAL,EN/FR/DE,K
999760132
OWNER'S MANUAL,EN/FR/DE,K
999760074
OWNER'S MANUAL,EN/FR/DE,K
999760011
OELPUMPE,KPL
160820010
OELFILTER KPL
160971071
OELFILTER
520101053
O-RING BENZINHAHN (VE5)
920551419
O-RING ABLASSSCHRAUBE
920551053
O-RING 10MM
670B1510
O-RING 21MM
670D2021
O-RING,9.8X2.4
920550060
O-RING,25.7X2.4
920550154
O-RING,25.5X2.0
920551528
O-RING,14.8X2.4
920550194
O-RING, 59.6MM
920553018
O-RING 31,5X2,6
92055049
O-RING 27.7X2.4
92055091
O-RING 16.8MM
920551235
O-RING 12MM
670B2012
O-RING 8MM
670B1508
O-RING
920551542
O-RING
920551541
O-RING
920551527
O-RING
920551276
O-RING
920551231
O-RING
920551112
O-RING
44046025
NUT,STEERING STEM,22MM
920151653
NUT,LOCK,12MM
922101373
NUT,14MM
922101374
NOZZLE,5X11.5X12
920621090
NOCKENWELLE,KPL
491180769
NIPPEL
410320009
NADELLAGER HK1312
920461148
NADELDSSE,NCFA
161871228
MUTTER,VENTILEINSTELL
920151137
MUTTER,8MM
922100004
MUTTER,8MM
920151402
MUTTER,8MM
920151151
MUTTER,6MM
922100218
MUTTER,6MM
920151391
MUTTER,6MM
920151367
MUTTER,25MM
920151222
MUTTER,12MM
922100176
MUTTER,12MM
920151870
MUTTER,10MM,SCHWARZ
920151188
MUTTER,10MM
315BA1000
MUTTER
922101351
MUTTER
922101081
MUTTER
922101080
MUTTER
922100593
MUTTER
92015042
MUTTER
311BA0500
MOTORVERKLEIDUNG,GRN
490890081290
MARK,NUMBER PLATE,K
560542249
MANSCHETTE VORDERRADACHSE
920271472
MANSCHETTE
920271470
MANSCHETTE
490060075
LENKKOPFLAGER UNTEN HR320/28J
921161009
LUFTSCHRAUBE
160140013
LUFTFILTER,KPL
110101773
LUFTFILTER
110131294
LEVER-COMP,POSITION
132361256
LENKER,P.SILVER
460030175458
LAGERSCHALE OBEN
92047014
LAGERSCHALE
92048009
LAGER,KT 263314
130340010
LABEL-WARNING,OFF ROAD ON
560710417
LABEL-WARNING,FUEL,E5/E10
560710695
KURBELWELLEGEHAEUSE
140800080
KURBELWELLE,KPL
130310722
KURBELWELLE,KPL
130310721
KURBELWELLE
130370128
KUPPLUNGSNABE
410360261
KUPPLUNGSLAMELLE
130891087
KUPPLUNGSKORB
130951403
KUPPLUNGSDECKEL
140320129
KUPPLUNG-ONEWAY
131940013
KUPPLUNG,KPL
420331223
KUPPL.GEHAEUSE
130950128
KUGELLAGER,TMB205CJR2C2
920450771
KUGELLAGER,STARTERMOTOR
920451349
KUGELLAGER,6804
920451171
KUGELLAGER,6201ZC3/
920451308
KUGELLAGER,#628
920451123
KUGELLAGER,#6004U
601B6004UG
KUGELLAGER #6203
601A6203
KUGELLAGER
601B6301UG
KUGELLAGER
601B6300UU
KUGELLAGER
601B6200UU
KUGELLAGER
601A6201
KRSMMERABDECKUNG
491071221
KRSMMERABDECKUNG
491071217
KRSMMERABDECKUNG
491071213
KOLBENRINGSATZ
130250008
KOLBENRINGSATZ
130240007
KOLBENRINGSATZ
130080011
KOLBENBOLZEN
130020031
KOLBEN,STD
130010118
KOLBEN LL
130270015
KOLBEN L
130290020
KOHLEBUERSTEN
210391067
KLAPPE
350190091
KLAMMER DUESENNADEL
920371401
KLAMMER BREMSSCHLAUCH
920371353
KLAMMER 14,5MM
920371900
KLAMMER
921711487
KLAMMER
921711124
KLAMMER
921711055
KLAMMER
920371142
KIPPHEBELWELLE
120200010
KIPPHEBEL
120160001
KICKSTARTERHEBEL
130590046
KETTENSPANNER
330401006
KETTENSCHUTZ
120530185
KETTENKASTEN
140260070
KETTENGEHAEUSE
360141258
KETTENFUEHRUNG
120530165
KETTENFUEHRUNG
120530164
KETTE,DID420DX
920570183
KETTE,CAM,94L
920570610
KEIL
510A3200
KAPPE
46098018
KABELFUEHRUNG
920371608
KABELDURCHGANG
21132005
KABEL
260110289
KABEL
260110249
KABEL
260110245
JET-NEEDLE
160170018
ISOLATOR
160731108
INSULATOR,CARBURETOR
160731102
INBUSSCHRAUBE,6X20
120CA0620
INBUSSCHRAUBE,6X10
120CA0610
HÜLSE
921431331
HSLSE,RH,L=3
921521406
HSLSE,19X39.9X13
921521370
HSLSE
921521409
HSLSE
921521369
HSLSE
921520998
HUELSE,17X22X22.7
921520393
HUELSE
921520789
HUELSE
921520427
HUB-CLUTCH
130871151
HOLDER,CLUTCH
130911782
HOLDER
132801228
HOLDER
130911787
HEBEL,KPL
132361288
HEBEL
410530021
HEAD-COMP-CYLINDER
110080890
HAUPTDSSE,#82
920631397
HAUPTDSSE,#80
920631396
HAUPTDSSE,#78
920631393
HAUPTDSSE,#75
920631395
HAUPTDUESE,#72
920631394
HALTERIEMEN BENZINTAN
920721229
HALTER
460120101458
HALTER
440390093
HALTER
440370105458
HALTER
340030107458
HALTER
132800384
HALTER
132800362
HALTER
132800359
HALTEPLATTE
140140037
GUMMIMANSCHETTE
920921088
GUMMIKAPPE OBERE GABE
110121067
GUMMIDAEMPFER
92075015
GUIDE-VALVE
490020033
GUIDE-KICK
132061006
GUIDE-CHAIN,RR,OUTSIDE
120531460
GUIDE-CHAIN,FR
120531459
GUIDE-CHAIN
120531461
GUIDE
130701319
GUARD,ENGINE
550201784
GROMMET,PLUG CAP
920711184
GRIFF,LI
460750072
GRIFF,GAS,KPL
460190023
GETRIEBE,45T
160850593
GETRIEBE,2ND,31T
132620913
GETRIEBE
160850136
GETR.EIN 4TH,23T
132620666
GETR.EIN 3RD,20T
132601839
GETR.,AUS 4TH,25T
132620667
GETR.,AUS 3RD,27T
132601842
GENERATORDECKEL
140310119GS
GEHAEUSE,KPL
460910226
GEAR-TRANSMISSION SPU
132601986
GEAR-SPUR
590511402
GEAR-SPUR
590510715
GEAR,OUTPUT LOW,36T
132601862
GASZUG
540120643
GASSCHIEBER,CA3.0
160251209
GASKET,STARTER MOTOR
920931079
GASKET,EXHAUST PIPE
110611112
GASKET,CYLINDER BASE
110610256
GABELSTANDROHR
440130018
GABELFEDERFUEHRUNG
44029022
GABELFEDER
44026060
FUSSRASTE RE
340281238
FUSSRASTE LI
340281237
FUELLER
592310051
FUEHRUNG KICKSTARTERW
130701035
FUEHRUNG
130700083
FLUESSIGDICHTMITTEL S
921041003
FLOAT
160311088
FLANSCHSCHRAUBE,6X6
921540536
FLANSCHSCHRAUBE,6X28
921531309
FLANSCHSCHRAUBE,6X25
132BD0625
FLANSCHSCHRAUBE,6X16
132BA0616
FLANSCHSCHRAUBE,6X14
132BA0614
FLANSCHSCHRAUBE,6X12
132BA0612
FLANSCHSCHRAUBE,5X53
921540374
FLANSCHSCHRAUBE,5X20
130BA0520
FLANSCHSCHRAUBE
921531397
FLANSCHSCHRAUBE
921531184
FLANSCHSCHRAUBE
132BD0675
FLANSCHSCHRAUBE
132BD0650
FLANSCHSCHRAUBE
132BD0645
FLANSCHSCHRAUBE
132BD0635
FLANSCHSCHRAUBE
132BD0630
FLANSCHSCHRAUBE
132BD0616
FLANSCHSCHRAUBE
132BA0830
FLANSCHSCHRAUBE
130CA0622
FEDERSTELLER
160071103
FEDER FUSSRASTE RE
920811543
FEDER FUSSRASTE LI
920811491
FEDER BREMSSTANGE
920811688
FEDER BREMSSCHUH
920811766
FEDER BREMSSCHUH
920811564
FEDER
921450757
FEDER
921450744
FEDER
921450626
FEDER
921441892
FEDER
92081122
FEDER
92081076
FEDER
440260147
EMBLEM
560520968
ELEKTR.STARTER
211630049
EINSTELLSCHRAUBE
921540330
DICHTRING ÖLLEITUNG (VE10)
110091344
DZMPFUNGSZYLINDER
440221346
DZMPFER
921611523
DUESE,#40
161580005
DUCT,IN
140731820
DUCT,CARBURETOR
140731819
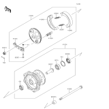
DRUM-ASSY,FRONT BRAKE
410341343
DROSSELGEHAEUSE,UPP
320990037
DROSSELGEHAEUSE,LWR
320990045
DISTANZSCHEIBE
920261217
DICHTUNG,KUPPLUNGSDECKEL
110610426
DICHTUNG,6.2X11.5X1.5
110610372
DICHTUNG TAUCHROHR
44045051
DICHTUNG SCHWIMMERKAMMER
110610874
DICHTUNG
921040004
DICHTUNG
110610265
DICHTUNG
110610257
DICHTUNG
110601862
DICHTUNG
110601753
DICHTUNG
110041338
DICHTG,5.8X12X1.5
110611148
DECKEL
440241071
DECKEL
161151068
DECKEL
140920029
DECKEL
140911447
DECKEL
140910873
DECKEL
110121980
DECKEL
110121916
DAEMPFER,GABEL,KPL
440710640458
DAEMPFER,GABEL,KPL
440710639458
DAEMPFER,BENZINTANK
921610779
DAEMPFER
921610864
DAEMPFER
921610845
DAEMPFER
921610100
DAEMPFER
921610084
CRANKCASE,LH
140800705
CR6HSA (ZUENDKERZE)
920700023
COLLAR,RR AXLE,LH,L=1
921521405
CLUTCH-ASSY-ONEWAY
131930008
CLAMP
921731512
CLAMP
921701872
CHOKEZUG
540171218
CAP,VALVE,ADJUSTING
110650800
CAP,CHOKE
110650811
CAMSHAFT-COMP
491180880
BUEGEL
391840014
BUEGEL
110560151
BUEGEL
110560150
BUEGEL
110551636
BUEGEL
110551631
BUCHSE
921391102
BREMSTROMMEL,HINTER
410340010
BREMSPEDALHEBEL
430010122
BREMSNOCKENHEBEL VORN
410531027
BREMSNOCKE
410501082
BREMSNOCKE
410501031
BREMSKABEL
540050026
BREMSHEBEL
460920037
BREMSBACKE
410481141
BREMSBACKE
410481083
BREMSANLAGE,KPL, HI
410350084
BOLT,SOCKET,5X10
921540789
BOLT,FLANGED,6X35
921541297
BOLT,FLANGED,6X25
921541196
BOLT,FLANGED,6X25
921541156
BOLT,6X106
921542693
BOLT,10X35
921531199
BLINKER
410851085
BEGRENZER
390760022
BEFESTIGUNGSKLAMMER
920371163
BEFESTIGUNGSBAND
920721414
BATTERY,FTH4L-BS,12V 3AH
260120725
AUSRUECKHEBEL-KUPPLUN
131021136
AUSRUECKHEBEL-KUPPLUN
131021135
AUSPUFFTOPF
180870266
AUSPUFFABDECKUNG
491060094
AUFLAGE,16X20X5
391560580
AUFLAGE,12X17X4
391560581
ANZEIGER
520050019
ANSAUGROHR
160600021
AKKU,FTH4L-BS,12V 3AH
260120116
ACHSE,RR
410680016
ACHSE,FR
410680015
KAWASAKI, KLX110CFF 2015,KLX110CGF 2016,KLX110CHF 2017,KLX110CJF 2018,KLX110CKF 2019, CYLINDER HEAD
KAWASAKI, KLX110CFF 2015,KLX110CGF 2016,KLX110CHF 2017,KLX110CJF 2018,KLX110CKF 2019, CYLINDER/PISTON(S)
KAWASAKI, KLX110CFF 2015,KLX110CGF 2016,KLX110CHF 2017,KLX110CJF 2018,KLX110CKF 2019, AIR CLEANER
KAWASAKI, KLX110CFF 2015,KLX110CGF 2016,KLX110CHF 2017,KLX110CJF 2018,KLX110CKF 2019, MUFFLER(S)
KAWASAKI, KLX110CFF 2015,KLX110CGF 2016,KLX110CHF 2017,KLX110CJF 2018,KLX110CKF 2019, VALVE(S)
KAWASAKI, KLX110CFF 2015,KLX110CGF 2016,KLX110CHF 2017,KLX110CJF 2018,KLX110CKF 2019, CAMSHAFT(S)/TENSIONER
KAWASAKI, KLX110CFF 2015,KLX110CGF 2016,KLX110CHF 2017,KLX110CJF 2018,KLX110CKF 2019, CRANKSHAFT
KAWASAKI, KLX110CFF 2015,KLX110CGF 2016,KLX110CHF 2017,KLX110CJF 2018,KLX110CKF 2019, KICKSTARTER MECHANISM
KAWASAKI, KLX110CFF 2015,KLX110CGF 2016,KLX110CHF 2017,KLX110CJF 2018,KLX110CKF 2019, CLUTCH
KAWASAKI, KLX110CFF 2015,KLX110CGF 2016,KLX110CHF 2017,KLX110CJF 2018,KLX110CKF 2019, TRANSMISSION
KAWASAKI, KLX110CFF 2015,KLX110CGF 2016,KLX110CHF 2017,KLX110CJF 2018,KLX110CKF 2019, GEAR CHANGE DRUM/SHIFT FORK(S)
KAWASAKI, KLX110CFF 2015,KLX110CGF 2016,KLX110CHF 2017,KLX110CJF 2018,KLX110CKF 2019, GEAR CHANGE MECHANISM
KAWASAKI, KLX110CFF 2015,KLX110CGF 2016,KLX110CHF 2017,KLX110CJF 2018,KLX110CKF 2019, CRANKCASE
KAWASAKI, KLX110CFF 2015,KLX110CGF 2016,KLX110CHF 2017,KLX110CJF 2018,KLX110CKF 2019, ENGINE COVER(S)
KAWASAKI, KLX110CFF 2015,KLX110CGF 2016,KLX110CHF 2017,KLX110CJF 2018,KLX110CKF 2019, CARBURETOR
KAWASAKI, KLX110CFF 2015,KLX110CGF 2016,KLX110CHF 2017,KLX110CJF 2018,KLX110CKF 2019, OIL PUMP
KAWASAKI, KLX110CFF 2015,KLX110CGF 2016,KLX110CHF 2017,KLX110CJF 2018,KLX110CKF 2019, GENERATOR
KAWASAKI, KLX110CFF 2015,KLX110CGF 2016,KLX110CHF 2017,KLX110CJF 2018,KLX110CKF 2019, IGNITION SYSTEM
KAWASAKI, KLX110CFF 2015,KLX110CGF 2016,KLX110CHF 2017,KLX110CJF 2018,KLX110CKF 2019, STARTER MOTOR
KAWASAKI, KLX110CFF 2015,KLX110CGF 2016,KLX110CHF 2017,KLX110CJF 2018,KLX110CKF 2019, FRAME
KAWASAKI, KLX110CFF 2015,KLX110CGF 2016,KLX110CHF 2017,KLX110CJF 2018,KLX110CKF 2019, ENGINE MOUNT
KAWASAKI, KLX110CFF 2015,KLX110CGF 2016,KLX110CHF 2017,KLX110CJF 2018,KLX110CKF 2019, SWINGARM
KAWASAKI, KLX110CFF 2015,KLX110CGF 2016,KLX110CHF 2017,KLX110CJF 2018,KLX110CKF 2019, SUSPENSION/SHOCK ABSORBER
KAWASAKI, KLX110CFF 2015,KLX110CGF 2016,KLX110CHF 2017,KLX110CJF 2018,KLX110CKF 2019, FOOTRESTS
KAWASAKI, KLX110CFF 2015,KLX110CGF 2016,KLX110CHF 2017,KLX110CJF 2018,KLX110CKF 2019, FENDERS
KAWASAKI, KLX110CFF 2015,KLX110CGF 2016,KLX110CHF 2017,KLX110CJF 2018,KLX110CKF 2019, STAND(S)
KAWASAKI, KLX110CFF 2015,KLX110CGF 2016,KLX110CHF 2017,KLX110CJF 2018,KLX110CKF 2019, TIRES
KAWASAKI, KLX110CFF 2015,KLX110CGF 2016,KLX110CHF 2017,KLX110CJF 2018,KLX110CKF 2019, FRONT HUB
KAWASAKI, KLX110CFF 2015,KLX110CGF 2016,KLX110CHF 2017,KLX110CJF 2018,KLX110CKF 2019, REAR HUB
KAWASAKI, KLX110CFF 2015,KLX110CGF 2016,KLX110CHF 2017,KLX110CJF 2018,KLX110CKF 2019, BRAKE PEDAL
KAWASAKI, KLX110CFF 2015,KLX110CGF 2016,KLX110CHF 2017,KLX110CJF 2018,KLX110CKF 2019, HANDLEBAR
KAWASAKI, KLX110CFF 2015,KLX110CGF 2016,KLX110CHF 2017,KLX110CJF 2018,KLX110CKF 2019, FRONT FORK
KAWASAKI, KLX110CFF 2015,KLX110CGF 2016,KLX110CHF 2017,KLX110CJF 2018,KLX110CKF 2019, FUEL TANK
KAWASAKI, KLX110CFF 2015,KLX110CGF 2016,KLX110CHF 2017,KLX110CJF 2018,KLX110CKF 2019, CABLES
KAWASAKI, KLX110CFF 2015,KLX110CGF 2016,KLX110CHF 2017,KLX110CJF 2018,KLX110CKF 2019, SIDE COVERS/CHAIN COVER
KAWASAKI, KLX110CFF 2015,KLX110CGF 2016,KLX110CHF 2017,KLX110CJF 2018,KLX110CKF 2019, GUARD(S)
KAWASAKI, KLX110CFF 2015,KLX110CGF 2016,KLX110CHF 2017,KLX110CJF 2018,KLX110CKF 2019, CHASSIS ELECTRICAL EQUIPMENT
KAWASAKI, KLX110CFF 2015,KLX110CGF 2016,KLX110CHF 2017,KLX110CJF 2018,KLX110CKF 2019, OWNER'S TOOLS
KAWASAKI, KLX110CFF 2015,KLX110CGF 2016,KLX110CHF 2017,KLX110CJF 2018,KLX110CKF 2019, LABELS
KAWASAKI, KLX110CFF 2015,KLX110CGF 2016,KLX110CHF 2017,KLX110CJF 2018,KLX110CKF 2019, DECALS
KAWASAKI, KLX110CFF 2015,KLX110CGF 2016,KLX110CHF 2017,KLX110CJF 2018,KLX110CKF 2019, DECALS
KAWASAKI, KLX110CFF 2015,KLX110CGF 2016,KLX110CHF 2017,KLX110CJF 2018,KLX110CKF 2019, DECALS
KAWASAKI, KLX110CFF 2015,KLX110CGF 2016,KLX110CHF 2017,KLX110CJF 2018,KLX110CKF 2019, DECALS
KAWASAKI, KLX110CFF 2015,KLX110CGF 2016,KLX110CHF 2017,KLX110CJF 2018,KLX110CKF 2019, DECALS
KAWASAKI, KLX110CFF 2015,KLX110CGF 2016,KLX110CHF 2017,KLX110CJF 2018,KLX110CKF 2019, ACCESSORY
KAWASAKI, KLX110CFF 2015,KLX110CGF 2016,KLX110CHF 2017,KLX110CJF 2018,KLX110CKF 2019, MANUAL

https://kawasakistore.de/