KAWASAKI

Spare Parts Catalogue KAWASAKI KX100-A1 1989,KX100-A2 1990

ACHSE,FR
410681301
ACHSE,RR
410681302
ANSCHLAG
430221010
ARM-SUSP,UNI TRAK
390071178
AUFKLEBER
560401206
AUSGANG 1. GANG 33Z
131291725
AUSGANG 2.GANG 30Z
131291726
AUSGANG 3.GANG 27Z
132601023
AUSGANG 4.GANG 25Z
132601024
AUSGANG 5.GANG 24Z
131291729
AUSGANG 6.GANG 22Z
131291730
AUSGANGSWELLE
131281126
AUSPUFF
180011713
AUSPUFFEINSATZ
490991259
BEFESTIGUNGSBAND L=12
92072030
BEFESTIGUNGSBAND L=18
92072056
BEFESTIGUNGSBAND L=21
92072032
BEFESTIGUNGSKLAMMER
920371318
BENZINHAHN
510231115
BENZINTANK GRUEN
5100254966W
BOLZEN
920041183
BREMS-ENTLUEFTUNG
430561052
BREMS-ENTLUEFTUNG
43056003
BREMSBELAEGE
430501040
BREMSBELAG HINTEN
430821082
BREMSBELAG VORNE
430821083
BREMSFLUESSIGKEITSBEH
430781068
BREMSHEBEL
460921148
BREMSKOLBEN
430481008
BREMSKOLBEN
430201091
BREMSKOLBEN
430201075
BREMSKOLBEN
430201071
BREMSKOLBEN KPL.
430201063
BREMSPEDAL
430011232
BREMSSCHEIBE
410801202
BREMSSCHEIBE HI
410801236
BREMSSCHEIBE HINTEN
410801272
BREMSSCHEIBE HINTEN
410801269
BREMSSCHEIBE VO
410801196
BREMSSCHEIBE VO.
410801235
BREMSSCHEIBE VORN
410801271
BREMSSCHEIBE VORN
410801270
BREMSSCHLAUCH BREMSZY
430591380
BREMSSCHLAUCH HI
430591417
BREMSSCHLAUCH VO
430591472
BREMSSTANGE
430101063
BREMSZANGE HI
430411240
BREMSZANGE VO
430411241
BREMSZANGE,KPL,VO
430411336
BREMSZANGENHALTER
430441073
BREMSZANGENHALTER
430441051
BUND 6,8X10X17
920271833
BUND 6.5X10X14.1
920271183
BUSHING-FRONT FORK
440651097
BUSHING-FRONT FORK,INNER
440651098
CARBURETOR-ASSY
150011571
CLAMP
920371069
COLLAR,12.2X17.3X107.5
921431282
COLLAR,REAR AXLE,L=14
921431286
COVER-SIDE,LH,L.GREEN
3601050686W
COVER-SIDE,RH,L.GREEN
3601052886W
DAEMPFER AUSPUFF
920751891
DAEMPFMATERIAL
180461094
DECKEL GASZUGFUEHRUNG
140251646
DECKEL HAUPTBREMSZYLI
430261063
DECKEL HAUPTBREMSZYLI
430261058
DECKEL, WASSERKUEHLER
490851059
DECKEL, WASSERKUEHLER
490851003
DICHTUNG 10,5X16X1
92065058
DICHTUNG BREMSKOLBEN
430491061
DICHTUNG BREMSKOLBEN
430491060
DICHTUNG GENERATOR
110091807
DICHTUNG, GABEL
44045057
DID420DS-126L
920571279
DISTANZSCHEIBE 22,5X3
92026011
DISTANZSTUECK
920264002
DUCT,AIR FILTER
140731418
DUESENNADEL
160091577
DUESENNADEL
160091576
DUESENNADEL
160091575
DUESENNADEL
160091574
DUESENNADEL
160091573
DUESENNADEL F1340H
160091504
DUESENNADEL F1341H
160091505
DUESENNADEL F1342H
160091506
DUESENNADEL F1343H
160091507
DUESENNADEL F1344H
160091508
DZMPFUNGSZYLINDER
440221244
EINGANG 2.GANG 16Z
132601014
EINGANG 3.+4.GANG 18/
131291722
EINGANG 5.GANG 22Z
132601022
EINGANG 6.GANG 23Z
132601015
EINGANGSWELLE 13Z
131271154
EINSTELLMUTTER
46056006
EINSTELLSCHRAUBE
920021893
EINSTELLSCHRAUBE GASZ
160021056
ENTLUEFTER
14069002
FEDER
921441103
FEDER
92083012
FEDER
920811716
FEDER
920811632
FEDER
920811555
FEDER
920811502
FEDER
920811341
FEDER
92081122
FEDER
92081076
FEDER BREMSPEDAL
921441047
FEDER FUSSRASTE LI
920811491
FEDER FUSSRASTE RE
920811543
FEDER GASSCHIEBER
921441177
FEDERBEIN
450141415
FELGE HI. 1,85X16EN22
410251188
FELGE VO 40X19EN22J
410251217
FELGENBAND
410231074
FELGENBAND, HI 90/100
410231072
FENDER-FRONT,L.GREEN
3500412516W
FLOAT
160311071
FLUESSIGDICHTMITTEL S
92104002
FORK-FRONT
440011737
FUEHRUNG
130701184
FUEHRUNG
130701183
FUEHRUNG FEDER
130701193
FUEHRUNG GASZUG
591011102
FUEHRUNG GASZUG
130701074
FUEHRUNGSBUCHSE GABEL
440651089
FUEHRUNGSBUCHSE GABEL
440651088
FUSSRASTE LI
340281277
FUSSRASTE RE
340281278
FEDER
92081020
GABELBRUECKE OBEN
440391183
GABELFEDER
440261408
GABELFEDER
440261407
GABELFEDER
440261405
GABELFEDERFUEHRUNG
440281004
GABELSIMMERRING
920931250
GABELSIMMERRING
920491252
GABELZYLINDER
440221233
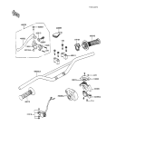
GASGRIFF
460191054
GASSCHIEBER
160251143
GASSCHIEBER,CA3.0
160251162
GASZUG
540121317
GASZUGFUEHRUNG OBERTE
320991036
GENERATORDECKEL
140311241
GRIFF LI.
460751024
GUIDE-FORK SPRING
440281068
GUMMI-BUCHSE STOSSDAE
920921016
GUMMIDAEMPFER
920751660
GUMMIDAEMPFER
920751598
GUMMIDAEMPFER
920751414
GUMMIDAEMPFER KUEHLER
920751352
HALTER
160651162
HALTER
110461408
HALTER DUESENNADEL
131831250
HALTER HAUPTBREMSZYLI
430341016
HALTER KUPPLUNGSDRUCK
130911517
HALTER KUPPLUNGSHEBEL
130911131
HALTER KUPPLUNGSHEBEL
110361297
HALTER KUPPLUNGSNABE
130911324
HALTER LUFTFILTERELEM
130911519
HALTER LUFTFILTERELEM
130911393
HALTER SCHALTWALZE
130911390
HALTER SCHIEBERANSCHL
130911492
HALTER SEITENSTAENDER
320431318
HALTER, ZUENDBOX
110461876
HANDLE
460031310
HAUPTBREMSZYLINDER
430151388
HAUPTBREMSZYLINDER VO
430151395
HAUPTDUESE #118
920631356
HAUPTDUESE #120
920631357
HAUPTDUESE #122
920631358
HAUPTDUESE #125
920631334
HAUPTDUESE #128
920631335
HAUPTDUESE #130
920631336
HAUPTDUESE #132
920631337
HAUPTDUESE #135
920631338
HAUPTDUESE #138
920631359
HAUPTDUESE #140
920631360
HAUPTDUESE #142
920631361
HAUPTDUESE #152
920631365
HEBEL
461021251
HEBEL FEDERBEIN
461021259
HEBEL SCHALTWALZE
132361152
HINTERACHSE
410681251
HINTERRAD
410901066
HINTERRADNABE
410341194
HINTERRADNABE
410341180
HOLDER-CARBURETOR
160651212
HOLDER-FORK UNDER
440371225
HUELSE
921431055
HUELSE
920271757
HUELSE 12X17X36
420361244
HUELSE 12X17X74
420361243
HUELSE 17X22X21,1
920281149
HUELSE ABTRIEBSRITZEL
920271077
HUELSE L=6
920271926
HUELSE L=81
920271925
HUELSE SCHUTZBL.
920271936
HUELSE SCHWINGE L=34
420361067
HÜLSE,L=12
921431284
INNENSPEICHE HI. 180X
410291151
INNENSPEICHE HI. RE 1
410291182
INNENSPEICHE HI. RE 1
410291181
INNENSPEICHE VO.
410291149
INNENSPEICHE VO.
410291148
KABELFUEHRUNG
130701031
KAPPE
110121263
KAPPE KETTENSPANNER
110121601
KAPPE LENKER
110121666
KAPPE, LUFTVENTIL
110121391
KEIL
92038001
KETTENFUEHRUNG HI. LI
120531203
KETTENFUEHRUNG HI. RE
120531204
KETTENFUEHRUNG VO
120531256
KETTENFUEHRUNG VO. OB
120531237
KETTENRAD
420411229
KETTENRAD
420411228
KETTENRAD 50Z ALU
420411233
KETTENRAD 51Z ALU
420411234
KETTENRAD 52 Z, ALU
420411250
KETTENRAD 52Z
420411245
KETTENRAD 53 Z, ALU
420411251
KETTENRAD 53Z
420411246
KETTENRAD 54 Z, ALU
420411252
KETTENRAD 54Z
420411223
KETTENRAD 55 Z, ALU
420411253
KETTENRAD 56 Z, ALU
420411254
KETTENSPANNER
330401081
KETTENSPANNER AUSSEN
330401066
KICKSTARTER
130641124
KICKSTARTERFEDER
920811907
KICKSTARTERFEDERFUEHR
130701137
KICKSTARTERFUEHRUNG
132061055
KICKSTARTERNABE
130611049
KICKSTARTERRITZEL 31Z
590511147
KICKSTARTERRITZEL 32Z
590511026
KICKSTARTERWELLE
130661055
KLAMMER
920371991
KLAMMER
920371712
KLAMMER
92037147
KLAMMER
920371173
KLAMMER BREMSSCHLAUCH
920371363
KLAMMER BREMSSCHLAUCH
920371362
KLAMMER DUESENNADEL
920371401
KLAMMER SCHLAUCH
920371396
KLAMMER VERGASERHALTE
920371637
KLEMME
21169001
KLEMME
140201075
KNIESTUECK
131591056
KOLBEN
130011308
KOLBEN 100CCM
130011275
KOLBENBOLZEN
130021018
KOLBENRINGSATZ 100CCM
130081107
KOLBENSICHERUNGSRING
920331050
KREUZSCHLITZSCHRAUBE
224B0614
KREUZSCHLITZSCHRAUBE
224B0514
KREUZSCHLITZSCHRAUBE
223C0416
KREUZSCHLITZSCHRAUBE
222E0412
KREUZSCHLITZSCHRAUBE
221B0610
KREUZSCHLITZSCHRAUBE
220C0514
KREUZSCHLITZSCHRAUBE
214C0518
KUEHLERSCHUTZ RE GRUE
4908950676W
KUEHLWASSERSCHLAUCH
390621317
KUEHLWASSERSCHLAUCH
390621250
KUEHLWASSERSCHLAUCH
390621134
KUGELLAGER
920451236
KUGELLAGER
920451212
KUGELLAGER
920451211
KUGELLAGER
601A6002
KUGELLAGER #6203
601A6203
KUGELLAGER 6001C3ML01
920451235
KUGELLAGER 6201UUC3
601B6301UU
KUGELLAGER 6905
92045036
KUGELLAGER R-6304 C3
920451059
KUGELLAGER TMB201LLUC
920451062
KUGELLAGER,6204
920451226
KUPPLUNGSAUSRUECKHEBE
132361158
KUPPLUNGSDECKEL
140321260
KUPPLUNGSDECKELDICHTU
110091534
KUPPLUNGSDRUCKSTANGE
131141053
KUPPLUNGSFEDER
921441384
KUPPLUNGSHEBEL KPL.
460761118
KUPPLUNGSKORB
130951165
KUPPLUNGSNABE
130871090
KUPPLUNGSPLATTE
130861058
KUPPLUNGSZUG
540111276
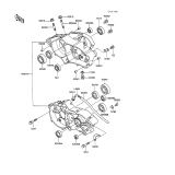
KURBELGEHAEUSE
140015272
KURBELGEHAEUSE
140015254
KURBELWELLE
130311284
KURBELWELLE KPL.
130311299
KURBELWELLE LI
130371380
KURBELWELLE LI
130371356
KURBELWELLE RE
130371357
KURBELZAPFEN
13035105401
KAPPE ENTLÜFTERNIPPEL
430571001
KAPPE ENTLÜFTERNIPPEL
43057003
LAGERKUGEL 1/4"
600A0800
LEERLAUFDUESE #50
920641144
LEERLAUFDUESE #52
920641130
LEERLAUFDUESE #55
920641145
LEERLAUFDUESE #58
920641146
LEERLAUFDUESE #60
920641147
LENKER
460031256
LENKERHALTER OBEN
460121191
LENKKOPFMUTTER
92090024
LEVER-GRIP,CLUTCH
460921110
LIMADECKEL
140311215
LIMADECKELDICHTUNG
110091536
LUFTFILTERELEMENT
110131129
LUFTFILTERGEHAEUSE
110111321
LUFTFILTERKASTEN
110111294
LUFTSCHRAUBE
160141033
LUFTVENTIL
161261145
MANSCHETTE
920271940
MANSCHETTE
920271939
MANSCHETTE BREMSZANGE
490061088
MARK,SWING ARM,UNI-TR
560501170
MARK,SWING ARM,UNI-TRAK
560501426
MEMBRANE
430281060
MEMBRANE
120221054
MEMBRANE HAUPTBREMSZY
430281067
MUTTER
920151774
MUTTER
920151713
MUTTER
920151674
MUTTER
920151487
MUTTER
92015077
MUTTER
315C1000
MUTTER (VPE10)
92019008
MUTTER,12MM
920151617
MUTTER,12MM
920151433
MUTTER,12MM
920151156
MUTTER,5MM
920151259
MUTTER,6MM
920151699
MUTTER,6MM
920151391
MUTTER,6MM
920151233
MUTTER,8MM
920151668
MUTTER,8MM
920151143
MUTTER,EINSTELLUNGEN
920151642
MUTTER,FEDEREINSTELLU
920151679
MUTTER,KONTER
920151574
MUTTER,KUPPLUNGSNABE
920151706
NADELLAGER
920461191
NADELLAGER
920461046
NADELLAGER 18BM2416
920461144
NOTSCHALTER
270101161
NUT,FLANGED,6MM
920151078
NUT,STEERING STEM,22MM
920151653
O-RING
920551383
O-RING
920551334
O-RING
920551318
O-RING
920551251
O-RING
920551167
O-RING 36MM
670E3036
O-RING 4MM
670B1504
O-RING BENZINHAHN
920551300
O-RING BENZINHAHN
920551299
O-RING SCHWIMMERKAMME
920551389
O-RING VERGASERDECKEL
920551390
O-RING 17.5 X 1.5 (VE5)
92055022
OELABLASSSCHRAUBE
920661241
OELEINFUELLKAPPE
16115018
OELSCHAUGLAS
520051055
PASSSTIFT 4X8
610A0408
PATTERN,FUEL TANK,LH
560491307
PATTERN,FUEL TANK,LH
560481484
PATTERN,NUMBER PLATE
560461981
PATTERN,SHROUD,RH
560491308
PATTERN,SHROUD,RH
560481485
PATTERN,SIDE COVER,LH
560471811
PATTERN,SIDE COVER,RH
560471812
PIN COTTER,295X15
550D2515
PIN,8X14.5
920431303
PIN,PAD HOLDER
920431366
PIN-COTTER,2.0X15
550D2015
PIPE-LEFT FORK OUTER
440051302
PIPE-RIGHT FORK OUTER
440061298
PLATE-NUMBER,L.GREEN
5802950266W
PLATE-THRUST
490741052
PLATTE GRIFF
131691760
PLATTE MEMBRANE
430271052
PLATTE SCHALTWALZE
13169012
PLATTE VERGASERANSCHL
131831237
PLEUEL
130321039
PLEUELLAGER
130331053
PRIMAERRITZEL 20Z
130971148
PASSHÜLSE 6,3X8X14
92042007
QUERLENKER UNITRAK
390071168
RAHMEN
321601086
RAHMEN
321601013
RAHMEN HI
321601035
REIBLAMELLE
130881082
REIBLAMELLE
130881070
REIFEN 70/100-19 42M
410021571
REIFEN 90/100-16 52M
410021572
REIFENHALTER 1,85
41024011
RETAINER
140201076
RING BREMSZANGE
430491016
RING-O
920551441
RITZEL 13Z
131441023
RITZEL 14Z
131441022
ROD,SHOCKABSORBER
461021279
ROLLE KABELFUEHRUNG
921221011
ROLLE KETTENFUEHRUNG
921221155
ROLLENLAGER 32005JRRS
921161065
ROLLER
921221177
ROLLER
921221128
ROTOR,MAGNETO
210071191
ROTOR,MAGNETO
210071181
SCHALTGABEL 1.+4.GANG
131401141
SCHALTGABEL 2.+3.GANG
131401140
SCHALTGABEL 5.+6.GANG
131401139
SCHALTHEBEL
131611126
SCHALTPEDAL
132421205
SCHALTSTANGE L=64.5
490471063
SCHALTSTANGE L=81
490471064
SCHALTWALZE
131411120
SCHEIBE
131831182
SCHEIBERANSCHLAGSCHRA
160211121
SCHELLE
920371843
SCHLAUCH 4X7X300
920591844
SCHLAUCH 4X7X360
920591941
SCHLAUCH 5.3X10.5X200
920591665
SCHLAUCH 5X9X350
920591265
SCHLAUCH 5X9X600
920591259
SCHLAUCH 6X9X280
920591074
SCHLAUCH 70/100-19
410221121
SCHLAUCH 90/100-16
410221122
SCHLAUCHSCHELLE
920371710
SCHLAUCHSCHELLE
920371589
SCHMUTZABWEISER
350191212
SCHRAUBE
921501124
SCHRAUBE
921501026
SCHRAUBE
920091568
SCHRAUBE
920021955
SCHRAUBE
920021894
SCHRAUBE
920021599
SCHRAUBE
44041040
SCHRAUBE
187B0616
SCHRAUBE
132G0645
SCHRAUBE
132G0640
SCHRAUBE
132G0635
SCHRAUBE
132G0625
SCHRAUBE
132G0620
SCHRAUBE
132G0616
SCHRAUBE
132G0614
SCHRAUBE
132G0612
SCHRAUBE
130P0840
SCHRAUBE
130P0510
SCHRAUBE
130G0508
SCHRAUBE 10X40
920021675
SCHRAUBE 10X49
921501170
SCHRAUBE 12X104
921501169
SCHRAUBE 12X67
920021861
SCHRAUBE 3X8
920091386
SCHRAUBE 4 MM
920091458
SCHRAUBE 5X20
130P0520
SCHRAUBE 6X10
920091375
SCHRAUBE 6X12
130G0612
SCHRAUBE 6X14
920021460
SCHRAUBE 6X14 WEISS
920091287
SCHRAUBE 6X16
920021659
SCHRAUBE 6X16
920021461
SCHRAUBE 6X18
920021952
SCHRAUBE 6X20
920021237
SCHRAUBE 6X8
130B0608
SCHRAUBE 8
130G0835
SCHRAUBE 8
130G0830
SCHRAUBE 8X12
130G0812
SCHRAUBE 8X15
920021601
SCHRAUBE 8X16
120P0816
SCHRAUBE 8X8
920091312
SCHRAUBE FUSSRASTENHA
921501111
SCHRAUBE HANDBREMSHEB
920011728
SCHRAUBE KUPPLUNGSHEB
920021150
SCHRAUBE L=12
920021662
SCHRAUBE L=23
920021888
SCHRAUBE,6X10
920091563
SCHRAUBE,KREUZSCHLITZ
920091014
SCHRAUBENMUTTER
312B0600
SCHRAUBENSCHLUESSEL
921101119
SCHUTZ BREMSSATTEL
550201247
SCHUTZ GASZUGGEHAEUSE
490061097
SCHUTZ HANDBREMSHEBEL
490061231
SCHUTZ KUPPLUNGSZUG
490061017
SCHUTZBL. HI. GRUEN
3502212576W
SCHUTZBL. HI. GRUEN
3502212506W
SCHUTZBL. VO. GRUEN
3500412376W
SCHWIMMER
160311065
SCHWIMMERVENTIL
160301064
SCHWINGACHSE
330321116
SCHWINGE SILBER
330011322CE
SEAL,FORK OUTER TUBE
920931304
SEAL-OIL,DC17323.5
920491290
SEAL-OIL,FORK
920491350
SEAT-ASSY,BLUE
530011599MZ
SEAT-ASSY,BLUE
530011562MD
SECHSKANTMUTTER
311B0300
SECHSKANTSCHRAUBE
920071143
SECHSKANTSCHRAUBE 10X
113B1025
SECHSKANTSCHRAUBE 6X10
920011034
SECHSKANTSCHRAUBE 8X2
115G0825
SECHSKANTSCHRAUBE 8X6
920011006
SEITENDECKEL LI BLAU
360105126BG
SEITENDECKEL RE BLAU
360105127BG
SEITENSTAENDER
340241242
SEITENSTAENDERFEDER
34025005
SHAFT-SWING ARM
330321154
SHIM,PAD
920251817
SHOCKABSORBER
450141462
SHROUD-ENGINE,RH,L.GR
4908950856W
SICHERUNGSRING
92036023
SICHERUNGSRING
92036018
SICHERUNGSRING
920331211
SICHERUNGSRING
92033028
SICHERUNGSRING
44044015
SICHERUNGSRING 20.5
920331186
SICHERUNGSRING 12MM
480J1200
SICHERUNGSRING 15MM (VE10)
480J1500
SICHERUNGSRING 16MM
480J1600
SICHERUNGSRING 18MM
920331079
SICHERUNGSRING 37MM
481J3700
SICHERUNGSSCHEIBE
920221601
SIMMERRING
920491328
SIMMERRING
920491096
SIMMERRING A9567
920491081
SIMMERRING MHA17245.7F
920491223
SIMMERRING SB16244
92049002
SIMMERRING SD20407GS
920491188
SIMMERRING TC25375
920491292
SLEEVE,10.1X18X30
420361258
SLEEVE,12X18X36
420361257
SLEEVE,12X18X74
420361256
SPACER,FORK,L=38.5
920261364
SPEICHENNIPPEL
410321057
SPERRKLINKE
131651114
SPERRKLINKE
130781004
SPLINT
920411051
SPLINT 2.5X20
550D2520
SPRENGRING 8MM
482K8000
SPRING
921441370
SPRING,EXHAUST CONNEC
921441470
SPRING,SHOCKABSORBER
921441489
SPRING,SHOCKABSORBER,
921441490
SPRING,SHOCKABSORBER,
921441471
SPRING,SHOCKABSORBER,
921441380
SPRING,SHOCKABSORBER,
921441379
SPRING,SHOCKABSORBER,
921441378
SPRING-FRONT FORK,K=0
440261450
SPRING-FRONT FORK,K=0
440261449
SPRING-FRONT FORK,K=0
440261437
STAHLLAMELLE
130891009
STANDROHR
440131299
STANDROHR
440131283
STARTERKOLBEN
160161028
STARTNUMMERNTRAEGER B
580295022BG
STATOR
210031202
STATOR
210031196
STAUBKAPPE HAUPTBREMS
490161044
STAUBSCHUTZ BREMSZANGE
490061055
STAUBSCHUTZ BREMSZANGE
490061054
STAUBSCHUTZ GABEL
920931202
STEHBOLZEN 8X25
920041008
STEHBOLZEN 8X35
920041009
STIFT
920431207
STIFT 8X32
920431143
STOPFEN
92071042
STOPFEN LUFTFILTERGEH
490061156
STREBE
350111456
SCHALTWELLENSIRI
92051005
SCHLAUCH/KABELFÜHRUNG
920371827
SIMMERING KUPPLUNGSAUSRÜCKHEB.
920491262
STAUBSCHUTZ BREMSZANGE
490061053
TANK-COMP-FUEL,L.GREE
5100351106W
TANKDECKEL
510491089
TANKDECKELDICHTUNG
110091622
TAUCHROHR LINKS
440051263
TAUCHROHR RE
440061260
U-SCHEIBE 10,5X15X1,5
43067001
U-SCHEIBE 5,2X13X1
920221380
UNTERLEGSCHEIBE
920221873
UNTERLEGSCHEIBE
920221814
UNTERLEGSCHEIBE
920221801
UNTERLEGSCHEIBE
920221780
UNTERLEGSCHEIBE
920221481
UNTERLEGSCHEIBE
920221373
UNTERLEGSCHEIBE
920221290
UNTERLEGSCHEIBE 10,5X
92022239
UNTERLEGSCHEIBE 12,2X
920221236
UNTERLEGSCHEIBE 12,3X
920221911
UNTERLEGSCHEIBE 17,3X
92022255
UNTERLEGSCHEIBE 3MM
410B0300
UNTERLEGSCHEIBE 6,1X1 (VE10)
92022077
UNTERLEGSCHEIBE 6,5X2
920221690
UNTERLEGSCHEIBE 6MM
92022284
UNTERLEGSCHEIBE 8,5X1
920221028
UNTERTEIL GASZUGFUEHR
320991044
VALVE,AIR
161261230
VALVE-ASSY,FORK
491161082
VENTIL
120211075
VERBINDUNGSGLIED
920581066
VERGASER KPL
150011502
VERGASERANSCHLUSSSTUT
140731333
VERGASERDECKEL
160041059
VERGASERFEDERSTELLER
131831162
VERGASERHALTER
160651184
VERGASERSTOPFEN
160491051
VORDERACHSE
410681200
VORDERRAD
410901067
VORDERRADGABEL
440011704
VORDERRADNABE
410341166
WARNAUFKLEBER
560401129
WARNAUFKLEBER VORDERR
560401120
WASSERKUEHLER
390611136
WASSERKUEHLERGITTER G
1403711136W
WASSERPUMPENDECKEL
161421081
WASSERPUMPENDECKELDIC
110091535
WASSERPUMPENRITZEL
132341068
WASSERPUMPENRITZEL 22
590511146
WASSERPUMPENROTOR
592561064
WELLE
430451010
WHEEL-SUB ASSY,RR
410901078
ZUENDBOX
211191260
ZUENDKERZE NGK B9EG
920701061
ZUENDKERZE NGK B9EG
920701058
ZUENDKERZENSTECKER
21160005
ZUENDKERZENSTECKER
211301062
ZUENDKERZENSTECKER
211301006
ZUENDSPULE
211211057
ZYLINDER 100 CC 1991
110051576
ZYLINDER FEDERBEIN
430891130
ZYLINDERFUSSDICHTUNG
110091533
ZYLINDERKOPF
110011311
ZYLINDERKOPF
110011298
ZYLINDERKOPFDICHTUNG
110041200
ZYLINDERKOPFDICHTUNG
110041194
ZSNDBOX
211191274
ZSNDSPULE
211211183
KAWASAKI, KX100-A1 1989,KX100-A2 1990, CYLINDER HEAD/CYLINDER
KAWASAKI, KX100-A1 1989,KX100-A2 1990, AIR CLEANER
KAWASAKI, KX100-A1 1989,KX100-A2 1990, MUFFLER(S)
KAWASAKI, KX100-A1 1989,KX100-A2 1990, CRANKSHAFT/PISTON(S)
KAWASAKI, KX100-A1 1989,KX100-A2 1990, KICKSTARTER MECHANISM
KAWASAKI, KX100-A1 1989,KX100-A2 1990, CLUTCH
KAWASAKI, KX100-A1 1989,KX100-A2 1990, TRANSMISSION
KAWASAKI, KX100-A1 1989,KX100-A2 1990, GEAR CHANGE DRUM/SHIFT FORK(S)
KAWASAKI, KX100-A1 1989,KX100-A2 1990, GEAR CHANGE MECHANISM
KAWASAKI, KX100-A1 1989,KX100-A2 1990, CRANKCASE
KAWASAKI, KX100-A1 1989,KX100-A2 1990, ENGINE COVER(S)
KAWASAKI, KX100-A1 1989,KX100-A2 1990, CARBURETOR
KAWASAKI, KX100-A1 1989,KX100-A2 1990, GENERATOR
KAWASAKI, KX100-A1 1989,KX100-A2 1990, IGNITION SYSTEM
KAWASAKI, KX100-A1 1989,KX100-A2 1990, RADIATOR
KAWASAKI, KX100-A1 1989,KX100-A2 1990, FRAME
KAWASAKI, KX100-A1 1989,KX100-A2 1990, FRAME FITTINGS
KAWASAKI, KX100-A1 1989,KX100-A2 1990, SWINGARM
KAWASAKI, KX100-A1 1989,KX100-A2 1990, SUSPENSION
KAWASAKI, KX100-A1 1989,KX100-A2 1990, FOOTRESTS
KAWASAKI, KX100-A1 1989,KX100-A2 1990, FENDERS
KAWASAKI, KX100-A1 1989,KX100-A2 1990, STAND(S)
KAWASAKI, KX100-A1 1989,KX100-A2 1990, TIRES
KAWASAKI, KX100-A1 1989,KX100-A2 1990, FRONT HUB
KAWASAKI, KX100-A1 1989,KX100-A2 1990, REAR HUB
KAWASAKI, KX100-A1 1989,KX100-A2 1990, BRAKE PEDAL
KAWASAKI, KX100-A1 1989,KX100-A2 1990, SHOCK ABSORBER(S)
KAWASAKI, KX100-A1 1989,KX100-A2 1990, FRONT MASTER CYLINDER
KAWASAKI, KX100-A1 1989,KX100-A2 1990, FRONT BRAKE
KAWASAKI, KX100-A1 1989,KX100-A2 1990, REAR MASTER CYLINDER
KAWASAKI, KX100-A1 1989,KX100-A2 1990, REAR BRAKE
KAWASAKI, KX100-A1 1989,KX100-A2 1990, HANDLEBAR
KAWASAKI, KX100-A1 1989,KX100-A2 1990, FRONT FORK
KAWASAKI, KX100-A1 1989,KX100-A2 1990, FRONT FORK
KAWASAKI, KX100-A1 1989,KX100-A2 1990, FUEL TANK
KAWASAKI, KX100-A1 1989,KX100-A2 1990, SEAT
KAWASAKI, KX100-A1 1989,KX100-A2 1990, CABLES
KAWASAKI, KX100-A1 1989,KX100-A2 1990, SIDE COVERS
KAWASAKI, KX100-A1 1989,KX100-A2 1990, OWNER'S TOOLS
KAWASAKI, KX100-A1 1989,KX100-A2 1990, LABELS
KAWASAKI, KX100-A1 1989,KX100-A2 1990, OPTIONAL PARTS(SPROCKET-HUB)
KAWASAKI, KX100-A1 1989,KX100-A2 1990, ACCESSORY

https://kawasakistore.de/